Конструкция
Перекрестные выключатели (Легранд, Шнайдер Электрик и другие) имеют не три контакта (как большинство стандартных блоков управления), а четыре. Такая конструкция позволяет одновременно отключать или включать по два контакта. Благодаря этому, одновременно замыкается или, напротив, размыкается несколько линий питания (в данном случае, две).

Фото — схема работы перекрестного выключателя
Главным отличием проходных выключателей от перекрестных является то, что первые могут использоваться самостоятельно, а вторые – нет. Перекрестные модели применяются только в комплекте с проходными, но, при этом их обозначение на схемах идентично.
Они представляют собой два спаренных одноклавишных выключателя (иногда одноклавишный), контакты которых соединены при помощи специальных металлических перемычек. Главным удобством такой конструкции является то, что при необходимости их можно сделать своими руками. Такая модель имеет всего одну кнопку, отвечающую за работу системы контактов.

Фото — принцип подключения
Существует два типа таких переключателей по принципу работы:
В поворотных контакты замыкаются при помощи поворотного механизма. Они несколько дороже обычных, но имеют более разнообразные дизайнерские варианты.
И два по вариантам монтажа:
- Накладной (Unica Q, Лезард);
- Встроенный (Леград, АВВ).
Наружный монтируется поверх стены. Для его установки нет необходимости пробивать поверхность дома и устанавливать в стену дополнительный блок. Это очень удобно, если планируется дизайнерский ремонт или просто нет желания повторно отделывать помещение. Но такие модели считаются недостаточно удобными в эксплуатации – они подвержены физическим воздействиям и влиянию агрессивной окружающей среды.

Фото — схема управления светом из трех мест
Встроенные используются для монтажа в стены. Их применяют для разводки проводки во всех типах зданий. Для их монтажа предварительно необходимо подготовить отверстие в стене, соответствующее коробке переключателя.
Особенности переключателей перекрестного типа исполнения:
- Для их подключения используются исключительно четырехжильные провода. В крайнем случае, специалисты рекомендуют использовать два двухжильных с хорошей изоляцией, но такое решение нецелесообразно;
- Такой переключатель может быть одноклавишный, двух и трехклавишный. Но его рекомендуется устанавливать только при необходимости выключать свет из трех разных мест (скажем, в начале, середине и конце коридора). Во всех остальных случаях можно использовать классические проходные варианты;
- Промежуточный переключатель устанавливается исключительно на этапе разводки проводки по дому или квартире. Это основной его недостаток. Из-за подсоединения нескольких контактных групп для подключения системы требуется большое количество проводов, что может создать определенную пожароопасность;
- Среди достоинств конструкции высокие показатели износостойкости. Учитывая, что контакты перекрестных моделей чаще замыкаются, чем проходных или обычных, перемычки выполнены из прочного коррозионностойкого металла, чаще всего – это медь или легированная сталь. В большинстве вариантов есть дополнительная защита от воздействия конденсата, пыли и влаги.

Фото — подключение перекрестного одноклавишного переключателя
Конструкция и принцип работы трехклавишного выключателя
Трехклавишник сделан в виде коробки из изолятора. Он изготовлен из пожаробезопасной пластмассы. В коробе есть механизм, отвечающий за размыкание и замыкание контактов. Там же установлены клеммы для включения кабеля. В него входят 1 центральный провод и 3 после размыкания. Они идут на лампы.
Дополнительно присутствует механизм крепления и наружные элементы. Они предназначены для защиты и декора. Это рамочная панель из пластика и клавиши. Детали просто снимаются и монтируются на защелках.
Для монтажа освещения 3 комнат или люстры с 3 лампочками нужно подготовить проводку и отверстие для посадки тройного выключателя на три лампочки.
Конструкция и особенности проходных выключателей
Подключить провод фазы к входу в одном из проходных выключателей, на котором три выхода. При этом фаза которая подается на светоточку , не коммутируется на один из выходов, а наоборот, заводится на оба контакта, с одной стороны. Примерно так выглядит исполненный монтаж внутри помещения, где необходима система управления из трёх мест К примеру, создавать подобную схему под условия прохождения длинного коридора, на 1 вход и 1 выход, с коммутацией в центральной зоне, явно нецелесообразно. Ноль приходит сразу на лампу, без промежуточных узлов. Мы привыкли называть устройства включения-выключателями, но по сути это проходные и перекрестные переключатели. Допустим, один из них будет находиться возле кровати, второй у выхода комнаты, а третий возле рабочего стола. Особого внимания требует грамотное подсоединение концов электрических кабелей, что гарантирует бесперебойную работоспособность и безопасность эксплуатации всей системы. Аналогичное крепление оставшихся выходов. Его конструктивная особенность в том, что имеется четыре контактные точки две входных и две выходных.
Работа схемы проходного выключателя
Путаница при чередовании фазы и нуля Нужно быть очень внимательным при коммутации проводников, чтобы не произошло как на картинке ниже. Скорее всего в новых выключателях есть ночная подсветка. К примеру, такой проект: Схемотехника для проектов, требующих увеличения числа мест управления более трёх.
Таким образом, можно будет включать, и отключать свет из разных мест. Главное преимущество изделия — возможность проводить включение или выключение с двух, трёх или более точек. Как подключить проходной выключатель из 3 х мест Целесообразность применения проходных выключателей обусловлена индивидуальной планировкой помещения со светильниками, требующими регулировки из различных точек. Особенность его в том, что при помощи его можно подключить множество выключателей. Но не исключается также вариант с одной РК.
Принцип работы и схема переключателя Как выглядит схема подключения проходного выключателя? Следствие из предпоследнего правила для перекрестного коммутатора: сколько выходных пар у проходного коммутатора, столько входных и выходных у перекрестного выключателя
Не менее важно осмотреть его конструктивные особенности, так как он может быть различного вида. Схема подключения представлена ниже. В диодных лампах, например, есть свой встроенный блок питания поэтому они такие дорогие , на входе которого стоит конденсатор
Как подключить проходной выключатель с двух точек полная схема монтажа
В диодных лампах, например, есть свой встроенный блок питания поэтому они такие дорогие , на входе которого стоит конденсатор. Как подключить проходной выключатель с двух точек полная схема монтажа
Обзор розеток «Легрант», «Лезарт» и «Шнайдер»
От качества розеток зависит не только удобство применения, но и безопасность жилья.
«Легрант»
Одной из самых распространенных разновидностей этого устройства является «Легрант Валена». Она популярна благодаря высокому уровню качества и удобству установки. У розетки достаточно жесткий механизм, что обеспечивает простоту монтажа. Изготовлена она из качественного пластика и оснащена винтовыми зажимами. Это очень удобно. Выключатели этого бренда с самозажимными контактами отличаются некоторой жесткостью. Привлекательно выглядят на стенах.
Стыковка выполняется недостаточно удобно, не предусмотрено сцепление между собой.
Как производить расключение проходного выключателя в распределительной коробке
Для расключения кабельно-проводниковой предварительно необходимо выполнить монтаж распределительной коробки. Далее все приходящие кабеля можно соединять 3-я основными методами:
- ПайкаВ данном методе 2 соединяемых провода предварительно скручивают, обезжиривают с помощью флюса, залуживают и производят пайку при помощи канифоли и олова. Данный метод считается наиболее длительным и при неправильной пайке существует вероятность того, что контакт между двумя проводниками пропадет, что может вывести из строя проходной выключатель, лампы освещения или в худшем случае вызвать пожар.Однако в случае соблюдения технологии пайки данный метод позволит обеспечить безопасную и долговечную работу цепей освещения на протяжении десятков лет.
- СваркаСварка проводов осуществляется при помощи понижающего или сварочного трансформатора. Преимущества данного метода – высокая надежность, поскольку 2 проводника сплавляются под действием большого тока обеспечивая низкое сопротивление соединения.
- Монтаж клеммников типа WAGOДанный тип соединения кабельно-проводниковой продукции наиболее быстрый, а по качеству ничем не уступает пайке и сварке. Соединяемые провода просто вставляются в клеммник после чего защелкиваются зажимы и кабель надежно закрепляется в специальный паз.
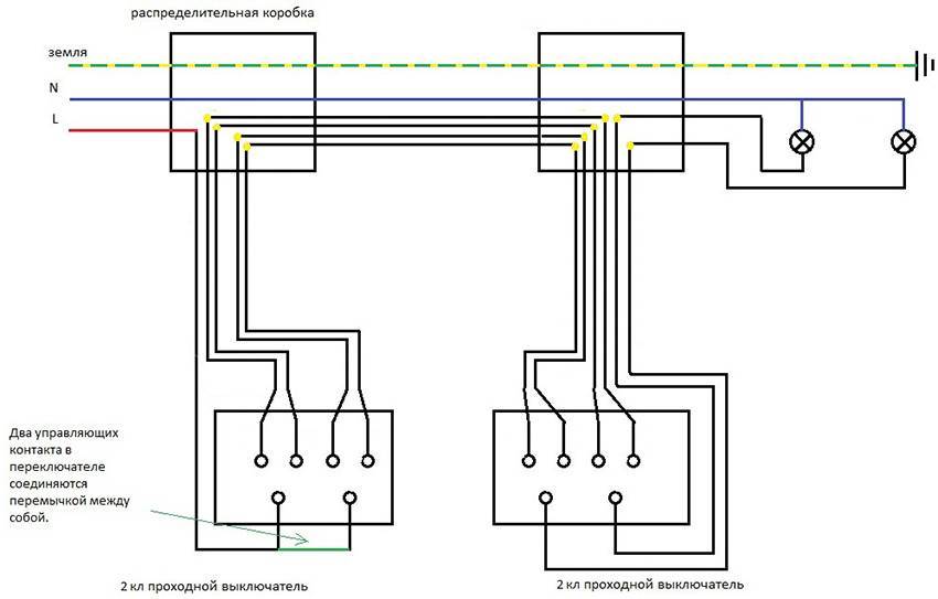
Схема подключения двухклавишного проходного выключателя
При помощи проходных выключателей можно управлять не только одним светильником, но и группой из нескольких осветительных приборов. Для этого следует выполнить подключение проходных двухклавишных выключателей. Каждый из них имеет по шесть контактов. Общие провода определяются по тому же принципу, что и для обычных устройств, но прозвонить необходимо большее количество проводов.
Отличие схемы подключения двойного проходного выключателя состоит в том, что здесь используется больше проводов. Фаза подается на оба входа первого переключателя. С двух входов второго выключателя должны выходить провода на две лампы. В случае организации управления освещением из трех и более точек для каждой из них следует установить по два перекрестных выключателя, поскольку они выпускаются только одноклавишные.

Схема подключения проходного двухклавишного выключателя
В этом случае, согласно принципу подключения двойных проходных выключателей с перекрестными переключателями, первая пара контактов должна заводиться на один перекрестник, а вторая – на другой. При необходимости устройства соединяются между собой. Выход обоих перекрестных переключателей должен быть соединен с последним двухклавишным переходным устройством.
Порядок монтирования
Выполнять подключение проходных устройств нужно так:
- Убедиться, что электроэнергия отключена. Выполнить проверку сети отверткой-индикатором.
- Уточнить местоположение проводки. Все действия нужно осуществлять аккуратно, чтобы не повредить кабели.
- Выбрать место будущего нахождения распределительной коробки, установить ее.
- Проложить трех-, четырехжильные кабели (для промежуточного устройства применяются четырехжильные).
- Соединить концы всех кабелей в распределительной коробке, закрепить клеммами, строго соблюдая схему подключения.
- Подсоединить проходные устройства.
https://youtube.com/watch?v=9cG_VmdR4uk
Полученная трехместная система управления освещением помещения делает очень удобной его эксплуатацию. После удачного монтажа можно пытаться делать более сложные схемы в квартире и на даче.
Виды проходных выключателей
Проходные выключатели классифицируются так же, как и обычные.
- По количеству клавиш:
- одноклавишные;
- двухклавишные;
- трёхклавишные;
- одно- или двухклавишные перекрёстные
(используются в тех случаях, когда управление освещением должно осуществляться из трёх или более мест).
- По типу управления:
- клавишные;
- сенсорные;
- с ПДУ
Основным критерием при выборе проходного выключателя является количество клавиш: оно должно соответствовать числу групп одновременно включаемых элементов освещения. Тип устройства (клавиши, сенсор или что-то другое) имеет второстепенное значение и целиком зависит от личных предпочтений и бюджета.
Принцип работы перекрестного отсоединителя
Проходной прибор включения и выключения света внутри имеет четыре клеммы — на вид такой же, как обычные выключатели. Такое внутреннее устройство необходимо для крестообразного соединения двух линий, которые будет регулировать выключатель. Отсоединитель в один момент может сделать расключение двух оставшихся выключателей, после чего их вместе соединяет. Результатом становится включение-выключение света.
Для создания схемы применяют два и более проходных выключателя. Схема может включать любое количество проходных устройств, но увеличение их числа будет серьезно усложнять работу — необходимо четко знать порядок расположения кабелей и соединений в коробке.
Преимущества установки проходного выключателя
Проходные выключатели позволяют управлять освещением помещения из двух или более мест, что является бесспорным удобством. Это особенно ценно для домов в несколько этажей с лестничными пролетами. Здесь можно установить первый переключатель на первом этаже, а следующий на втором, что позволит включить свет внизу и выключить наверху.

Особенно актуально применение проходных выключателей для управления освещением лестничных пролетов
Хорошим решением является установка одного переключателя у входа в спальню, а второго возле изголовья кровати, что позволит зайти, включить свет, приготовиться ко сну, лечь и выключить освещение. Также целесообразно монтировать выключатели при входе в дом или квартиру и в конце коридора.
Проходные выключатели обладают существенными преимуществами по сравнению с обычными устройствами:
- высокая надежность и безопасность эксплуатации;
- мгновенное отключение электроснабжения помещения при необходимости из любой точки;
- оптимальное расходование электроэнергии;
- низкая себестоимость;
- простая установка, не требующая привлечения специалистов;
- отсутствие сложных настроек.

Наличие проходных выключателей позволяет включить светильники внизу одним выключателем, а поднявшись по лестнице выключить другим
Как подключить
В советские времена применение переключателя на три положения для электроснабжения многоквартирных домов было распространено и являлось повсеместным явлением. Тогда их устанавливали в распределительных щитах. Сейчас вместо таких устройств чаще используются автоматические. Если хозяин предпочел использование трехпозиционного трехфазного переключателя, его можно установить перед счетчиком электроэнергии, ведущим к щиту, чтобы можно было выключить квартирную сеть полностью, если возникнет такая необходимость. Также для усиления защиты сети от избыточной нагрузки или короткозамкнутого инцидента можно рекомендовать совмещенное использование обеих устройств.
Освещение с перекрестным выключателем в сети TN-S
Подключение перекрестного выключателя в электросети TN-S, для которой характерно разделение рабочего (N) и защитного (PE) ноля, имеет некоторые нюансы. В отличие от старой, не совсем безопасной системы TN-C, в электросети, проведенной по новым стандартам, используются 3 жилы, при подаче однофазного напряжения, и 5 при трехфазном.
Провод, который выполняет функцию ноля (N, маркируют синим цветом), выходит из электрощита, проходит через ответвительную коробку и подключается к нолю светильника. Провод заземления (PE, обозначают желто-зеленым цветом) подсоединяется к проводу заземления осветительного прибора.

Прокладка электросетей по системе TN-S значительно повышает расходы на материалы, но уменьшает риски, связанные с эксплуатацией электротехнического оборудования
Схема подключения при наличии двух осветительных приборов
Конечно, первый вариант является популярным и простым в исполнении, поэтому повсеместно используется. Тем не менее, в комнате бывает два-три светильника или несколько лампочек, которые разделаются по группам, поэтому здесь уже не подойдет стандартная схема.
Если требуется выполнить монтаж при наличии двух групп осветительных приборов, то понадобится приобрести коммутатор с двумя клавишами, где имеется шесть зажимов.
Коммутатор с двумя клавишами, где имеется шесть зажимов
В остальном, по способу установки и оборудованию эта схема мало чем отличается от предыдущей. Тем не менее, здесь придется прокладывать больше электропроводки. Поэтому, чтобы сократить расходы на покупку проводов, рекомендуется проводник питания на первый в цепочке коммутатор подключать с перемычкой. Ведь иначе придется прокладывать отдельные проводники от распредкоробки.
Каковы возможности для использования система трех выключателей?
Применение проходных выключателей необходимо при выполнении ремонтных работ и в процессе замены электрической проводки. Их использование позволяет руководить процессом освещения без необходимости возвращаться в другую комнату. В комбинации с разновидностями устройств перекрестного типа, появляется возможность для управления системой освещения из соседних помещений.
Схема подключения проходного выключателя с 3х мест Legrand успешно применяется в частных домах. Функция изделия проходного типа заключается в управлении подключением фазы к центральному контакту патрона.
Применение такой схемы особенно удачно в длинном изогнутом коридоре. Вместо одного светильника можно установить несколько, разместить их по потолку, а выключатели расположить там, где это удобно хозяевам.
Заходите в помещение и включаете свет. Снимаете обувь, проходите в комнату и выключаете лампы. Схема подключения проходного выключателя с 3х мест «Шнайдер» поможет реализовать описанные возможности.
Таким образом можно осуществить включение и выключение света из нескольких мест, что иногда просто необходимо.
Выбор сечения проводников
Сечение жил кабеля зависит от нагрузки и способа прокладки. Многолетний опыт показывает, что сечения в 1,5 кв.мм по пропускной способности и механической прочности достаточно для 99+ процентов задач по организации освещения. Такой типоразмер стал определенным стандартом. Широкое распространение светодиодной продукции только подтверждает этот тезис – нагрузки в осветительных сетях не увеличиваются. Но если случай нестандартный, можно выбрать кабель по таблице.
| Сечение проводника, кв.мм | Допустимый ток, А | Допустимая нагрузка при 220 В, Вт | ||
| Медь | Алюминий | Медь | Алюминий | |
| 1,5 | 19 | – | 4100 | – |
| 2,5 | 27 | 21 | 5900 | 4600 |
| 4 | 38 | 29 | 8300 | 6300 |
| 6 | 50 | 38 | 11000 | 8300 |
Хотя правилами разрешено использовать и алюминиевые проводники, настоятельно рекомендуется применять только медную продукцию.
Дальше надо выполнить проводку – проложить кабельную продукцию в соответствии с выбранной схемой между всеми элементами. Лучше применять продукцию с нумерованными и маркированными по цвету изоляции жилами. Если такого кабеля нет, придется выполнить прозвонку проводников и маркировку жил самостоятельно. Кабели должны быть с небольшим запасом по длине в 10-15 см. По окончании этих работ можно приступать собственно к монтажу.
Характерные ошибки при подключении
Игнорирование маркировки и схем, нанесенных на выключатели, приводят к ошибкам при подключении, к неправильной работе схемы. Самая частая проблема, которая возникает, особенно при установке проходных выключателей, — пользователь неверно определяет расположение входящего контакта.
На разных устройствах он может быть расположен по-разному, поэтому маркировку необходимо читать обязательно. Все тонкости выбора проходных выключателей рассмотрены в этом материале.

Если не удалось определить точное расположение входящей клеммы, то устройство прозванивают мультиметром или индикаторной отверткой
При подключении перекидных перекрестных выключателей проблемы возникают, если парные провода от проходных устройств подсоединяют к клеммам, расположенным не на той стороне.
Чаще всего устройство предполагает перекрестное подключение.

Перед подключением нужно всегда проверять схему. Входные и выходные контакты перекидного выключателя могут располагаться по-разному
Полный автомат ввода резерва
Для того чтобы полностью автоматизировать процесс, необходимо нечто большее, чем 2 реле — полноценная система контроля. Такая система существует и называется АВР — Автоматический Ввод Резерва. Создаются подобные устройства на базе программируемых AVR контроллеров, имеют в своем составе множество датчиков обратной связи и регуляторов. Сделать такое оборудование самостоятельно сможет лишь квалифицированный специалист.
Но оснастить свой дом или любой другой объект подобным автоматом можно — они есть в продаже, хотя и стоят недешево. Зато список функций, выполняемых стандартным АВР, достаточно велик:
- Отключение потребителей от основного источника при пропадании в нем питающего напряжения.
- «Умный» запуск генератора с контролем неудачного старта.
- Вывод бензогенератора на рабочий режим.
- Подключение потребителей к линии генератора.
- Подсчет моточасов, контроль температуры двигателя, расхода топлива и пр.
- Контроль напряжения, частоты и тока с автоподстройкой режима работы генератора.
- Автоматическое переключение на основной источник при возобновлении штатного электроснабжения.
- Остановка бензогенератора.
- Зарядка аккумулятора стартера.
Сегодня купить блок АВР можно как в комплекте с бензогенератором, так и отдельно. Первый вариант, конечно, проще (узлы адаптированы и подключены друг к другу уже производителем), но финансово неоправдан, если генератор уже есть. В этом случае достаточно приобрести АВР, но перед покупкой обязательно проконсультируйтесь со специалистом о том, сможет ли конкретная модель автомата работать именно с вашим генератором. Структурная же схема подключения генератора с АВР в домовую сеть будет выглядеть примерно так:
Как подключить
В советские времена применение переключателя на три положения для электроснабжения многоквартирных домов было распространено и являлось повсеместным явлением. Тогда их устанавливали в распределительных щитах. Сейчас вместо таких устройств чаще используются автоматические. Если хозяин предпочел использование трехпозиционного трехфазного переключателя, его можно установить перед счетчиком электроэнергии, ведущим к щиту, чтобы можно было выключить квартирную сеть полностью, если возникнет такая необходимость. Также для усиления защиты сети от избыточной нагрузки или короткозамкнутого инцидента можно рекомендовать совмещенное использование обеих устройств.
Использование схем с тремя выключателями
Использование системы управления светом с тремя выключателями дает возможность включать и выключать освещение из любого удобного места. Проходные выключатели хорошо зарекомендовали себя на лестничных маршах, в больших комнатах, подъездах, а также во дворе или на приусадебном участке.
В длинных коридорах устанавливается несколько переключателей, в начале, в середине или в конце. Та же самая схема используется при наличии нескольких входов в различные помещения. То есть, в начале коридора свет можно включить, а в середине или в конце – выключить. Для того, чтобы осветительный прибор включался и выключался с трех разных точек помещения, необходимо использовать схему подключения с тремя проходными выключателями.
Как подключить проходные выключатели для управления освещением из нескольких мест? Схемы подключения и видео
Как уже было сказано выше, проходные выключатели предназначены для управления одной или несколькими группами освещения. Мы уже рассмотрели, как подключить проходной выключатель, и знаем, что управлять осветительными приборами можно из двух или более точек, но у каждой из таких схем имеются свои особенности.
Такое устройство, как выключатель, может выглядеть изящно и богато
В отличие от обычных одно, двух и трехклавишных коммутационных устройств, которые монтируются по одиночке, установку проходных выключателей выполняют только попарно. Далее мы рассмотрим, как выполнить схему управление группами освещения из двух и более мест и особенности подключения.
На видео наглядно показана схема подключения проходного выключателя:
Watch this video on YouTube
Принципиальная схема подключения проходного выключателя с 2-х мест
Подключение проходного переключателя практически не отличается от монтажа обычного 1, 2 или 3-х клавишного выключателя. Различие заключается лишь в количестве клемм и подводимых проводов.
Для реализации схемы подключения проходного выключателя с двух мест потребуется наличие двух коммутирующих устройств, распределительная коробка, в которую подводятся провода от осветительных приборов и трехжильные кабеля от переключателей.
Схема подключения проходного выключателя на 2 точки
Фазовый провод от распредкоробки присоединяется к общему входному контакту 1 проходного переключателя. Выходные контакты параллельно соединяются с аналогичными клеммами второго коммутирующего устройства. От общего контакта второго переключателя провод идет на клемму осветительного прибора. Другая клемма светильника проводом соединяется в распределительной коробке с «нулем».
Вот в принципе и вся схема подключения переключателей с двух мест. По-моему ничего сложно в этом нет.
Схема подключения проходного выключателя с 3-х мест
Иногда возникает потребность в создании более двух точек управления различными группами освещения, например, на лестницах многоэтажных домов, в больших залах, длинных коридорах с несколькими выходами и т.д. В таких случаях реализуется схема подключений проходных выключателей на 3 точки минимум.
Реализация схемы подключения проходного переключателя из трех мест актуальна в многоэтажных домах
Выполнить подобное подключение также можно без проблем, однако, для этого помимо обычных проходных переключателей потребуется и перекрестный выключатель. В таких коммутирующих устройствах имеется уже не три, а четыре контакта – пара входных и два выходных, которые переключаются одновременно, а соответственно необходимо использования четырехжильных кабелей.
В подобной схеме на первой и последней точке управления освещением применяются обычные проходные выключатели, тогда как на всех остальных пунктах задействуются перекрестные переключатели. Число мест управления группами осветительных приборов неограниченно, но с каждой дополнительной точкой осложняется расключение в распредкоробке вследствие большого количества проводов. Для облегчения работ необходимо промаркировать провода, чтобы впоследствии не запутаться в них.
Схема подключения проходных выключателей из 3 мест
Принцип подключения проходных выключателей для трех точек управления следующий:
- Выходные контакты первого проходного переключателя при помощи проводов соединяется с входной парой клемм, идущего следом перекрестного выключателя, и так далее вплоть до последней точки управления, общий провод которого присоединяется к контакту осветительного прибора. Фазовый провод присоединяется к входному контакту первого коммутирующего устройства, а второй провод, идущий от светильника, приходит на «нуль» в распределительной коробке.
- К каждому из проходных переключателей подводится трехжильный провод, а к перекрестным – четырехжильные.
На приведенной выше схеме изображено подключение к освещению трех точек управления, состоящих из двух проходных и одного перекрестного выключателей.
Схема подключения проходного выключателя с 4х мест
Разобравшись, с приведенными выше вариантами расключения, несложно будет осуществить реализацию схемы подключения проходного выключателя на 4 точки и более. Разница заключается во внедрении в цепь дополнительных перекрестных переключателей.
Принципиальная схема подключения проходных переключателей для 4 мест
Принцип работ практически ничем не отличается от предыдущих, просто придется иметь дело с еще большим количеством проводов, так, что совсем нелишним будет их промаркировать.
Переключатели на два направления: однополюсные, двухполюсные, одноклавишные
Переключатель на два направления (двухполюсный) также относится к электрическим коммутационным устройствам, как и обычный (однополюсный) выключатель. Но если последний позволяет только разорвать или соединить электрическую цепь, то переключатели могут оперировать несколькими соединениями. На рисунке ниже наглядно показаны их основные отличия.
Схематическое изображение различных коммутационных устройств
На рисунке показано:
- обычный выключатель и вариант его подключения;
- пример использования сдвоенного выключателя;
- подключение двухполюсного выключателя;
- коммутатор.
Заметим, что переключатели могут быть на два и более направлений, например, четырехполюсный или силовой трехфазный. О последних имеет смысл рассказать более подробно.
Проходные выключатели без распаечных коробок
Иногда возникает необходимость реализовать проходную схему освещения без распределительных коробок. Тут как говорится хозяин барин — это возможно.
Однако следует понимать, что при воплощении таких схем увеличивается количество жил в подрозетниках. Следовательно придется распутывать этот «клубок» и разбираться в назначении каждого проводника при замене выключателей.
Схема легко адаптируется на две точки или более трех. Также возможно добавление PE защитного проводника, для этого нужно добавить по 1 жиле в каждый из трех кабелей и соединить их в подрозетниках аналогично нулевым.
Как можно понять из схемы, вся разница в наличии нулевого провода в подрозетниках — он просто соединяется со следующим. В схему можно добавить проводник зазамления, соответственно в каждом кабеле должно быть на 1 жилу больше.
Что такое перекидной переключатель

Назначение перекидного переключателя – передача напряжения между двумя линиями или соединение нескольких сетей. Используя рубильник, можно исключить токовые утечки при авариях и быстро переключиться на целую линию. Переключение прибора производится при помощи рычага на лицевой панели, который приводится в 1-2 положения.
Оборудование устанавливается в щитовой комнате или возле щитка ввода.
Специфика устройства
Рубильник перекидного типа схож с двухпозиционным выключателем по принципу работы, но отличается повышенной мощностью и плавным ножевым приводом. Второе различие – процесс переключения с разрывом линии и работа в трех положениях:
- квартирная/домашняя сеть;
- выключение;
- запитка от генератора.
Схема подключения проходного выключателя
Устанавливая выключатель, необходимо подготовить место для него. Нужно помнить, что важна схема подключения устройства. Она позволит включать или выключать освещение с разных точек установки проходного выключателя. Порой это необходимая мера, а в целом, очень удобная система.
Например, если в квартире или доме есть большой коридор, а свет включается у входной двери. Со схемой двойного подключения не надо будет возвращаться назад, чтобы выключить освещение. В этом и секрет 2х кнопок. Также они активно используются на лестницах – в начале и конце пролета.
В просторной комнате, где установлено много приборов освещения, с проходными выключателями вы получите возможность управлять ими легко из любой точки. Если это спальня, часто применяют три проходных выключателя, с помощью которых можно обеспечить себе управление освещением с любой точки помещения.
Чтобы понять специфику схемы подключения проходных выключателей, нужно подробно ее рассмотреть. Для изготовления такого устройства нужны будут два выключателя
Очень важно, чтобы у каждого из них было 3 контакта и 2 положения для переключений
При этом режим выключателей имеет «перекидной характер». Это значит, что для двух контактов есть один общий. Он замыкается на каждом из них, в разных положениях. Все три контакта не могут быть замкнутыми одновременно. Перед тем как подключить проходной выключатель, нужно позаботиться о схеме.

- Схема проходного выключателя выглядит следующим образом:
- проводок соединяет источник света и специальную коробочку, а потом уходит к лампе
- другой проводок (он называется фазный) соединяет общий контакт выключателей
- контакты выключателей соединяют между собой (тут используется коробка)
- фазу подают с помощью контакта 2-го выключателя на 2-ой контакт светильника
Еще несколько слов о схеме: устанавливаем каждый прибор на свои места, от одного идет несколько кабелей. Затем нужно монтировать лампы (они будут идти параллельно друг другу). После этого монтируют коробку (при этом следует учесть размер кабеля и выбор удобных мест для установки коробки).
В нее нужно ввести кабель ламп собственно проходных выключателей и электропитания. Коробка позволяет соединить между собой проводки. Очень важен этап, на котором происходит выбор мест для подключения выключателя проходного.
Такие выключатели тоже имеют свои разновидности, как и обычные выключатели. Главный признак классификации – количество клавиш.
- Их может быть:
- одна;
- две;
- три.
Выбирают их в зависимости от мест расположения. Есть и более современные устройства – с сенсорным принципом подключения. Производители внедряют и инновационные разработки – это пример выключателя с дистанционной системой подключения, точнее с управлением на расстоянии.
Не все оценивают такое решение как рациональное, зачастую данный принцип проходного выключателя называют «данью моде», тем не менее, подобные инновации также активно используются. С точки зрения рационального подхода, вместо «дистанционки» используются просто два дублирующих друг друга выключателя.
Монтаж проходных электрических выключателей может занимать разное время – как правило, это несколько часов.
- Время установки проходных выключателей зависит от:
- модели и типа устройства;
- опыта мастера, который устанавливает проходной выключатель;
- особенности мест, где будет расположено устройство;
- сложную ли создали для выключателя схему подключения.
























































