Монтаж выключателей
Если тип проводки выбран, кабели с нужным количеством жил проложены и обустроены подрозетники при скрытой проводке, смонтированы накладки при открытой, то можно приступать непосредственно к монтажу выключателей. Для этого понадобятся инструменты:
- монтерские кусачки для укорачивания проводников;
- монтерский нож или съемник изоляции для зачистки концов жил;
- набор отверток для затягивания клемм, завинчивания метизов крепления и затягивания разжимных лепестков.
Возможно, понадобится и другой мелкий инструмент.
Первый проходной прибор можно установить на первом этаже дома у входной двери, второй – на втором у лестничного пролета, третий – на третьем также недалеко от лестницы. Тогда есть возможность, войдя в дом включить свет, а поднявшись на нужный этаж – отключить его. Кроме выключателей для такой схемы потребуется кабель для прокладки проводки, соединяющей выключатели.
Сначала надо частично разобрать выключатель – снять клавишу и декоративную рамку.

Схема частичной разборки электроприбора.
Далее надо укоротить проводники, торчащие из стены, до разумной длины – чтобы при установке выключателя они полностью убрались в выемку.

Обрезка проводов.
Укороченные жилы надо зачистить на 1-1,5 см, вставить в клеммы электроприбора и надежно зажать.

Выключатель с присоединенными проводами.
Далее аппарат надо аккуратно установить на предназначенное для него место и закрепить согласно его конструкции.

Крепление прибора саморезами.
Некоторые типы приборов требуют фиксации металлической рамки саморезами, некоторые – разжатия лепестков. Бывают аппараты, у которых совмещены оба типа крепления. После этого можно надевать декоративную рамку, устанавливать клавишу и переходить к следующему электроприбору. Перекрестный коммутационный элемент монтируется так же, как и проходной выключатель на 3 точки, но к нему подходят 4 проводника – по два с каждой стороны.
После окончания монтажных работ можно подать напряжение на схему управления и опробовать ее в работе.
Типы выключателя на 3 точки

Выключатели с трех мест представлены двумя типа изделий: проходными и перекрестными. Последние не могут использоваться без первых. По принципу работы перекрестные делятся на:
- Клавишные.
- Поворотные. Для замыкания контактов используется поворотный механизм. Представлены разнообразным дизайном и обойдутся дороже обычных.
С учетом монтажа перекрестные делятся на:
- Накладные. Монтаж производится поверх стены, не требует создания в стене выемки для установки блока. Если отделка помещения не запланирована, то такой вариант идеален. Вот только такие модели недостаточно надежные, ведь подвержены внешним факторам;
- Встроенные. Устанавливаются в стену, подходят для работ по разведению проводки во всех типах зданий. Предварительно готовится отверстие в стене по размерам коробки переключателя.
Проходной
В проходном выключателе в отличие от классической модели встроено три контакта и механизм, который объединяет их работу. Главное преимущество изделия – возможность проводить включение или выключение с двух, трёх или более точек. Второе наименование такого выключателя «перекидной» или «дублирующий».
Конструкция проходного выключателя с двумя клавишами напоминает два независимых друг от друга одноклавишных выключателя, но с шестью контактами. Внешне проходной от обычного выключателя не отличить, если бы не специальное обозначение на нем.
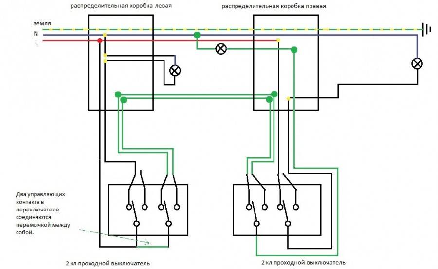
Схема подключение проводов проходного выключателя в распредкоробке

Схема без заземляющего проводника. Теперь самое главное это правильно собрать схему в распределительной коробке. В нее должны заходить четыре 3-х жильных кабеля:
кабель питания с автомата освещения распредщитка
кабель на переключатель №2
кабель на светильник или люстру

При подключении проводов удобнее всего ориентировать по цвету. Если будете использовать трехжильный кабель ВВГ, то у него наиболее распространены две цветовые маркировки:
белый(серый) – фаза
синий – ноль
желто зеленый – земля
или второй вариант:
белый (серый)
коричневый
черный
Чтобы подобрать более правильную фазировку во втором случае, ориентируйтесь на советы из статьи “Цветовая маркировка проводов. ГОСТы и правила.”
Сборка начинается с нулевых проводников. Соединяете нулевую жилу с кабеля вводного автомата и ноль отходящий на светильник в одну точку посредством клемм ваго.
Далее нужно соединить все жилы заземления, если у вас есть заземляющий проводник. Аналогично нулевым проводам “землю” с вводного кабеля объединяете с “землей” отходящего кабеля на освещение. Этот провод подключается к корпусу светильника.
Осталось правильно и без ошибок подключить фазные проводники. Фазу с вводного кабеля нужно соединить с фазой уходящего провода на общую клемму проходного выключателя №1. А общий провод с проходного выключателя №2 отдельным зажимом wago соединить с фазной жилой кабеля на освещение. Выполнив все эти подключения остается лишь соединить между собой второстепенные (отходящие) жилы с выключателя №1 и №2 между собой
Причем абсолютно не важно как вы их соедините
Можно даже перепутать цвета. Но лучше все же придерживаться расцветки, чтобы не запутаться в будущем. На этом можно считать схему полностью собранной, подавать напряжение и проверять освещение.
Основные правила подключения в этой схеме которые вам нужно запомнить:
- Фаза с автомата должна приходить на общий проводник первого выключателя
- Эта же фаза должна выйти с общего проводника второго выключателя на лампочку
- Два остальных вспомогательных проводника, соединяются между собой в распредкоробке
- Ноль и земля подаются напрямую без выключателей сразу на лампочки
Перекрестный
Перекрестные модели с 4 контактами, что позволяет одновременно подключить два контакта. В отличие от проходных, перекрестные модели не могут использоваться самостоятельно. Их устанавливают в комплекте с проходными, на схемах обозначают идентично.
Напоминают такие модели два спаянных одноклавишных выключателя. Специальными металлическими перемычками соединены контакты. Всего одна кнопка выключателя отвечает за работу системы контактов. При необходимости перекрестную модель можно сделать самому.

Принцип работы перекрестного отсоединителя
Проходной прибор включения и выключения света внутри имеет четыре клеммы — на вид такой же, как обычные выключатели. Такое внутреннее устройство необходимо для крестообразного соединения двух линий, которые будет регулировать выключатель. Отсоединитель в один момент может сделать расключение двух оставшихся выключателей, после чего их вместе соединяет. Результатом становится включение-выключение света.
Принцип работы и отличие от обычного выключателя
От обычного коммутационного прибора проходной переключатель отличается только наличием специфичной контактной группы – с перекидными контактами. Если обычный выключатель может только замыкать или размыкать электрическую цепь, то проходной может поочередно подключаться то к одной, то к другой линии. Поэтому он фактически является переключателем.

Отличие маршевого переключателя от обычного выключателя освещения.
В продаже доступны маршевые приборы в одноклавишном и двухклавишном исполнении. В первом случае схема проходного выключателя стандартна – одна клавиша управляет одной контактной группой. Во втором – две клавиши независимо управляют каждая своей системой контактов. То есть, в одном корпусе помещены два прибора, не связанные друг с другом ни электрически, ни механически.

Использование проходного прибора в качестве обычного.
При изучении работы перекидной контактной системы напрашивается вывод, что проходной переключатель можно использовать в качестве обычного – задействовав лишь два контакта (один подвижный и один неподвижный). Для этого надо подключиться только к двум клеммам. Такое включение можно использовать, если под рукой нет обычного включателя. Но специально делать установку перекидного прибора вместо стандартного нерационально – его стоимость выше.
Может возникнуть необходимость сделать проходной аппарат самостоятельно. Самый простой вариант – заменить его двухклавишым выключателем.
Проходной прибор из двухклавишного с раздельным управлением.
Из схемы видно, что из такого аппарата легко организовать перекидную контактную группу. Но есть существенный недостаток: манипулировать надо двумя клавишами, и придется их устанавливать в противоположное друг другу положение. Это неудобно и может привести к путанице. Одновременное включение или выключение к аварии не приведет – контакты будут просто дублировать друг друга. Но и желаемого эффекта это не принесет.
У некоторых двухклавишных аппаратов две контактные группы не объединены.
Двухклавишный коммутационный аппарат с раздельными контактами.
В этом варианте можно попробовать развернуть одну из контактных пар на 180 градусов (если это позволяет конструкция выключателя). После этого останется только соединить клавиши механическим способом, чтобы можно было манипулировать контактами одновременно (например, посредством клея). Получится полноценный проходной переключатель.

Перестановка контактной пары.
Проходной прибор из двухклавишного с объединенным управлением.
Можно соорудить переходной самодельный выключатель и из обычного двухклавишника с объединенными входами, но это потребует серьезной переделки контактной группы – обрезки, перестановки и т.д. Проще купить штатный аппарат или воспользоваться переключателем для производственного применения (кнопкой с фиксацией положения или тумблером), пожертвовав эстетикой.
Рекомендуем к прочтению: Устройство и принцип работы проходного выключателя
Полезные сведения
Ошибки при подключении
При этом этапе поиска и подключения основной клеммы в проходном выключателе совершают ошибку. Многие почему-то не проверяют схему и наивно полагают, что общая клемма – это та, где лишь один контакт. Если собрать схему таким образом, то переключатели будут неправильно работать, потому что все они зависят друг от друга. Помните о том, что на разных выключателях общий контакт может быть где угодно! Лучше всего его вызвонить «вживую», при помощи индикаторной отвертки или тестера. Чаще всего с такой проблемой можно столкнуться при замене или монтаже переключателей от разных фирм. Если ранее все работало, а после замены схемы перестала функционировать, значит, вы перепутали провода.
Еще может быть и такой вариант, что новый переключатель совсем не проходной
Также важно помнить о тои, что подсветку внутри изделия не может влиять на принцип переключений. Еще одной популярной ошибкой является неправильное подключение перекрестных провода, когда оба кабеля с первого проходного переключателя усаживают на верхние контакты, а со второго на верхние
Между тем у крестовых выключателей механизм переключений и схема несколько отличаются, и подключать провода требуется крест-накрест.
https://youtube.com/watch?v=3yLQJbjN8Eo
Недостатки
Первый недостаток заключается в том, что нет конкретного положения клавиш ВЫКЛ или ВКЛ, которые есть в стандартных. Если перегорела лампа и ее следует заменить, то при подобной схеме можно не сразу понять, включен свет или выключен. Будет неприятно, когда при замене лампа может попросту взорваться около глаз. В таком случае самым простым и безопасным способом будет отключение автомата освещения в щитке. Вторым недостатком является большое число соединений в распаечных коробках. Чем больше у вас световых точек, тем больше их количество в распределительной коробке. Подключение кабеля по схемам без распаечных коробок уменьшит число соединений, но может в несколько раз увеличить или расход кабеля, или число жил. Если у вас проводка идет под потолок, то потребуется оттуда опускать провод для каждого переключателя, а после поднимать вверх. Лучший вариант здесь – использование реле импульсного типа.
Известные производители проходных переключателей
Компания Легранд занимает лидирующую позицию на рынке электротоваров. Востребованность проходных выключателей Legrand обусловлена высоким качеством исполнения изделий, простотой монтажа, удобствами в дальнейшей эксплуатации, стильным дизайном и гибкой ценовой политикой. Единственным недостатком является необходимость в подгонке установочного места. Если оно не будет совпадать с изделием, могут возникнуть трудности при его монтаже, который выполняется согласно схеме подключения проходного выключателя Легранд.
Дочерним предприятием Легранд является китайская компания Lezard. Однако от родного бренда у изделий остался лишь стильный дизайн. Качество сборки намного ниже, что обусловлено низкой стоимостью продукции.
Одним из ведущих отечественных производителей электротоваров считается компания Wessen, которая является частью фирмы Schneider Electric. Все изделия изготавливаются по новейшим технологиям на современном зарубежном оборудовании и соответствуют европейским стандартам качества. Модели обладают универсальным стильным дизайном, позволяющим вписать каждый элемент в любой интерьер помещения. Отличительной чертой выключателей Wessen является возможность замены декоративной рамки без демонтажа устройства.
Еще одним не менее известным производителем является турецкая компания Viko. Изделия характеризуются высоким качеством исполнения, надежностью и долговечностью, соответствуют требованиям электробезопасности и европейским стандартам качества. При изготовлении корпуса устройства применяется пожаробезопасный прочный пластик, который рассчитан на большое количество циклов работы.
У проходного выключателя, в отличие от обычного, три проводимых провода. Турецкий бренд Makel предлагает качественную, надежную, безопасную и стильную продукцию. Благодаря возможности подключения шлейфа без надобности задействования распределительной коробки, монтаж выключателей становится более простым, а дальнейшая эксплуатация – комфортной и безопасной.
Применяемые коммутационные приборы
Для создания схемы переключателя освещения с 3 мест надо использовать три выключателя освещения, внешне похожих на обычные. Отличия находятся внутри.
Прибор проходного типа
Для построения заданной системы освещения будет нужен проходной одноклавишный выключатель. Он выглядит так же, как стандартный, но часто имеет маркировку в виде схематического обозначения лестничного пролета или стрелок, хотя и не всегда. Далеко не все производители, включая мировых лидеров электротехники, утруждают себя нанесением дополнительных значков. Потому что международные стандарты этого не требуют.

Фронтальный вид проходного коммутационного аппарата.
Принципиальные отличия находятся внутри аппарата. Их можно заметить сразу – вместо привычных двух клемм, проходной аппарат имеет три.

Тыльная часть проходного выключателя.
Это вызвано различием в устройстве контактной группы такого коммутационного прибора. Вместо двух контактов на замыкание/размыкание он имеет перекидную группу на переключение. В одном положении одна цепь замкнута, другая разомкнута. В другом – наоборот.

Схема работы в двух положениях клавиши обычного и проходного прибора.
Приборы проходного типа бывают также двух- и трехклавишного исполнения. В этом случае они управляют двумя и тремя группами контактов на переключение. Это свойство подобных коммутационных элементов используется для построения схем независимого управления светом с разных точек. Используя два таких аппарата, можно включать и выключать светильники из двух мест.
Прибор перекрестного типа
Чтобы построить схему независимого управления из трех точек, потребуется еще один тип выключателя – перекрестный (иногда его называют реверсивным). Маркировки для него не предусмотрено, поэтому с фронтальной стороны его от обычного не отличить.

Перекрестный выключатель, фронтальный вид.
Подобно предыдущему случаю, все отличия находятся внутри аппарата и визуально заметны с тыльной стороны – такой прибор имеет четыре клеммы и две контактные перекидные группы.

Тыльная сторона реверсивного электроприбора.
Схема любого перекрестного выключателя собрана так:
- перекидные контакты свободны и выведены на отдельные клеммы;
- нормально открытый контакт одной группы соединен с нормально закрытым другой группы, точка соединения выведена на клемму;
- нормально закрытый контакт одной группы соединен с нормально открытым другой группы, точка соединения выведена на клемму.
Схема соединения подвижных и неподвижных контактов перекрестного аппарата.
Если проанализировать работу такого выключателя, становится понятным происхождение термина «реверсивный» – он может быть применен для изменения полярности постоянного напряжения, что реверсирует, например, направление вращения двигателя постоянного тока. Для построения осветительной системы с управлением из трех точек понадобится один такой аппарат.
Так же, как и обычные приборы, проходные и перекрестные выключатели бывают накладного и внутреннего исполнения. Первые монтируют на плоскость, вторые – в специально обустроенную выемку в стене.
Обзор производителей проходных выключателей: популярные модели
Прежде чем купить проходной выключатель, стоит познакомиться с ведущими производителями, которые выпускают наиболее качественные изделия. В таком случае будет намного проще ориентироваться в ассортименте, предлагаемом профильными магазинами. К числу наиболее популярных брендов следует отнести:
- Legrand;
- Schneider Electric;
- ABB;
- Viko;
- Lezard.
Изделия, выпускаемые под перечисленными товарными знаками, отличаются высоким качеством сборки и длительным сроком службы. При сопоставимых технических характеристиках цена проходных выключателей может меняться в широком диапазоне. Предлагаем познакомиться со средними расценками, чтобы можно было намного проще делать выбор в процессе покупки.
Legrand: стоимость наиболее популярных моделей
При выборе проходного выключателя Legrand стоит четко представлять, для каких целей приобретается конкретной изделие, и какая схема подключения должна быть реализована. В каталоге производителя можно найти одно- и многоклавишные модели разного цвета и размера. Предлагаем познакомиться со средними ценами на проходные выключатели Легранд:
| Фото | Модель | Количество клавиш | Средняя стоимость, рублей |
![]() | Legrand Celiane | 1 | 300 |
![]() | Legrand 774308 Valena | 2 | 380 |
![]() | Legrand Kaptika | 1 | 180 |
![]() | legrand Etika | 2 | 200 |
![]() | Legrand Quteo | 2 | 120 |
Schneider Electric: стоимость наиболее популярных моделей
Под известным брендом Schneider Electric выпускаются качественные изделия, имеющие стильный современный дизайн. Такие устройства способны гармонично вписаться в любой интерьер. Доступность изделий с различным цветовым оформлением позволит подобрать модель с подходящим дизайном для любого помещения. Ознакомитесь со средними ценами на наиболее популярные модели:
| Фото | Модель | Количество клавиш | Средняя стоимость, рублей |
![]() | Schneider Electric Unica | 2 | 500 |
![]() | Schneider Electric Unica | 1 | 610 |
![]() | Schneider Electric Этюд | 1 | 230 |
![]() | Schneider Electric Sedna | 1 | 280 |
![]() | Schneider Electric Sedna | 2 | 500 |
![]() | Schneider Electric Glossa | 1 | 110 |
ABB: стоимость наиболее популярных моделей
Для изготовления переключателей АВВ используются высококачественные материалы. Такие изделия отличаются высоким качеством сборки и стильным дизайном. Независимо от выбранного стилистического оформления помещения всегда можно подобрать наиболее подходящий вариант для конкретного интерьера. В коллекции производителя можно найти подходящий вариант для классического интерьера и оформленного в стиле хай-тек. Предлагаем познакомиться со средними расценками на наиболее популярные модели:
| Фото | Модель | Количество клавиш | Средняя стоимость, рублей |
![]() | ABB Basic 55 | 1 | 310 |
![]() | ABB Zenit | 1 | 200 |
![]() | ABB STYLO | 1 | 570 |
![]() | ABB TACTO | 1 | 930 |
![]() | ABB TACTO | 2 | 1180 |
Viko: стоимость наиболее популярных моделей
Электротехнические изделия, выпускаемые под товарным знаком Viko, представлены в достаточно широком ассортименте. Благодаря этому можно подобрать подходящий вариант для помещения любого назначения и площади. Среди предлагаемых моделей можно найти подходящий вариант по стоимости и дизайну. Средние расценки представлены в таблице:
| Фото | Модель | Количество клавиш | Средняя стоимость, рублей |
![]() | Viko Carmen | 1 | 190 |
![]() | Viko Karre | 1 | 180 |
![]() | Viko Vera | 1 | 290 |
![]() | Viko Vera | 2 | 220 |
![]() | Viko Karre | 2 | 180 |
![]() | Viko Palmiye | 1 | 170 |
Lezard: стоимость наиболее популярных моделей
Производитель предлагает широкий модельный ряд изделий, среди которых всегда можно подобрать переключатель с подходящим стилистическим оформлением и подходящего цвета. Благодаря этому можно приобрести проходной выключатель, который сможет гармонично вписаться в интерьер квартиры, оформленной в определенной цветовой гамме. Стоимость изделия зависит от цветового оформления. Предлагаем сравнить стоимость изделий, имеющих одинаковый дизайн, но различное цветовое оформление:
| Фото | Модель | Количество клавиш | Средняя стоимость, рублей |
![]() | Lezard Мира белый | 1 | 200 |
![]() | Lezard Мира ольха | 1 | 330 |
![]() | Lezard Nata кремовый | 1 | 180 |
![]() | Lezard Nata белый | 1 | 150 |
![]() | Lezard Мира ольха | 2 | 270 |
Меры безопасности при работе с электропроводкой
Для осуществления работ по подключению электроприборов необходимо в обязательном порядке придерживаться требований инструкции для подключения выключателей по обеспечению электробезопасности.

До начала работ по установке выключателей и других электроприборов необходимо обесточить цепь подачи напряжения в ту часть квартиры, где будут осуществляться работы по коммутированию электроприборов.

Осуществить это действие необходимо на основном электрощите. Как привило, в многоквартирном доме это щит устанавливается на лестничной клетке в подъезде, а частном доме на установленном проектом месте.

На щитке размещается бирка «Не включать!», что будет предупреждением для соседей и домочадцев о проводимых работах. Перед началом работы проверить, что оголенные провода не находятся под напряжением. Проверка осуществляется отверткой с индикаторной лампочкой в работоспособности, которой не мешает удостовериться испытанием ее в исправной потребительской сети.


Подключение проходного переключателя
В первую очередь необходимо правильно подключить сам выключатель в подрозетнике. Снимаете клавишу и накладные рамки.
В разобранном состоянии можно легко увидеть три контактных клеммы.
Самое главное – это найти общую из них. На качественных изделиях с обратной стороны должна быть нарисована схема. Если вы в них разбираетесь, то можно легко сориентироваться по ней.
Если же у вас бюджетная модель, или для вас любые электрические схемы темный лес, то на помощь придет обыкновенный китайский тестер в режиме прозвонки цепи, или индикаторная отвертка с батарейкой.
При помощи щупов тестера попеременно касаетесь всех контактов и ищете тот, на котором тестер будет “пищать” или показывать “0” при любом положении клавиши ВКЛ или ВЫКЛ. Еще проще это сделать индикаторной отверткой.
После того как вы нашли общую клемму, на нее нужно подключить фазу с кабеля питания. На остальные клеммы присоединяете два оставшихся провода.
Причем какой из них куда, не имеет существенной разницы. Выключатель собирается и закрепляется в подрозетнике.
Со вторым выключателем проделываете ту же самую операцию:
ищите общую клемму
подключаете на нее фазный проводник, который будет идти на лампочку
на оставшиеся подсоединяете две другие жилы
Выбор, конструкция и отличия проходных выключателей
Прежде чем собирать такую схему управления вот на что следует обратить особое внимание:
- Для подключения проходного выключателя света необходим трехжильный кабель — ВВГнг-Ls 3*1,5 или NYM 3*1.5мм²
- Не пытайтесь собрать подобную схему на обычных выключателях.
Основное отличие обычных от проходных заключается в количестве контактов. Простые одноклавишные имеют две клеммы для подключения проводов (вход и выход), а проходные — три! 
На простом, цепь освещения может быть либо замкнута, либо разомкнута, третьего не дано.
Так как он, именно переключает цепь с одного рабочего контакта на другой.
По внешнему виду, спереди они могут быть абсолютно одинаковыми. Только на клавише проходного может присутствовать значок из вертикальных треугольников. Однако не перепутайте их с перекидными или перекрестными (подробнее о них ниже). У этих треугольнички смотрят в горизонтальном направлении.

А вот с обратной стороны сразу видна вся разница:
у проходного 1 клемма сверху и 2 снизу
у обычного 1 сверху и 1 снизу
Многие по этому параметру путают их с двухклавишными. Однако двухклавишные здесь также не подойдут, хотя и имеют тоже три клеммы. Существенна разница именно в работе контактов. При замыкании одного контакта у проходных переключателей автоматически происходит замыкание другого, а в двухклавишных такой функции нет. Причем промежуточное положение, когда обе цепи разомкнуты у проходного вообще отсутствует.
Проходной выключатель: принцип работы
Коммутационные аппараты на пару направлений или «проходные» выключатели относятся к приборам, замыкающим конкретную цепь в разных положениях.
При подключении к ним двух ламп, в одном из положений обеспечивается работоспособность первого источника света, а в другом – функционирование второго осветительного прибора.
Такие выключатели обладают тремя разъемами для подключения и, как правило, применяются в проходных схемах, если на одного потребителя необходимо выполнить подключение двух независимых выключателей.
Ценным достоинством проходного переключателя является возможность осуществлять управление работой любого количество светильников из нескольких точек. При этом, например, традиционными, самыми распространенными выключателями, выполняется простое прерывание электрической цепи посредством её размыкания.
Проходные одиночные устройства снабжены тремя контактами, что делает возможным их переключение. По своему принципу работы, такой коммутационный аппарат является системой на основе пары выключателей, монтируемых в самых удобных для эксплуатации местах. Благодаря такой особенности, потребитель может зажигать освещение с одного места, выключая его затем совсем в другой точке.
Если проходной выключатель снабжен несколькими клавишами и относится к категории многоклавишных, то количество контактов и переключающих схем многократно увеличивается, а управление может осуществляться для двух и более групп осветительных приборов.

Принцип работы проходного выключателя
Важно помнить, что основой принципа действия любых выключателей проходного типа является коммутационный процесс на базе реверсных проводников. Внутри распределительной коробки такие элементы объединяются при помощи стандартных клемм
На каждое коммутационное устройство должен идти питающего типа проводник, а второй выключатель, в этом случае, применяется для подсоединения проводного элемента на освещение.
Наличие фазы на двух проводниках предполагает обязательное применение исключительно трехжильного провода, а при установке осветительной системы на три точки управления потребуется использовать четырёхжильную проводку.
По способу управления, все выпускаемые в настоящее время коммутационные аппараты, относящиеся к «проходному» типу, как правило, представлены удобными в эксплуатации, клавишными устройствами.
Что такое проходной выключатель и как он работает
Правильнее всего это устройство будет назвать переключатель – выключатель он для пользователей скорее по привычке, так как используется он для включения-выключения освещения. Если называть его правильно, то намного проще понять, в чем он отличается от стандартных выключателей – это название наиболее полно отражает суть его воздействия на работающую электрическую цепь.
Как и у стандартного выключателя, у проходного есть только два положения, но принципиальная разница в том, что в обычном устройстве строго определено, к примеру, вверх – это включено, а вниз – выключено, а у проходного эти стороны постоянно меняются.
Понятнее всего принцип работы проходного выключателя становится при сравнении электрических схем – между ним и стандартным устройством, которое показано на рисунке:

Если обычный в разомкнутом состоянии просто разрывает цепь, то в случае с проходным все зависит от положения сразу двух переключателей:

Из схемы понятно, что у каждого из выключателей должно быть три клеммы – одна для фазы, которая идет от источника питания и две на «управляющие» провода. Когда у любого из двух переключателей меняется положение, то цепь либо замыкается, либо размыкается – в зависимости от того, в каком состоянии она находилась до этого.
Дополнительно можно сформулировать еще одно отличие между выключателем и переключателем – последний всегда можно подключить как простой выключатель, а сделать наоборот не получится. При ремонте такой цепи надо учитывать, что один из проводов между выключателями всегда находится под напряжением.
Фото подключения проходного выключателя

































Также рекомендуем просмотреть:
- Как выбрать и установить электрический распределительный щит
- Виды распределительных коробок для электропроводки
- Какие кабельные стяжки выбрать
- Как выбрать лучший дверной звонок
- Какой силовой кабель лучше выбрать
- Назначение и принцип работы дифференциального автомата
- Разновидности и схемы подключения ТВ-розетки
- Для чего нужна термоусадочная трубка
- Какой терморегулятор для теплого пола лучше выбрать
- Как выбрать и подключить двойную розетку
- Инструкция, как подключить розетку своими руками
- Схема подключения выключателя
- Как подключить двойной выключатель
- Лучший светильник с датчиком движения для дома
- Какой счетчик электроэнергии лучше выбрать
- Как выбрать и установить подрозетник
- Компьютерные розетки RJ45
- Какой должна быть высота установки розеток
- Как подключить розетку с заземлением
- Лучшие стабилизаторы напряжения для дома
- Как выбрать и настроить розетку с таймером
- Как подключить телефонную розетку самостоятельно
- Как выбрать люминесцентный светильник
- Выдвижные и встроенные розетки
- Как выбрать лучший галогенный прожектор
- Какой светодиодный прожектор выбрать
- Лучшие пластиковые короба для электропроводки
- Что такое умная розетка
- Что такое УЗО и как оно работает
- Обзор современных сенсорных выключателей
- Выбор и установка одноклавишного выключателя
- Правильный выбор автоматического выключателя
- Выбираем лучший крепеж для проводов
- Виды гофр для электрических кабелей
- Как выбрать точечный светильник для натяжных потолков
Основные выводы
Проходной коммутатор позволяет включать и выключать электроосветительные приборы из разных помещений. Внешне он может не отличаться от обычных моделей. Однако внутреннее устройство и принцип действия у них существенно различаются. Элементарная схема содержит всего два парных выключателя для одной лампы. Ее можно монтировать на лестничном марше и в любом другом месте. Более сложные системы могут включать устройства с двумя, тремя и большим количеством клавиш. Они позволяют управлять соответствующим числом светильников.
Если возникает необходимость включения/выключения из трех и более мест в помещении одной или нескольких независимо установленных ламп, в схему между проходными коммутаторами следует добавить один или несколько перекрестных включателей. Чтобы избежать ошибок в монтажных работах, необходимо найти общие клеммы на переключателях с помощью тестера (при условии, если они не обозначены заводом-изготовителем).
Предыдущая
Освещение в квартиреКак подключить две лампочки или два светильника к одному выключателю
Следующая
Освещение в квартиреКак самому сделать подсветку ступеней лестницы



















































































