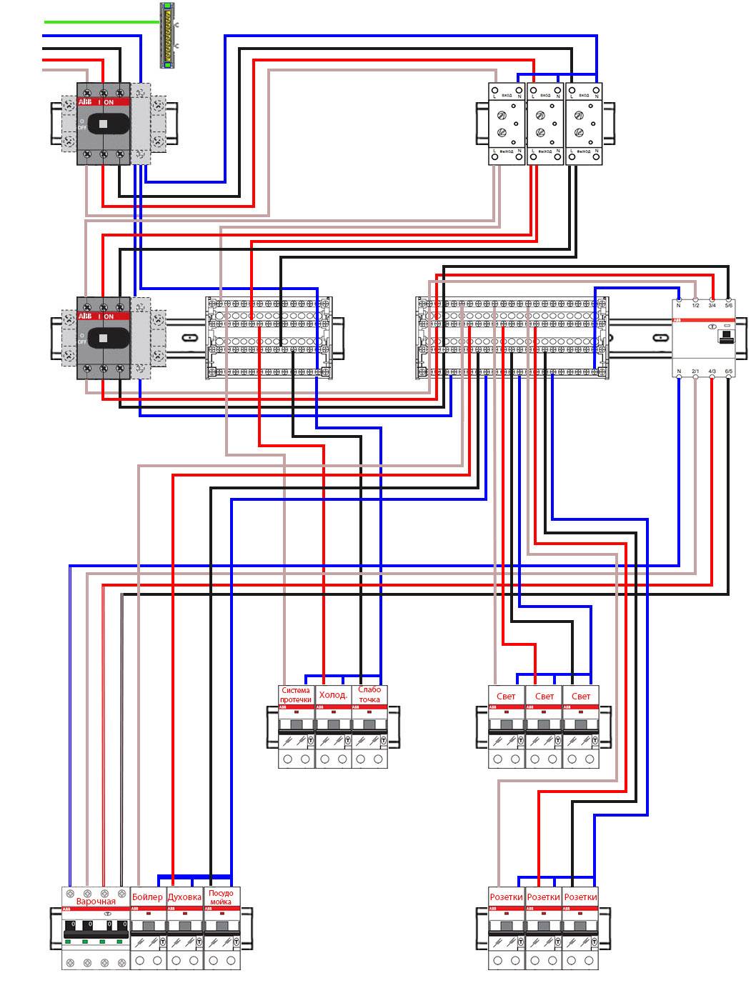
Последовательность правильного монтажа электрического щита
Для того, чтобы электрощит в доме был смонтирован правильно, следует использовать только качественные электротехнические изделия, а также расходные материалы. Только после окончания монтажа, в щиток подводят рабочее напряжение.

Правильная сборка трёхфазного электрощита имеет следующую последовательность:
Установка вводного автомата. Номинал устройства должен охватывать максимально потребляемую мощность. Так как в дом будут заведены 3 фазы, напряжение между которыми составит 380 В, то необходимо устанавливать трёхполюсный автоматический выключатель. Не рекомендуется для экономии средств монтировать 3 однополюсных автомата и соединять их специальной планкой. Вводной автомат устанавливается в левом верхнем углу щита и соответственно маркируется.
После вводного автомата необходимо установить УЗО. Номинал устройства должен соответствовать номиналу вводного выключателя
Также следует обратить внимание на ток отсечки — чем меньше этот показатель, тем быстрее УЗО отключит сеть. Существуют дифференциальные автоматы, включающие в себя защитные функции от короткого замыкания и отключение сети при возникновении тока утечки (УЗО и стандартный выключатель)
Использовать такое изделие проще, но его стоимость достаточно высока.
Правее УЗО, на небольшом расстоянии, монтируют нулевую шину. Современные шины предусматривают между медной планкой и корпусом щита пластиковый диэлектрик. Выполняется это для того, чтобы в случае отгорания нуля и попадания на него фазы, электрический щиток не оказался под опасным для жизни напряжением.
На планке с вводным автоматом, УЗО и нулевой шиной также могут быть размещены измерительные приборы и реле напряжения. Если монтировать вольтметр и амперметр в трёхфазную сеть, то необходимо выбирать изделия, отображающие как линейную, так и фазную нагрузку. А также способные показывать данные на каждой фазе отдельно.
На нижней DIN-рейке расположены автоматические выключатели силовых и осветительных линий. Чтобы не запутаться и постоянно не смотреть на номинал автоматов, изделия осветительной линии следует расположить на небольшом расстоянии от силовых выключателей.
После сборки щита его можно монтировать к стене и подключать провода от потребителей к автоматам. Пример схемы электрощита, количество автоматов может меняться в зависимости от желания хозяина.

Если щит учёта электроэнергии напряжением в 380 В расположен не на улице, то перед вводным автоматом монтируют сначала его. Но установка прибора контроля за расходом электроэнергии в доме неудобно, так проверяющие лица (для экономии времени и отсутствии хозяев) должны снимать показания на улице.
Подключение по трехфазной схеме
В первую очередь требуется подготовить всю необходимую документацию. Она включает в себя технические условия эксплуатации, которые выдаются организацией – поставщиком электроэнергии. На основании технических условий осуществляется составление проектной документации на электроснабжение объекта.

Вам понадобятся следующие документы:
- Договор с энергоснабжающей организацией.
- Акт осмотра имеющегося электрооборудования.
- Заключение лабораторного исследования схемы, предназначенной для конкретного объекта.
- Акт разграничения электрических сетей по балансовой принадлежности.
В составляемом проекте учитываются особенности дальнейшего потребления электроэнергии. Все потребители разделяются на группы, которые включают в себя розетки и систему освещения. Каждая группа может быть отдельно выключена, если требуется провести ремонтные работы. В это время другая группа продолжает использоваться, не доставляя хозяевам излишних неудобств.
Для всех групп выполняются расчеты максимальной мощности потребления электроэнергии. В соответствии с этим выбирается и наиболее оптимальное сечение проводников. Как правило, линии освещения прокладываются кабелем, сечение которого составляет 1,5 мм2, а для розеток необходимо уже не менее 2,5 мм2. Каждая группа подключается к автоматическим защитным устройствам, исключающим возгорание проводки в случае короткого замыкания.

Таким образом, при наличии проекта подключения можно выполнить расчеты потребности в материалах, приборах и оборудовании, а также заранее определить размеры электрощита. На прилагаемых схемах отмечаются все места, где располагаются выключатели, розетки, стабилизирующие устройства и другое стационарное оборудование.
Непосредственное подключение может выполняться подземным или воздушным способом. Как правило, в частных домах используется второй вариант, имеющий ряд существенных преимуществ. В этом случае можно воспользоваться любыми схемами подключения, при минимальных затратах времени на выполнение работ. В процессе дальнейшей эксплуатации воздушные линии значительно легче ремонтировать. Большое значение имеет стоимость подключения, которая гораздо ниже, чем при использовании подземной прокладки кабельной линии.
При выполнении воздушного подключения следует учитывать расстояние от дома до столба, которое не должно превышать 15 м. В том случае, когда расстояние больше указанного, требуется установка дополнительного столба. За счет этого исключается сильное провисание или обрыв провода при негативном воздействии внешних факторов
Также следует обратить внимание на то, чтобы провода не создавали помехи пешеходам и транспортным средствам. Высота крепления трехфазной линии составляет не менее 2,7 м и более
Сами провода устанавливаются на специальных изоляторах, а уже потом они от столба подводятся к силовому щиту.

Силовой щит рекомендуется устанавливать на фасад здания, далее провода идут уже от него по всем помещениям. При наличии электрифицированных пристроек, питающая линия подводится к ним также от щитка. Для подключения и учета потребленной электроэнергии необходим трехфазный счетчик. В основном используются устройства прямого включения, принцип работы которых напоминает однофазный счетчик. В этом случае требуется всего лишь правильно соблюдать схему подключения устройства, размещенную на его задней крышке или в техническом паспорте.
В некоторых случаях в частном доме может использоваться схема полукосвенного включения трехфазного счетчика. Схема подключения дополняется трансформатором напряжения. Для оплаты потребленной электроэнергии показания прибора нужно умножить на коэффициент трансформации, указанный на трансформаторе.
Последовательность правильного монтажа электрического щита
Для того, чтобы электрощит в доме был смонтирован правильно, следует использовать только качественные электротехнические изделия, а также расходные материалы. Только после окончания монтажа, в щиток подводят рабочее напряжение.

Правильная сборка трёхфазного электрощита имеет следующую последовательность:
Установка вводного автомата. Номинал устройства должен охватывать максимально потребляемую мощность. Так как в дом будут заведены 3 фазы, напряжение между которыми составит 380 В, то необходимо устанавливать трёхполюсный автоматический выключатель. Не рекомендуется для экономии средств монтировать 3 однополюсных автомата и соединять их специальной планкой. Вводной автомат устанавливается в левом верхнем углу щита и соответственно маркируется.
После вводного автомата необходимо установить УЗО. Номинал устройства должен соответствовать номиналу вводного выключателя
Также следует обратить внимание на ток отсечки — чем меньше этот показатель, тем быстрее УЗО отключит сеть. Существуют дифференциальные автоматы, включающие в себя защитные функции от короткого замыкания и отключение сети при возникновении тока утечки (УЗО и стандартный выключатель)
Использовать такое изделие проще, но его стоимость достаточно высока.
Правее УЗО, на небольшом расстоянии, монтируют нулевую шину. Современные шины предусматривают между медной планкой и корпусом щита пластиковый диэлектрик. Выполняется это для того, чтобы в случае отгорания нуля и попадания на него фазы, электрический щиток не оказался под опасным для жизни напряжением.
На планке с вводным автоматом, УЗО и нулевой шиной также могут быть размещены измерительные приборы и реле напряжения. Если монтировать вольтметр и амперметр в трёхфазную сеть, то необходимо выбирать изделия, отображающие как линейную, так и фазную нагрузку. А также способные показывать данные на каждой фазе отдельно.
На нижней DIN-рейке расположены автоматические выключатели силовых и осветительных линий. Чтобы не запутаться и постоянно не смотреть на номинал автоматов, изделия осветительной линии следует расположить на небольшом расстоянии от силовых выключателей.
После сборки щита его можно монтировать к стене и подключать провода от потребителей к автоматам. Пример схемы электрощита, количество автоматов может меняться в зависимости от желания хозяина.

Если щит учёта электроэнергии напряжением в 380 В расположен не на улице, то перед вводным автоматом монтируют сначала его. Но установка прибора контроля за расходом электроэнергии в доме неудобно, так проверяющие лица (для экономии времени и отсутствии хозяев) должны снимать показания на улице.
Вариант 2

Данный вариант схемы по своей сути аналогичен с предыдущем вариантом. Тут только нет прибора учета электроэнергии и изображен 3-х полюсный автоматический выключатель для 3-х фазной нагрузки. Также тут изменено чередование однополюсных автоматов. То есть автоматы, подключенные к фазе «А» — это первый, третий и т.д. устройства. Чередование происходит через каждые два полюса. Тут так это показано для возможности использования 3-х фазной гребенчатой шины. Зубчики ее шины от одной фазы как раз имеют такое чередование. С ее помощью очень удобно соединять между собой несколько защитных устройств. Она исключает изготовления множества перемычек между ними.
Как подобрать кабель для сети
Для однофазного подключения понадобятся провода с тремя жилами, для трехфазного, – соответственно, с пятью
При разработке проекта очень важно выбрать кабель подходящего сечения (руководствуясь ПУЭ). Данный показатель можно узнать по специальным таблицам, в зависимости от силы тока
Предварительно вычисляется необходимый диаметр проводника. Делается это по формуле d=k×I+0.005. Здесь k – постоянный коэффициент для металла проводника. К примеру, для меди он равен 0,034. Буквой I обозначается сила тока.

Продают провода, используя в качестве системы измерения не диаметр, а сечение. Следовательно, далее нужно будет определить именно его. Для этого существует формула S=0.785×d2.
Предварительный расчет можно сделать, исходя из того, что на квадратный миллиметр медного провода может приходиться 10 А, алюминиевого – 7 А. На практике для розеток обычно используется провод в 2.5 мм2, а для освещения 1.5 мм2.
Однолинейная схема электроснабжения своими руками | ProElectrika.com
Графическое отображение схем электроснабжения
Схемой называется графическое отображение элементов той или иной конструкции, указанных на чертеже. Кроме того, бывают схемы электронных устройств, в том числе интегральных и изложения какого либо материала в упрощенном виде. Однолинейная схема энергоснабжения, например, частного дома, тоже не является исключением из основного определения.
Касательно термина «однолинейная схема электроснабжения» понимается графическое изображение трех фаз питающей сети и соединяющих различные электрические элементы в виде одной линии. Это введение условного обозначения значительно упрощают и делают не громоздкими схемы электроснабжения. По определению электрическая схема является документом, содержащим в виде обозначений и изображений составные элементы изделий, принцип действия которых основан на использовании электрической энергии и их связи между собой. Правила, согласно которым выполняются все виды электрических схем, в том числе и однолинейная схема электроснабжения, определены ГОСТ 2.702-75, а выполнение схем цифровой электроники и вычислительной техники определяются ГОСТ 2.708-81. Условное отображение трехфазного напряжения питания, для примера, приведено на рисунке «а», а его упрощенное отображение, которое и явилось причиной появления однолинейных схем отображено на рисунке «б».
Кроме того, чтобы визуально отобразить на схемах трехфазное подключение, используют несколько обозначений, таких как перечеркнутая линия с цифрой «3», расположенной рядом с вводом или выводом проводки, и прямая линия, перечеркнутая тремя косыми отрезками. Для однолинейных схем электроснабжения обозначения приборов, пускателей, контакторов, выключателей, розеток и прочих элементов применяют согласно ГОСТ и европейских правил конструирования, проектирования и монтажа электроприборов.
Линейная схема электроснабжения, примеры которой приведены на рисунках 1 и 2, отображает простейшее соединение и взаимодействие элементов освещения, силового питания и розеток для бытовой техники.
Промышленные схемы обеспечения электроэнергией предприятий и подключения оборудования не имеют принципиальных различий с однолинейной схемой электроснабжения частного дома или другого сооружения.
Виды схем электроснабжения
При проектировании систем электроснабжения различают схемы эксплуатационной ответственности, балансовой принадлежности, исполнительные и расчетные, которые призваны отобразить как планируемые работы, так и существующую систему или разделение систем по потребителям с целью установления границ безопасности.
Исполнительная схема электроснабжения
представляет собой документ, составленный на действующем объекте, отображающий текущее состояние сетей, приборов, входящих в эти сети, и рекомендации по устранению недостатков и дефектов, если таковые были выявлены в результате проведения соответствующего комплекса мероприятий.
В случаях проектирования новых строительных объектов составляется расчетная установочная схема. Такой элемент строительного проекта включает в себя структурную электрическую схему, функциональную электрическую схему, монтажную электрическую схему, а при необходимости кабельные планы и принципиальные электрические чертежи. Кроме того, если составляется, например, схема электроснабжения коттеджа, то в соответствии с последними тенденциями загородного строительства в нее включается проект пожарной безопасности.
Структурные схемы
представляют общую информацию об электроустановке, выраженную в указании взаимосвязей силовых элементов, таких как трансформаторы, распределительные щиты, линии электропередач, точки врезки и прочее.
Функциональные схемы
выполняются в основном для абстрактной передачи функций механизмов, к которым выполняется электроснабжение, их взаимодействие между собой и влияние на общую обстановку с точки зрения безопасности. Применяют такие проекты в основном при проектировании промышленных объектов с высокой наполняемостью площадей машинами, механизмами и оборудованием которые на схеме могут быть обозначены любым способом удобным проектировщику. Кроме того в этих документах часто не указывают размеры объектов, и они не являются планировочными документами.
Принципиальные схемы
принято выполнять в соответствии с ГОСТ и стандартами, действующими в странах не входящих ранее в состав СССР. Стандарты, действующие в мировом сообществе, отвечают требованиям национальных производителей согласованных с государственными органами. К ним относятся стандарты IEC, ANSI, DIN и другие.
Составление и согласование проекта
Проект внутренней электропроводки для частного дома состоит из:
- расчета мощности, вводных устройств и требуемого сечения проводов;
- расчета систем заземления и молниезащиты;
- схемы разводки электропроводки;
- плана расположения в здании кабельных линий и силового оборудования;
- сметы на расходные материалы.
Делается такой полноценный проект внутридомовой проводки только по договору в специализированной компании с лицензией. Если его потом придется согласовывать у поставщика электрической энергии, то выполненные самостоятельно чертежи и расчеты приняты к рассмотрению не будут.
Самому можно сделать лишь электрическую и/или монтажную схему, которые облегчают работы при выполнении монтажа электропроводки своими руками. В них схематично указываются аппараты защиты и линии проводов, чтобы упростить себе составление сметы и сборку всей системы.
Схема монтажа электропроводки в доме
Выбор фаз
Одним из наиболее важных моментов проекта и схем проводки является тип входного напряжения. Здесь особо анализировать, как, например, многочисленные плюсы и минусы свайного фундамента, не придется. Оно может быть однофазным либо трехфазным, на 220 либо 380 Вольт. При выборе исходить надо из имеющихся возможностей питающего трансформатора (что смогут дать энергетики) и потребляющего ток электрооборудования.
В остальных ситуациях, когда частный дом по площади не превышает 100 квадратов и в нем нет электрических водонагревателей, можно обойтись обычными однофазными 220 В. Требования к трехфазной электропроводке выше. Стоит она дороже, а нужна далеко не всегда. При этом надо учесть, что 380 В на трех фазах могут потребоваться в будущем. И тогда придется согласования начинать сначала. Здесь необходимо все взвесить и предусмотреть заранее.
Как рассчитать мощность потребления при разводке
Для расчета общей мощности потребления и необходимой для этого электропроводки дома необходимо просуммировать киловатты всех бытовых и осветительных приборов в жилище. Данные параметры есть в техпаспортах на оборудование и в специальных таблицах. Плюс сюда добавляются пусковые нагрузки и 20% про запас.
Самыми энергоемкими в коттедже являются проточные нагреватели воды (около 4–5 кВт), электроплиты с духовкой (до 3 кВт), электрообогреватели (1,5–3 кВт), пылесосы (около 1,5 кВт) и стиральные машинки (порядка 2–2,5 кВт). Немало потребляет также вентиляция в частном доме, если она сделана приточно-вытяжной и с подогревом воздуха без рекуператора.
Средняя мощность потребления бытовой техники
Для света, особенно если он светодиодный, требуется относительно немного (до 0,5 кВт). Приблизительно также мало сейчас потребляют телевизоры, компьютеры и иная используемая в быту техника. Но все это обязательно надо учесть и сложить, чтобы вычислить суммарную мощность коттеджа. Она нужна, чтобы получить ТУ и рассчитать сечение электропроводки.
Как рассчитать пропускную мощность электрической проводки
Группы потребителей
Чтобы нагрузка во внутридомовой сети распределялась равномерно, на схеме разводки проводов потребители разбиваются на несколько групп. Например, одна идет на уличное освещение придомового участка, вторая на хозпостройки, третья на осветительные приборы в коттедже и четвертая на розетки в нем. Если дом большой, то такая разбивка может производиться по этажам и помещениям.
Основные группы потребления
На каждую отдельную линию ставятся свои автоматы и УЗО (устройства защитного отключения). Это повышает безопасность эксплуатации домовой электросети и упрощает поиск проблемных точек в системе при срабатывании защиты. На схеме разводки электропроводки должны быть указаны все защитные аппараты и потребляемый ток на контуре, который запитан с каждого из них.
Групповое УЗО и провода по сечению за ним подбираются так, чтобы соответствовать потреблению конкретной группы. На мощное оборудование рекомендуется выделять свою линию питания, а на остальных количество потребителей не стоит делать выше 5–6 розеток. Лучше заложить в проекте их больше, но с меньшим риском перегорания жил из-за длительных перегрузок.
Вариант 4

Вот в данном варианте уже можно немного запутаться с подключением нулевых рабочих проводников, так как тут стоит несколько УЗО. А мы знаем, что у каждого УЗО должна быть своя индивидуальная нулевая шина, иначе ничего работать не будет.
В текущей трехфазной схеме на вводе стоит уже противопожарное селективное УЗО на 300 мА. Оно будет защищать кабели от возгорания при замыкании фазы на землю. Для человека ток 300 мА уже опасен и поэтому для его защиты нужно ставить дополнительное УЗО на 10-30 мА.
Ниже на рисунке показано одно УЗО с током утечки 30 мА только на первой фазе, к которому подключено два автоматических выключателя. У этого УЗО будет своя нулевая шина и поэтому нулевые рабочие проводники от других групп к его шине подключать нельзя. А шина заземления всегда и для всех потребителей будет одной общей.
В текущем варианте можно рассмотреть схему с установкой трех 2-х полюсных УЗО по одному на каждую фазу. Так все группы будут иметь защиту от утечек тока. Тогда здесь можно будет отказаться от общего вводного УЗО на 300 мА, так как у вас и так все будет иметь защиту с уставкой 30 мА.
Сборка на дифф.автоматах
Преимущества:
каждая линия защищена как от КЗ, перегрузок, так и от утечек. И все это одни аппаратом.
проще установить проблемную зону при повреждениях
отсутствуют нулевые шины
у вас полная свобода в группировке аппаратов в щите
легко распределять нагрузку по фазам
большие габариты щита и большое количество модульных устройств (от 72шт и более)
очень дорого
Дифференциальный автомат это оборудование, которое ставится на отдельную линию, как обычный автомат, но еще включает в себя и защиту от утечек (дифф.защиту).
Это хоть и самый лучший вариант, но и самый дорогой. Поэтому используется крайне редко.
Общая сумма такой сборки может достигать 200 тысяч рублей.
Условно говоря, сколько у вас будет отходящих групповых линий, столько же понадобится дифф.автоматов.
При этом, чтобы при возможных авариях понять, от чего отключился такой автомат, от утечки или КЗ, рекомендуется использовать модели с индикацией причины срабатывания.
В начале схемы монтируется вводное устройство – рубильник. С него пускаете питание на реле напряжения.
Далее, через кросс-модули разделяете нагрузку на диффы. На каждый автомат пускаете по одной фазе.
Если в последствии окажется, что та или иная линия перегружает какую-либо из фаз, вам достаточно на одном из кросс модулей просто поменять их местами, перекинув провода с одной шинки на другую.
Если вы не ограничены бюджетом, то это самый лучший вариант сборки и комплектации трехфазного щитка.
Проектирование электрической сети
На основе схемы для частного дома при подготовке рабочего проекта электрической сети потребуется рассчитать нужное количество групп, а затем распределить потребители
Кроме того, важно определиться со способами монтажа линии и подсчитать возможную нагрузку на все подключенные к ней приборы
Выбор способа монтажа электропроводки
Начнем с выбора способа монтажа электрической сети. Электропроводка частного дома может быть выполнена открытым и скрытым способом. И от правильного выбора зависит не только количество групп, сечение проводов и суммарная стоимость монтажа, но и внешний вид всего дома.
На фото открытая электропроводка в деревянном доме.
Итак:
- Прежде всего отметим, что любой вид монтажа проводки может быть реализован в доме любой конструкции и из любых строительных материалов. Вопрос только в стоимости монтажных работ. Мы не будем приводить нормы монтажа для разных видов проводки в разных условиях. Эту информацию вы можете найти в других статьях на нашем сайте. Остановимся только на общепринятых нормах.
- Открытая проводка нашла широкое применение в домах из горючих материалов. В первую очередь это дерево, СИП панели и другие виды горючих стройматериалов. Для таких домов цена монтажа открытой проводки зачастую значительно ниже. Скрытая же проводка потребует немалых финансовых вливаний, а ее монтаж трудоемок.
- Скрытая проводка применяется преимущественно в домах их кирпича, пеноблоков и других не горючих материалов. Ведь такой вид проводки позволяет полностью скрыть инженерные сети, в то же время в домах из не горючих материалов она не предъявляет особых требований.
Расчет суммарной нагрузки дома
На следующем этапе проектирования вам необходимо рассчитать суммарную нагрузку по дому и по отдельным электроприемникам. Это необходимо для последующего формирования групп.
- Для этого нам прежде всего необходимо определиться с количеством электроточек и их максимальной потребляемой мощностью. Это зачастую становится самой серьезной проблемой для не профессионалов, но де-факто в этом нет нечего сложного.
- Каждая розетка или выключатель в доме смонтирован для определённого электроприбора или группы электроприборов. Нам достаточно выбрать наиболее мощный из них и в дальнейшем вести расчет для него.
- Мощность электроприбора можно посмотреть в паспорте прибора. Так же ее может содержать инструкция по эксплуатации. Если у вас нет не того не другого, то примерную мощность вы можете узнать в нашей таблице.
Таблица мощностей электроприборов.
Но в большинстве случаев мощность приборов указывается в Ваттах, а нам ее необходимо перевести в Амперы. Для этого можно воспользоваться законом Ома — . Вообще это упрощенный вариант формулы, но для наших целей этого вполне достаточно. Исходя из этой формулы у нас получается, что электроприбор мощностью в 1кВт для сети напряжением 220В потребляет электрический ток примерно в 4,5А.
Распределение нагрузок по группам
После того как мы рассчитали суммарную нагрузку по дому и для каждой отдельной электроточки, мы можем приступать к непосредственному созданию групп.
Итак:
Согласно п.9.6 ВСН 59 – 88 номинальная мощность автоматических выключателей для питания групповых линий розеток и сети освещения не должна превышать 16А. Отталкиваясь от этого пункта распределяем наши нагрузки на отдельные группы.
Схема совмещенной электрической группы.
Так же стоит помнить, что электропроводка в частном доме самому монтировать не легко. Поэтому не стоит располагать разные электроприемники одной группы в разных частях дома
Обычно это 1 – 2 смежных комнаты
Еще одним аспектом на который стоит обратить внимание, это п.7.2 ВСН 59 – 88. Он требует подключение розеток на кухне и в жилых комнатах к разным группам
Достаточно часто в розеточную группу кухни включают и розетку в ванной комнате.
- В итоге у нас может получиться от 3 до 7 групп в зависимости от суммарной нагрузки. У некоторых может получиться более 10 групп. Но тут все уже зависит от размеров дома и количества электроприборов. Но согласно технических условий вводной автомат, который установлен на дом, редко превышает значения в 25А иногда 40А.
- Об этом следует помнить и при разделении нагрузки по группам своими руками. Ведь вероятность того, что все электрические приборы будут работать одновременно достаточно низка. Поэтому следует трезво подойти к этому вопросу и выполнить распределение более взвешенно с учетом такого фактора как коэффициент использования.
Простая схема подключения электрощита частного дома 15 кВт
Самый простой-бюджетный вариант сборки щита учета представлен ниже. Здесь используется лишь самые необходимые элементы:
2. Бокс пластиковый 3 модуля, с проушинами для пломбы
3. Трехполюсный Защитный автоматический выключатель, характеристика С25 (для выделенной мощности в 15кВт нужен именно этот номинал)
4. Прибор учета электрической энергии (счетчик) 3-фазный 380В
5. Блок распределительный коммутационный, возможностью подключения проводов сечением до 16мм.кв.
Простой щит учета, система заземления TT

Этот вариант чаще используется как временный, например, для подключения бытовки на время строительства, так как имеет мало средств защиты.
Для своего дома, в котором вы планируете постоянно жить, даже для дачного, я советую применять следующую сборку:
Подача заявки физического лица на техприсоединение
Первое о чем мы думаем, что делать и куда идти. А идти возможно никуда и не понадобиться. Наша задача сейчас подать заявку на технологическое присоединение в сетевую организацию, а сделать это можно в электронном виде. Сейчас каждая сетевая по закону обязана иметь на своем сайте личный кабинет по техприсоединению, так почему бы этим не воспользоваться?
Впрочем, не всегда и не везде все бывает гладко, поэтому не лишним будет знать, что подать заявку на техприсоединение физическое лицо может также очно или почтой
Здесь важно знать следующее: заявку нужно отправлять в ту сетевую организацию, объекты энергетического хозяйства расположены ближе всего к вашему участку. То есть, чьи “столбы” стоят возле нашего дома (даже если дома пока нет), в ту сетевую и обращаемся.
А что делать, если вокруг располагаются объекты сразу нескольких сетевых организаций? Вопрос далеко не праздный, поскольку такое порой встречается даже в небольших поселках, зачастую внося сумятицу в стройный жизненный уклад их жителей. В этом случае мы можем выбрать любую сетевую, при условии, что ее объекты расположены в пределах 300 метров от границ нашего участка.
Подавать заявление нужно по специальной форме — форме заявки физического лица на присоединение по одному источнику электроснабжения энергопринимающих устройств с максимальной мощностью до 15 кВт включительно. Заполнение этой бумаги порой вызывает определенные сложности, поэтому мы подробно рассказали об этом здесь.
Дальнейшее взаимодействие заявителя и сетевой организации по действующему законодательству осуществляется только через личный кабинет на сайте этой сетевой организации. После подачи заявки сетевая рассматривает ее в течение 3 дней, и если каких-либо документов или сведений не хватает, должна на об этом оповестить соответствующим Уведомлением. В течение 20 рабочих дней эти материалы нужно предоставить, иначе заявка будет аннулирована. Если с документами все в порядке, то сетевая организация в течение 10 рабочих дней обязана разместить в вашем личном кабинете следующие документы:
- Условия типового договора на ТП.
- Технические условия с перечнем мероприятий ТП.
- Инструкция с перечнем мероприятий по безопасному фактическому присоединению и потреблению для заявителя.
- Счет для внесения платы за ТП.
После размещения документов нам предстоит в течение 5 рабочих дней оплатить счет, что собственно по факту и будет означать заключение договора с сетевой организацией. Классический договор на бумаге заключать не нужно ни очно, ни заочно, поскольку такой порядок не предусмотрен законом. В течение одного рабочего дня после получения сведений об оплате счета сетевая обязана нас об этом уведомить .
Однофазное и трехфазное подключение
Между одно- и трехфазным подключением существует много различий технического плана. Так, например, подключение по трехфазной схеме осуществляется с использованием четырех или пяти проводов. Из них три являются фазными, по которым подается ток, а остальные два – это нулевой провод и заземление. В некоторых случаях для нуля и заземления используется один общий провод.
При подключении по однофазной схеме применяется два или три провода. Это соответствует фазе нулю и заземлению. Использование двух проводов означает, что ноль и заземление находятся на едином проводнике. Заранее зная количество фаз, можно сделать расчеты допустимой мощности и определить количество электрооборудования, которое может быть одновременно включено в сеть на каждой линии.
В случае однофазного подключения все подаваемое напряжение сосредотачивается на одной линии, что нередко приводит к перегрузкам. Толщина проводов на внутренних линиях домашней сети значительно выше тех, которые используются в трехфазной схеме. Это связано с более высокой нагрузкой, которая приходится только на одну линию. С учетом всех перечисленных факторов, при устройстве электроснабжения частного дома, предпочтение чаще всего отдается трем фазам.
























































