Подготовительные работы
Правильный монтаж любых элементов электрической системы предполагает подготовку. Для этого определяется расположение каждого элемента. Наружные устройства крепятся на поверхности стены и не требуют использования сложного инструмента. Для встраиваемых видов розеток и выключателей нужно проделать в стене отверстия соответственно размеру и форме детали. Также необходимо каналы для укладки проводов. Штробление борозд осуществляется при полной замене электропроводки и выключателей. После подготовки отверстий устанавливаются подрозетники.
Проектирование
Перед монтажом выключателей и розеток важно определить их расположение, место для распределительной коробки и другие существенные моменты. При этом учитывается расположение бытовых приборов
В жилом пространстве розетки и выключатели необходимы в каждом помещении.

На кухне используется множество розеток
Для наружного расположения
При размещении элементов снаружи стены используются специальные виды розеток и выключателей — накладные. Предварительно составляется план расположения всех деталей. Далее процесс монтажа включает в себя следующие этапы:
- на место для розетки или выключателя крепится на шурупы деревянная колодка из фанеры толщиной около 10 мм. Размер элемента должен превышать габариты розетки на 20 мм;
- с новой розетки следует снять верхнюю пластиковую коробку и удалить заглушку, прикрывающую место для провода;
- клемник прикручивается к колодке саморезами, а электрические провода соединяются.

Наружные розетки не требуют сложного комплекса работ
Для внутреннего расположения
Внутреннее размещение выключателей и розеток позволяет сделать их более компактными. При этом подготовительные этапы работ заключаются в штроблении борозд для кабеля, проделывании отверстий для подрозетников. Для этого используется перфоратор с подходящим сверлом «чашечного» типа. При этом глубина отверстия должна быть равна высоте стенок подрозетника.
Видео: монтаж подрозетников
При низком расположении устройств можно направить канал для провода вниз, при этом кабель далее прокладывается под плинтусом и нет необходимости штробления множества отверстий.

Кабель легко проложить по технологическому каналу
В отверстие устанавливается подрозетник, выводятся провода, к которым и крепится выключатель или розетка. В заключении фиксируется верхняя крышка.

Четкий размер отверстия позволяет легко монтировать деталь
Оформление розеток и выключателей
Внутренняя конструкция розеток и выключателей имеет единый принцип устройства. Особенно разнообразны эти детали по внешнему виду. Классическими являются модели с белым корпусом, но существуют и цветные варианты. Также при оформлении дизайна интерьера часто используются различные методы оформления элементов электрической системы.

Оригинальный декор легко замаскирует все элементы
Розетки и выключатели легко подобрать под однотонную расцветку стен. Если же такой вариант декора невозможен, то лучше всего оформить элементы необычным способом. При возможности розетки и выключатели прячутся за мебелью, предметами декора и другими деталями
При этом важно не допускать попадания внутри устройств посторонних деталей. Если в помещении проживают дети, то используются специальные заглушки и «шторки»
Конструктивные особенности
Полугерметическая и герметическая штепсельная розетка – это часть соединения, которое также включает в себя вилку, применяется для подключения отдельных бытовых приборов, выключателей и т. д. Конструктивно электрическая розетка состоит из колодки, защитного корпуса и рабочих контактов. Помимо этого, устройство также имеет корпус, который является основанием.

Фото – переходник
Колодка является самым важным элементом конструкции. Она производится из керамики, термопласта или специально обработанного поликарбоната. Для монтажа в жилых помещениях ранее использовались только модели с керамическими колодками, т. к. они отличаются отличными показателями защиты от огня, но вместе с этим, ломаются от малейшего удара. Поэтому сейчас в основном используются только пластиковые основания.

Фото – кабельная
В качестве рабочих контактов используются тонкие пластины из латуни, меди, бронзы. Они устанавливаются на колодку при помощи винтовых соединений, винта с шайбой, пружины (самый современный вариант). Подключения при помощи пружины являются наиболее удобными в использовании. В корпусе к пружине подключена кнопка, открывающая панель и контакты. При нажатии на кнопку пружина сжимается и открывается доступ к защитным и рабочим контактам.

Фото – описание схемы отвода, амперметра и лампы
Также контакты защищены специальными шторками для штепсельного соединения. Когда вилка входит в отверстия, они отодвигаются, предоставляя доступ к токопроводящим кабелям. Существуют модели с различными разъемами и их типами. В зависимости от вида может варьироваться их долговечность. Самые простые – пластинчатого типа, могут изнашиваться даже от ежедневных подключений – выключений приборов. Чтобы продлить их срок службы, шторки дополнительно укрепляются стальными кольцами, поперечными полосками латуни или стали.
Устройства классифицируются по типу установки, количеству входов и по виду разъемов (четырехпроводная телефонная, кабельная, классическая, антенная и прочие). По виду монтажа:
Внутренние являются более удобными в эксплуатации, т. к. устанавливаются вместе с контактами и распределительной коробкой в стену. Они устанавливаются только на скрытой проводке.
Внешняя или накладная розетка используется для открытой или наружной проводки. Она монтируется поверх стены, что значительно упрощает процесс установки. Но из-за наружного расположения не всегда удобны в быту.

Фото – двухместная модель
По количеству полюсов она бывает однополюсная (ANAM, Mosaic Legrand – Легранд), двухполюсная (Makel, ИЭК, Прима), трёхполюсная (евро ABB) и четырехполюсная розетка, но они встречаются в основном в Европе и США. В наших краях преимущественно для монтажа используется двухполюсная. Конечно, ранее можно было найти даже однополюсную, но сейчас они являются большой редкостью.

Фото – тройная
Отдельный вид представляет силовая и простая трехфазная или 3-полюсная. Она может изготавливаться с плоскими отверстиями для подключения вилки (евро) или классическими круглыми – к примеру, для включения в сеть электрической плиты.

Фото – с крышкой
Также розетки бывают:
- С одним вводом (одноместная);
- С двумя отводами, соединенными в одном подрозетнике (двухместная);
- Силовая трехфазная или 3-полюсная.
Однофазная или одинарная является самой популярной у простых обывателей. Она представляет собой корпус только с одним входом для вилки, удобна в монтаже и использовании. Сдвоенная или двойная применяется если нужно из одной электрической точки подключить несколько приборов. Это помогает экономить время на перенос проводов и во время монтажа системы. Похожий принцип работы и у трехместной розетки, только у неё в одном корпусе находится сразу три вывода для включения в электрическую сеть вилок.
Кроме этих конструктивных особенностей бывают штепсельные модернизированные розетки для выравнивания потенциалов, с защитными крышками (брызгозащищенная модель Schuko часто используется на кухне или в ванной комнате), устройство герметичного вида, приборная и прочие.
Видео: штепсельные вилки
Классификация
Штепсельные розетки отличаются по конструктивным особенностям, электрической схеме, числу колодок и иным параметрам. Рассмотрим подробнее каждый из признаков.
По типу конструкции
Конструктивно устройство бывает двух видов:
- Скрытой установки. Углубляется внутрь стены, а снаружи находится только внешняя часть с местом для вставки штепселя. Крепление узла происходит с помощью лапок, которые с одной стороны упираются в элементы устройства, а с другой — к основанию (к примеру, стене или установочной коробке). Для регулировки крепления применяется специальный винтовой зажим.
- Наружной установки. В отличие от рассмотренного выше вида, конструктивные элементы такого узла находятся снаружи. Для крепления применяются винты, удерживающие изделие на поверхности. Электрическая часть надежно защищена пластмассовым корпусом. В качестве дополнительных опций может применяться подсветка, крышка от детей, таймер выключения и т. д.
- Переносные. По сути, это удлинители, представляющие собой вилку и розетку, соединенную шнуром определенной длины.
По электрической схеме
Штепсельные розетки отличаются по наличию контакта, соединяющего металлическую часть электроприемника с заземлением.
Выделяется два вида:
- С заземлением (три контакта). Применяется в квартирах, домах или иных объектах, где имеется заземляющий контур с низким сопротивлением. Конструкция выполнена таким образом, чтобы заземление происходило раньше подачи напряжения на штепсельную вилку и само оборудование. Особенность обусловлена требованиями безопасности. Применяется для подключения оборудования с металлическим корпусом: стиральная машинка, электрические плиты и т. д.
- Без заземления. Их легко определить по наличию двух контактов. Здесь не предусмотрено заземляющего разъема, что снижает уровень безопасности при пользовании устройством. В случае попадании фазы на токопроводящий корпус человек может оказаться под напряжением.

По количеству колодок
Конструктивно штепсельные розетки отличаются по числу колодок для подключения.
Они бывают:
- Одноместные. Применяются для включения только одного прибора. Для увеличения числа разъемов можно использовать переноски или тройники.
- Двухместные и более. В таких электрических узлах возможно подключение двух и более приборов. Наиболее распространенный вариант — двух- и трехместные розетки.

По типу зажима провода
Важный момент при выборе — тип входных контактов.
Они бывают:
- Винтовые. Степень затяжки провода регулирует человек.
- Безвинтовые. Особенность — зажатие провода с помощью специальных пружин. Считаются более надежными, ведь в процессе эксплуатации степень сжатия не уменьшается от вибраций или других воздействий.
Дополнительные особенности
Кроме уже рассмотренных признаков, штепсельные розетки классифицируются и по другим параметрам:
- По количеству полюсов — двух и трех полюсные.
- С защитным контактом или без него. Особенность — наличие металлических элементов, соединенных с заземляющим контуром.
- По наличию шторок. Особенность — наличие специальных заслонок, защищающих детей от попадания напряжения. Открываются только при одновременном сильном нажатии на оба элемента.
- По материалу выходных и входных контактов. Изготавливаются из латуни или бронзы.
- Со свитч (RJ-45) и без него. В некоторых моделях предусмотрен разъем для подключения сетевого оборудования.
- По наличию тумблера. Конструктивно предусмотрен выключатель, с помощью которого можно подавать и снимать напряжение с контактных соединений.
- Для переносных ламп. Используется для подачи пониженного напряжения (12 В, 24 В) и имеет иную конструкцию во избежание ошибочного включения переносной лампочки в сеть 220 В.
- По наличию подсветки. В таких девайсах предусмотрен светодиодный источник света, упрощающий подключение в полной темноте. Часто устанавливаются в спальне, прихожей или гостиной.

Приведенная выше классификация позволяет понять многообразие и важность штепсельных розеток и быстрей определиться с покупкой
Установка розетки открытой проводки
Наружный тип проводки прокладывается по стеновой поверхности посредством разных вариантов фиксации. Основные преимущества такого способа представлены простотой ремонтных работ, отсутствием необходимости выполнять штробление, быстротой и легкостью монтажа.
Прокладка проводов и кабелей осуществляется:
- по стеновой или потолочной поверхности;
- с использованием коробов;
- с применением труб;
- внутри электрических наличников;
- внутри плинтусов.

Открытая проводка
Подключать несколько быстроразъемных конструкций можно параллельным шлейфом или так называемой «звездой» с использованием распределительной коробки.
Приборы накладного типа характеризуются наличием задней монтажной планки, имеющей специальные отверстия, облегчающие фиксацию конструкции.
Конструкция
Поскольку подключение потребителей к сети напряжением 380 вольт предусматривает использование трех фазных проводов (L1, L2, L3), а также нулевого (N) и защитного (PE) провода, то конструкция трехфазного разъема существенно отличается от двухполюсных устройств, предназначенных для подключения однофазных потребителей.

Нужно заметить, что термины «трехфазная» и «трехполюсная» не являются синонимами. Каждый полюс устройства представляет собой независимый путь прохождения электрического тока. Поэтому обыкновенная двухполюсная розетка на 220В, оборудованная заземляющим контактом, является трехполюсной.
Основными составными частями силовой розетки, рассчитанной на напряжение 380 вольт, являются:
- Основание корпуса.
- Защитная крышка.
- Механизм.
- Уплотнительное кольцо.
В настоящее время используются электрические трехфазные разъемы с четырьмя или пятью контактами игольчатого либо ножевого типа. Выбор той или иной модели такого оборудования осуществляется, исходя из особенностей подключаемого потребителя.
Для подключения трехфазных электрических двигателей в сеть 380В, а также прочих симметричных нагрузок может быть использован трехжильный провод. Для подсоединения потребителей, создающих несимметричную нагрузку, используется розетка с пятью выводами, оборудованная нулевым и заземляющим контактом.

Существуют также устройства на 380 вольт, имеющие 7 разъемов (каждая фаза имеет собственный ноль, а также общий заземляющий проводник), такие устройства применяются в помещениях, где необходимо обеспечить очень высокий уровень электробезопасности.
Незначительные изменения в конструкции трехфазных розеток могут быть внесены, исходя из их мощности, назначения, а также степени защиты от пыли и влаги. Существуют розетки с защитными шторками, наклонные на 380 вольт, устройства, оборудованные заглушкой, плоские, влагозащищенные и т.д.
Виды штекеров
Российское производство электрических приборов несколько отличается от европейского. Однако вилки имеют схожие особенности и внешний вид. Приспособления бывают разборными и неразборными.
- С5 — является аналогом европейского устройства СEE 7/16. Штыри изолированы на половину своей длины. Имеют округлую форму, их толщина составляет 4 мм. Максимальный ток нагрузки для штепсельного приспособления данного типа составляет 6 А. При этом выдерживает до 1300 Вт.
- С6 — похожа на европейский вариант СЕЕ 7/17. Эти устройства в свою очередь бывают двух и трехполюсные (без заземления и с ним). Диаметр округлых штырей составляет 4,8 мм. Максимальный ток нагрузки составляет 10 А, при этом параметре вилка выдерживает мощность до 2200 Вт.
- С1-b — оснащена круглыми штырями диаметром 4 мм. Заземляющий контакт отсутствует. Максимальный ток нагрузки составляет 6 А.
Типы изделий
Электророзетки, которые эксплуатируются в сети с напряжением 220 В, классифицируются на 4 типа:
- Советские. Разъемы старого образца, которые имеют плохой контакт из-за мягкой посадки вилки.
- Европейские. Обладают глубоким посадочным местом и круглым отверстием для вилки. Минус — тугая посадка, что затрудняет демонтировать вилку.
- Американские. Имеют тонкие прямоугольные прорези под пластинчатую вилку. Недостаток — плохой контакт.
- Универсальные. Обеспечивают возможность включить в нее американскую и европейскую вилки. Используются для импортного электрического оборудования.
Чтобы процесс эксплуатации электроприборов высокой мощности был безопасным для пользователя, специалисты советуют покупать розетки с заземляющим контактом. Предварительно необходимо выяснить, есть ли заземление в квартире, доме, офисе. Если на объекте не предусмотрен в разводке 3-й провод, надобность в разъеме с заземлением отпадает.
Для эксплуатации маломощных приборов можно воспользоваться розеткой без заземления. Специалисты считают, что отсутствие преднамеренного электрического соединения не сказывается на защите прибора, в отличие от безопасности потребителя. Если в доме есть бытовая техника, которая потребляет мощность в 300 Вт, лучше установить розетку с заземлением.
На различных объектах устанавливают внутренние и внешние электрические розетки. Для обустройства скрытой электропроводки подходят встраиваемые модели, а для наружной — накладные. Встраиваемая либо внутренняя розетка предусматривает укладку и место подключения проводков в стене. Её используют при обустройстве скрытой и наружной проводки. Дополнительно монтируется скрытый подрозетник. К этой категории специалисты относят выдвижные модели. Их монтируют в столешницы.
Дополнительная функциональность
С учетом дополнительных функций на рынке можно купить разъемы с разными возможностями. Розетка для защиты от детей при нажиме вилкой сдвигается в сторону. Влагозащитная rozetka ssd укомплектована крышкой. Изделие монтируется на улице, в ванной, так как крышка надежно защищает контакты от попадания воды.
Для автоматического управления предусмотрены разъемы с таймером двух видов:
- суточным — программирование работы розетки на 24 часа;
- недельным — программирование работы на неделю.
Мощность потребителей
Розетки электрические внутренние и внешние бывают специального назначения. На основе этого критерия принята классификация разъемов на следующие типы: для мощных потребителей продолжительной работы, а также монтируемые в щиток. К первой группе относят разъемы, в которые можно включить варочные панели и прочее подобное оборудование. Устройства потребляют значительную мощность и требуют заземления.
Во вторую группу входят розетки, которые устанавливаются в щиток на рейку. Их назначение — подключение потребителей, расположенных вблизи от электрощитов. Такие разъемы считаются оптимальным решением для включения в электросеть мощных приборов.
Отличие розеток этих двух групп в мощности, рассчитанной на работу с определенной силой тока. Поэтому на разъемах указывается маркировка с одной либо двумя цифрами и буквой А (значение силы тока). Бытовые розетки рассчитаны на 16А.
В основе другой классификации лежит количество одновременно подсоединяемых к разъему потребителей:
- одинарные;
- двойные;
- тройные.
Конструктивные особенности и технические характеристики

Традиционно штепсельная розетка состоит из трех элементов – корпус, колодка и контакт с устройством. Корпус выполняет декоративную и защитную функцию и изготавливается из прочных невозгораемых материалов. Колодка – основа прибора, изготавливается из керамики или карболита и удерживает крышку и контакты. По контактам с устройством электроэнергия доходит до потребителя. Выполняется из различных сплавов. В конструктивном плане выделяют приборы утопленного и наружного типа. В первом случае подрозетник отсутствует, а накладные устройства имеют в составе крепежную панель. Утопленные приборы используются для скрытой проводки (выглядят эстетично). Устройства наружного типа монтируются на открытую прокладку сети.
Штепсельные розетки имеют маркировку, состоящую из цифр и букв. Например: РШ-Ц – 20-0-01-10/220 – это штепсельная электророзетка утопленного типа для открытой проводки, однофазная, с заземлением, используется для сети напряжением 220В и частотой 50 Гц.
В документации на каждый прибор должны быть указаны номинальные и предельные токи и напряжения, количество контактов, полюса, степень защиты и климатические требования.
Малогабаритная модель РС-16-006 скрытой установки
Розетка двухполюсная. Одноместной скрытой установки. Заземление отсутствует. Диаметр штырьков вилки составляет 4 или 4,8 мм. Прибор накладной белого цвета, из матового пластика. Номинальное напряжение 250 В, номинальный ток 16 А. Степень защиты IP20, климатическое исполнение УХЛ4.
Розетка штепсельная ПС-326-100 (марка ИЭК)
ПС-326-100 утопленного типа для открытой проводки. Номинальный ток 40 А, напряжение 24В. Количество контактов 7. Применяется для прицепов ВАЗ, КАМАЗ и т.д.
Низковольтная розетка 42В РП-2Б
Влагозащищенная модель утопленного типа для скрытой проводки, степень защищенности IP43, номинальное напряжение 42 В, ток 10 А. Климатические условия эксплуатации УХЛ, количество полюсов 2.
Нейтральные малогабаритные типа НМШ
НМШ используются для соединения цепей повышенной мощности, являются устройствами электромагнитного типа. Схема установки отличается от классических моделей. В паспорте указывается сопротивление 310 Ом, напряжение 12 В, отпускание якоря 6,7 В и время срабатывания – мгновенно.
Разновидности по назначению
Если изначально розетки использовались исключительно для питания электроприборов от электросети, то с увеличением количества проводов в среднестатистическом доме, возникла необходимость прятать часть их в кабель-каналы и делать выводы. Как итог – появились новые разновидности розеток, которые стали выводами антенных проводов для телевизора, кабелей для интернет-подключения компьютеров, радио и стационарных телефонов. В последнее время устанавливают даже розеточные клеммы к которым можно подключить колонки от аудиосистемы и USB провод для зарядки телефона.
Независимо от того, для чего применяется розетка, ее главные компоненты остаются все те же – основание, механизм крепления, контакты и изолирующая (по совместительству декоративная) крышка.
Розетка с заземлением 220 В на 16 и 32 А – технические характеристики
Если взять Европейскую часть континента и всю Россию, то там стандартное напряжение (U) в сети составляет от 220 до 240 В. Обычные розетки рассчитаны на напряжение 220 В с нагрузкой мощностью не более 3,5 кВт.
Эксплуатация таких розеток ограничивается в пределах бытовой техники не большой мощности и рассчитаны на ток (I) 16А.
Если взять электрические приборы более мощные (электроплиты, духовые шкафы и другие электроприборы), то для них предусмотрены другие розетки с предельным током (I) 32 А и предельно допустимой мощностью 7 кВт.
Частота переменного тока для европейцев и России составляет 50 Гц, а это значит, что все электрооборудование рассчитано под эту частоту.
Степень защиты от пыли (предметов) и влаги у розеток разные. Некоторые вообще не имеют никакой защиты, а некоторые имеют IP20, IP44, IP54 и другие. Чем выше IP, тем выше защита. Например, IP54 – «5» защищает от всевозможных предметов полностью и частично от пыли, «4» защищает от брызг воды.
IP54 имеют следующие марки розеток: EL-BI EVA, ABB EVA, VIKO, EKF, DelUMO и другие. Такие розетки устанавливают во влажных помещениях, например, в ванных комнатах.
Материалы и конструкции изделия
В основном в наше время корпуса (не крышка) изготавливаются из керамики и не горючего пластика. Конечно же преимущество у керамики, потому что полимеры всегда проигрывают керамике по стойкости и нагреву.
На корпус прикручиваются с помощью винтов медные или латунные контакты. В некоторых розетках используется пружины для лучшего контакта с вилкой.
Существуют такие модификации розеток, в которых отверстия фазы и нуля закрываются шторками внутри под крышкой. Такие розетки хорошо использовать в местах, где есть дети.
Если заглянуть в ПУЭ, то согласно требованию, повсеместно на всех объектах монтируется трех проводная система (фаза, нуль и заземление) при однофазном подключении. Заземление является, как дополнительная мера безопасности от поражения человека электрическим током.
Все оборудование, приборы и инструмент снабжены специальными вилками (с заземлением), где третий провод подключен к корпусу, а значит корпус заземлен и не представляет угрозу попадания человека под напряжение.
При совмещении вилки с розеткой, происходит контакт фазы, нуля и заземления. Причем сначала заземление, потом фаза и нуль.
Проверка розеток
Перед эксплуатацией важно сделать проверку, которая состоит из четырех основных пунктов:
- Визуальный осмотр на возможные физические дефекты в корпусе.
- При наличии мегаомметра проверяется прочность изоляционного покрытия. Во время диагностики розетка 380 вольт должна быть обесточена.
- С помощью прибора провоцируется короткое замыкание, чтобы проверить правильность подключения.
- Замер линейного и фазного напряжения на холостом ходу.
Во время проверки рабочее напряжение между фазами должно быть не более 380В и 220В на одной жиле. В конце следует еще раз проверить правильность и качество соединения. Плохо затянутый контакт перегревается и выходит из строя, повреждая при этом корпус.
При размыкании цепи может возникнуть дуга, которая создаст опасность для жизни и риск поломки. Чтобы избежать данного явления, перед демонтажем следует всегда отключать подачу тока. В более дорогих версиях стоит автомат.
Разновидности штепсельных розеток
Критериев для оценки существует предостаточно. Главными из них можно считать конструктивное исполнение (размеры для монтажа элементов), электрическую схему, уровень защиты, количество рабочих колодок, технические характеристики и т. д.
Конструктивные отличия
В плане конструкции или, если точнее выразиться, схемы монтажа, штепсельная розетка может быть утопленного и наружного типа. В первом случае подрозетник, как составная часть отсутствует– он представляет собой пластиковый стакан для монтажа элементов колодки, встраиваемый в подготовленное отверстие.
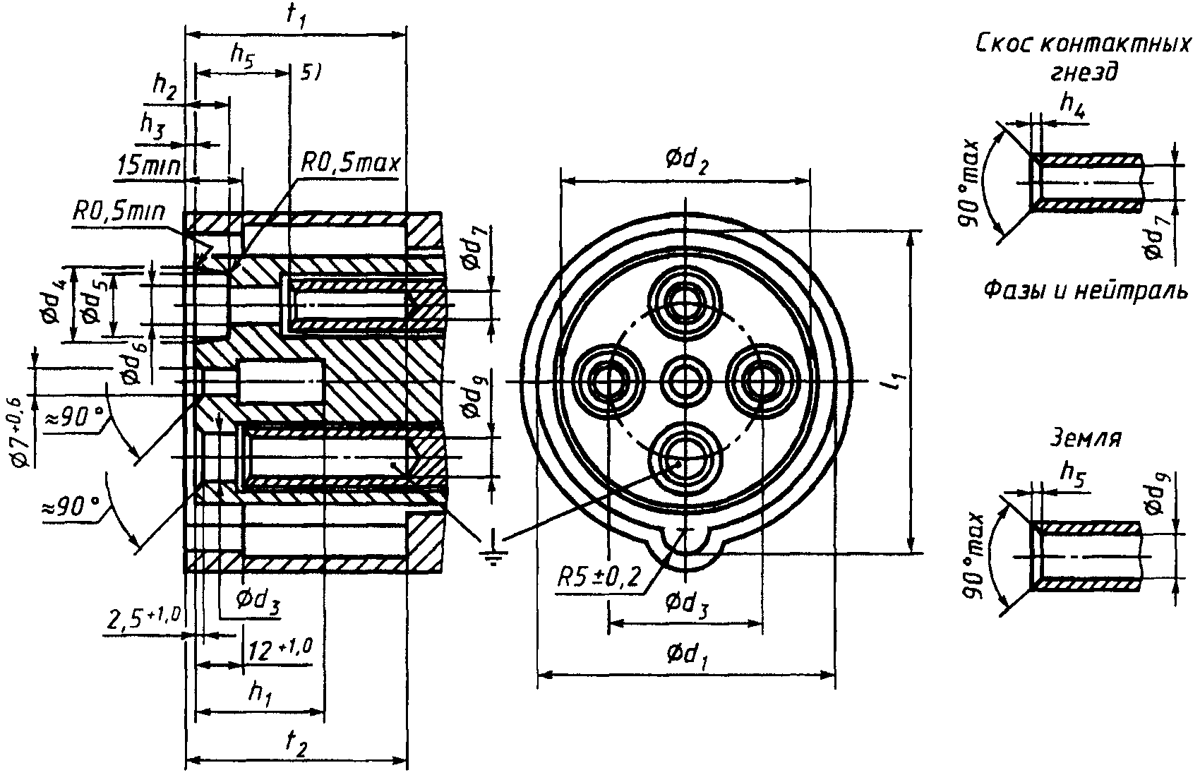
Это наиболее часто применяемая схема, поскольку она обладает очевидным декоративным эффектом: при скрытой проводке снаружи можно видеть тонкую рамку. Накладные розетки, напротив, имеют составной подрозетник, который монтируется на стену. В этом случае используется открытая прокладка сети. Его визуальные отличия можно видеть на иллюстрации внизу (левый верхний угол и правая часть).

Электрическая схема
По организации электрического подключения штепсельная розетка бывает двухполюсная и трехполюсная (с заземляющим контактом). В бытовой практике используются обе – все зависит от наличия организованного заземления или его отсутствия. Визуально отличаются между собой выступающими внутрь гнезда вилки металлических скоб.
Уровень защиты
Точки подключения могут располагаться в местах с разными условиями по концентрации влаги. Это вынуждает принимать некоторые конструктивные меры защиты контактов. На практике используется розетка штепсельная полугерметическая и герметическая, которая обладает разным уровнем защиты соединений, а значит, разной областью применения. Решения бывают разные, от применения механизма защитных шторок отверстий до закрывающих крышек (на иллюстрации вверху).
Количество рабочих колодок
При постоянно растущем количестве бытовой техники, зависимой от электричества, возникает вопрос количества точек подключения. Яркий пример тому кухня. Но натыкать достаточное количество розеток по периметру не выход, поскольку это дорогой, трудоемкий процесс, с крайне неэстетичным результатом. Другое дело, если расположить несколько групповых точек, объединяющих от двух до четырех и более розеток. В этом случае, лицевая часть может быть либо единой, либо модульной.

Рабочие показатели
Каждая розетка имеет свои технические характеристики, которые ограничивают область ее применения. К таковым можно отнести:
- Степень защиты (влагозащищенные, обычные розетки);
- Номинальный ток (находится на уровне 10-16 А);
- Номинальное (выделяют розетки двухфазные, трехфазные и т. д);
- Монтажные размеры.
Плюсы и минусы
Для установки в кухне или комнате бытовых приборов используется несколько розеток.
- кондиционеры;
- вентиляторы;
- локальные обогреватели;
- приборы для ухода за волосами, ногтями, внешностью;
- увлажнители и ионизаторы воздуха, множество других изделий.
тут
- невысокая цена;
- удобство эксплуатации;
- лёгкий монтаж;
- в случае появления неисправности легко отремонтировать;
- могут устанавливаться в подрозетники одинарных предшественников, поэтому сменить одинарную розетку на тройную труда не составит;
- не требует подведения дополнительной проводки;
- обладают безопасным креплением;
- надёжны.
- Многосекционные блочные отличаются крупными габаритами, что часто приводит к их механическим поломкам, поскольку повышается нагрузка от нескольких вилок приборов.
- Необходимо рассчитывать максимально допустимую нагрузку. Если подключить сразу 3 мощных электроприбора, то перегореть могут розетка, контакты и вся проводка до распределительного короба, что требует трудоёмкого ремонта.
- Поскольку вес от трёх вилок разных приборов постоянно будет воздействовать на всю конструкцию, то со временем будет разрушаться декоративное покрытие и корпус из пластика. Это может стать причиной короткого замыкания.
Важно
Чтобы предотвратить эти недостатки, необходимо перед установкой правильно рассчитать мощность подключаемых в неё приборов и взять небольшой запас. Все крепления элементов выполнять качественно.
Как подсоединить выключатель?
Алгоритм установки следующий:
- С распределительной коробки снимается напряжение, подключаются нулевой и фазный провода к клеммам розетки.
- Розетка будет использоваться, как распределительная коробка, чтобы подключать освещение. Коммутация выполняется в обычном порядке: выводятся провода к выходам светильника.
- Защитные и нулевые провода подключаются уже от розетки трёхжильным кабелем: на клеммы розетки подаётся защитный и нулевой провода, а фазный – на вывод выключателя.
- Для тестирования работоспособности выключателя с тройной розеткой необходимо подключить напряжение и проверить с нагрузкой, например, основным освещением (проверка выключателя) и настольной лампой (проверка розеток).
Внимание
При коммутации многорожковой лампы необходим трёх- и четырехжильный кабель.
Самостоятельный монтаж
Перед самостоятельной установкой розеток любого типа потребуется ознакомиться с основными приемами их монтажа, соответствующими двум вариантам прокладки подводящих проводов.
Наружный способ

Наружная розетка
Розетка штепсельная трехполюсная, предназначенная для наружной установки, монтируется непосредственно на стене помещения или на специальном подрозетнике, закрепляемом на стенной поверхности. Соединительные провода подводятся к ней по той же плоскости и размещаются в пластиковом кабель канале, с которого предварительно снимается защитная крышка. После укладки в него жгута из проводников последние подводятся к розеточному корпусу и подсоединяются к соответствующим контактам.
Для присоединения проводов к клеммам (разъемам) крышку розетки необходимо снять с корпуса. По завершении монтажных операций изделие полностью собирается, крышки кабельных каналов возвращаются на свое место.
Утопленный вариант

Внутренняя штепсельная розетка
Когда устанавливается утопленная розетка, для нее подготавливается ниша в стене, по форме соответствующая контурам монтажной коробки. Для выборки стенного материала потребуется особый инструмент, называемый штроборезом. Если такого прибора в домашнем хозяйстве не имеется, для нарезки канавок допускается использовать обычную болгарку.
В стене в зоне установки по продольной оси прорезается несколько штроб, которые посредством зубила выравниваются в форме прямоугольника нужного размера. Последующие операции:
- В готовую продольную нишу замуровывается установочная коробка.
- К розетке со снятой задней крышкой подсоединяются проложенные в штробах подводящие провода.
- На завершающей стадии работ крышка возвращается на место, крепится в монтажной коробке посредством распорочных винтов.
Далее останется замуровать участки стен с подводящими проводами и закрыть розетку снаружи декоративной панелью.
























































