Причины неисправностей
Определив причину, легко выстроить дальнейший план действий.
Варочная панель не включается

Отсутствие нагрева конфорок, любых признаков работы вызвано, как правило, рядом ошибочных действий при включении прибора, программировании его рабочих функций. Таковы конструктивные особенности.
Например, одновременное касание двух и более сенсорных клавиш, случайная активация блокировки (функция «Замок от детей»). В этом случае следует внимательно относиться к панели управления. Иногда для перезагрузки потребуется обесточить устройство на несколько секунд.
Зачастую неумелое обращение с функциональными настройками приводит к конфликтным реакциям в работе элементов управления. Если задаются предельные параметры нагрева, при включении конфорки с уровнем выше установленного панель попросту не включится.
Помимо аккуратности при вводе информации и пользовании сенсорными клавишами рекомендуют обращать внимание на панель управления и стеклокерамическую поверхность конфорок. Капли воды, жира, посторонние предметы существенно влияют на работоспособность изделия
Отключается во время работы
Перегрев рабочих элементов — серьезная причина отключения плиты. При этом срабатывает система защиты конфорок, появляется соответствующий символ индикации, дублируемый звуковым сигналом. Излишнее тепловое воздействие влечет и сбои в электронной системе управления. Панель при этом также самопроизвольно выключается.
Оплавленные детали клеммной коробки также способны размыкать электрическую цепь при нагреве и расширении. В таком случае индикация и другие сигналы бесполезны, так как происходит полное отключение питания.
То включается, то отключается

Очень важно быстро научиться распознавать световую индикацию и звуковые сигналы. Если после включения плиты через какое-то время раздается характерный звук и отключается конфорка, опытный пользователь быстро установит причину. Иногда достаточно убрать посторонний предмет, перекрывающий сенсорную клавишу
Иногда достаточно убрать посторонний предмет, перекрывающий сенсорную клавишу.
Крайне редко периодическое включение и отключение происходит из-за микротрещины в стеклокерамике нагревательной зоны. Конфорка начинает работать в режиме термостата. Нагревание до определенного уровня ее выключает. По мере охлаждения она снова включается. Такую причину сложно диагностировать.
При обнаружении перечисленных признаков и сбоев в качестве мер первой помощи, помимо предписанных руководством действий по обнулению функций и перепрограммированию, рекомендуется полностью отключать устройство от сети. Для этого пользуются автоматами питающей линии в распределительном щитке.
Эффект достигается отключением не только фазной, но и нулевой линии. Через две-три минуты после подачи энергии панель включается, и производится повторная установка программ. Некоторые модели имеют функцию сброса ручных установок до стандартных заводских.
Процедура замены варочной поверхности
У пользователей, столкнувшихся с проблемой треснувшего стекла варочной поверхности, возникает множество вопросов, на которые мы готовы ответить:
Куда обратится, чтобы заменить варочную поверхность
Вы увидели трещины или другие повреждения на стеклокерамической поверхности? Не знаете куда обратится? Вам нужна помощь специалистов!
В каждом городе есть специальные сервисные центры, осуществляющие ремонт как крупных, так и мелких бытовых приборов. Это могут быть как специализированные точки от производителей, например, «Bosh», «Hansa», «MBS», так и универсальные, занимающиеся ремонтом любой техники и работающие с широким спектром неисправностей.
Прежде чем обращаться за помощью той или иной компании, убедитесь, что она занимается ремонтом приборов данного производителя и есть ли у них возможность предоставления оригинальных запчастей.
Стеклокерамическую поверхность для фирменной варочной панели нельзя купить в магазине. Ее можно лишь заказать у производителя.
Как производится замена стекла

Замена треснувшей поверхности производится в несколько этапов:
- Оформление заявки на проведение ремонта варочной панели. Оставить заявку на вызов специалиста можно и по телефону. Диспетчер озвучит точную дату и время прибытия мастера.
- Диагностика. Прежде чем приступить к замене стекла, мастер должен провести визуальный осмотр техники и оценить степень повреждений. Доверьтесь специалисту в данном вопросе, ведь нередко бывает так, что в ходе диагностики выявляются еще и скрытые повреждения.
- Согласование проведения ремонта. После осмотра специалист озвучивает клиенту, какая именно часть панели подлежит замене, уточняет перечень предстоящих работ и озвучивает их стоимость. К следующему этапу переход возможен лишь в том случае, если вы согласитесь с перечнем работ и объявленной ценой.
- Ремонтные работы. Если причина неисправности действительно в треснутом стекле, то работа по его замене займет 2-3 часа. На первый взгляд, может показаться, что все просто, на самом деле специалисту предстоит кропотливая работа по подбору и замене фирменных запчастей с использованием специальных инструментов. Не владея знаниями и навыками в данной области справиться с ремонтом будет непросто.
- Тестирование и сдача работы. Конечный этап ремонта – это проверка работоспособности индукционной поверхности и сдача ее клиенту.
Помните, что квалифицированные обслуживающие центры всегда обеспечивают свою работу гарантией, сроки которой составляют 1-2 года.
Стоимость работ
Итоговая стоимость ремонтных работ по замене стекла варочной поверхности зависит от таких факторов как стоимость комплектующих и стоимость услуг специалиста. Диагностика чаще всего производится бесплатно, а вот за срочность клиенту придется доплатить.
Стоимость запчастей сильно варьируется и зависит от производителя. Средняя цена – 10000-19000 рублей.
Стоимость работ зависит от их сложности и обычно составляет 2000-4000 рублей. Можно сделать вывод, что замена стекла варочной панели обойдется примерно в половину от ее стоимости.
Розетка, вилка
Проблема может быть не в самой плите, а в розетке или вилке. Первую можно проверить, подключив другой электроприбор, к примеру, чайник
Выбирая розетку, следует обратить внимание на номинальный ток. Если он отличается от указанного на автомате, то проводка может оплавиться или вовсе загореться
Для однофазной сети классической розетки на 32 ампера более чем достаточно.

Хромированные элементы вилки должны быть чистыми без признаков гари. Если таковые имеются, то её необходимо зачистить, а в сложных случаях – заменить. Здесь действует такое же правило: покупать вилку с оглядкой на номинальный ток автомата.
Частые неисправности
Чаще всего потребитель сталкивается с тем, что одна или несколько конфорок не включаются, плита издает странные звуки, плохо прогревает или самостоятельно перестает работать. Суть наиболее часто встречающейся ситуации заключается в том, что плита плохо греет.
Это даже нельзя назвать поломкой, ведь проблема возникает, если дно используемой емкости сместилось относительно центра, либо же ее диаметр оказался намного меньше, чем варочная поверхность.
Если перестала работать одна или несколько конфорок, то необходимо проверить, сохраняется ли их питание, так как при перегреве могут выйти из строя несколько деталей. Недостаточное прогревание может произойти и по причине неправильной последовательности включения.
Как правило, для запуска индукционной плиты, необходимо сперва выбрать используемую конфорку при помощи сенсоров, а затем уже настроить на ней требуемую мощность.
Если порядок нарушен, то ничего не заработает. Когда сенсорная поверхность не реагирует на прикосновения, проблема может оказаться в банальном загрязнении. Прочистив, необходимо проверить еще раз – если не помогло, то стоит осмотреть соединительные шлейфы, объединяющие схему индуктора и управляющую панель.
Когда температура варочной поверхности перестает отображаться, затруднение может оказаться в сломанном термодатчике. Иногда поломки возникают у вентилятора, основная задача которого заключается в охлаждении.
Решением может стать починка датчика температуры. Если же вентиляционная система перестала работать вообще, то произойти это могло либо из-за перегоревшего мотора, либо из-за того, что сломалась цепь управления.

Иногда варочная панель сама выключается. Это может случиться при использовании неправильной посуды – из материала, не имеющего пометки «для индукционных плит». Стоит упомянуть, что не следует задействовать все емкости, выполненные из немагнитных материалов, то есть алюминия, медных сплавов, а также нержавейки.
Нагреватели могут самостоятельно отключиться и по нескольким причинам, указанным в инструкции. Например, по сигналу таймера или же по достижению двухчасового периода эксплуатации. Также конфорки перестанут работать, если за 10 секунд после их включения не произошло ни одного дальнейшего действия.

Индукционная плита шумит, когда в устройстве активирована чересчур сильная мощность нагревателя или же готовка осуществляется в неподходящей посуде. К примеру, шум появляется, когда дно кастрюли оказывается слишком толстым или тонким либо обладает слишком маленьким диаметром.
Когда сгорает предохранитель, варочную поверхность становится невозможно активировать вообще. Происходит это либо если он не справился с нагрузкой, либо же транзисторы закоротили. Перегрев варочной панели может быть вызван либо ее загрязнением, либо попавшей избыточной жидкостью.
Обмотка же перегревается, когда вся конструкция размещается не на твердой поверхности, и начинается проседание техники под тяжестью используемой посуды.
Если индукционная плита щелкает во время готовки, то сперва стоит изучить инструкцию – для некоторых моделей такой «сопроводительный эффект» считается нормой. Не стоит также переживать, если устройство гудит, трещит или пищит – эти звуки издают индукционные катушки, взаимодействуя с посудой.
Когда сильно нагревается поверхность индукционной плиты, а также то, что под ней, стоит проверить, не разместились ли в шкафчиках металлические предметы, например, столовые приборы.
Наконец, если при запуске выбивает автомат, то в первую очередь следует проверить его состояние. В ином случае проблема будет либо в подключении, либо в нагревательном элементе.
Диагностика и восстановление панелей косвенного нагрева
Ремонт индукционных варочных панелей под силу лишь опытным электрикам. Без знания материала, с простым мультиметром и пассатижами, операция обречена на провал. При этом, многие проблемы вовсе не являются неисправностями: обычное нарушение режима эксплуатации.
Типовые неисправности индукционных систем нагрева

- Индукционная конфорка либо не включается вовсе, либо питание пропадает сразу после начала работы. Это может быть защитная функция: если вы убираете посуду с плоскости нагрева, или размер не соответствует диаметру конфорки, автоматика блокирует работу. То же самое относится к алюминиевой или медной посуде.
- Эта же проблема (неправильная посуда) может привести к тому, что индукционная конфорка работает не в полную силу.
- Самостоятельное включение нагревателя может быть связано с загрязнениями плиты, или наличием рядом с ней массивного стального (чугунного) предмета.
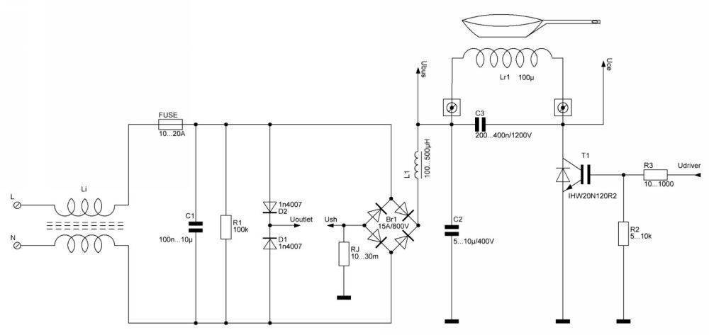
Настоящие неисправности, не связанные с нарушением режима эксплуатации, проявляются в схеме генератора индуктивного поля. Как мы уже отмечали, обмотка выходит из строя крайне редко.
Типовая схема на иллюстрации:

На самом деле, никаких космических технологий тут нет. Трансформатор преобразует напряжение питания, а генератор создает повышенную частоту колебаний электромагнитного поля. После визуального осмотра (на предмет явно «сгоревших» радиоэлементов) генератор проверяется с помощью домашнего осциллографа. Если такой прибор у вас имеется — объяснять принцип проверки генератора индуктивности нет смысла, ваш уровень достаточен для ремонта.
Если вы не имеете достаточного опыта — придется обращаться к мастерам. В любом случае, ремонт отдельного блока не так дорого обойдется, как покупка новой панели.
Ремонт электроплит своими руками
Поломка электрической плиты в городе – повод пригласить мастера, но если вы уехали на дачу, специалиста можно и не найти, так что придется выполнить ремонт своими руками. Некоторые неисправности легко устранить самостоятельно. Правда, для ремонта электроплиты потребуется набор инструментов и хотя бы базовые знания электрики.
Что нужно для ремонта
У многих дачников и владельцев загородных домов есть свой «ремонтный чемоданчик» или готовый набор инструментов в фирменном кейсе.
Для ремонта электроплиты вам понадобится набор ключей, отвертки с разной формой и толщиной жала, бокорезы, пассатижи, паяльник, мультиметр и изолента. Дальнейшее зависит от того, что именно вышло из строя.
Порой проблема решается при помощи подручных материалов, но гораздо чаще требуются фирменные комплектующие, которые лучше привезти заранее.
Порядок разборки зависит от того, что именно предстоит починить. Если не греется духовка, понадобится получить доступ к ее ТЭНам. Закапризничали конфорки? Скорее всего, достаточно будет снять только верхнюю панель и убрать слой изоляции.
У разных брендов способы сборки корпуса различаются. А поэтому написать пошаговую инструкцию в стиле «найдите и выверните два болта, расположенных в трех сантиметрах от заднего края плиты» не получится.
Если нужно получить доступ к ТЭНам или другим деталям, найдите в Интернете схему своей модели, видеоинструкцию или же просто положитесь на здравый смысл и внимательно осмотрите поверхность в поисках крепежа.
Устранение неполадок
Давайте рассмотрим несколько случаев, когда ремонт электроплиты можно выполнить самостоятельно, без привлечения специалиста. Не забудьте отключить технику от розетки перед началом работы!
Неработающая конфорка
Со временем чугунные конфорки начинают нагреваться медленнее, а некоторые вообще могут не подавать признаков жизни.
Если вы приобрели запасную деталь подходящего размера и типа, снимите верхнюю панель и демонтируйте неисправный элемент. Для начала откручивается гайка и убирается в сторону заземление.
Установив новую деталь, проверяют ее работоспособность, а затем производят сборку в обратном порядке. Рекомендуем фотографировать каждый этап ремонта электроплиты на телефон, если вы выполняете операцию впервые.
Переключатель нагрева
Без точной регулировки нагрева конфорка ведет себя непредсказуемо, а потому с ремонтом переключателя тянуть не стоит.
Для доступа к нему необходимо будет снять переднюю панель, для чего вначале потребуется отсоединить ручки. Дальше осмотрите неисправный регулятор.
Важно учесть, что все провода в электроплитах запрессовываются, а не припаиваются, поскольку при высокой температуре контакт снова пропадет. По той же причине нельзя использовать изоленту. Понять, что именно предстоит сделать, поможет видео
Если вы не уверены в своих силах, пригласите мастера
Понять, что именно предстоит сделать, поможет видео. Если вы не уверены в своих силах, пригласите мастера.
Замена уплотнителя духовки
Уплотнитель дверцы духовки крепится одним из двух способов: в специальном канале либо между двумя секциями дверцы. Чтобы извлечь старую резину, для начала убедитесь, что она не удерживается винтами.
Они обычно располагаются за выступающим краем уплотнителя. Выкрутив винты, если они есть, подденьте уплотнитель отверткой с тонким жалом и извлеките его из паза.
Место посадки тщательно очищается и обезжиривается. Новый уплотнитель устанавливают с использованием того же крепежа, что применялся на старом. В завершение соберите дверцу, если резинка располагалась между секциями. А затем проверьте, нет ли утечек тепла.
Сколько стоит отремонтировать электроплиту в Одессе
Стоимость ремонта электрической плиты зависит от категории сложности, цен на запчасти и других моментов. В каждом сервис-центре Одессы есть собственный прайс с указанием ориентировочных тарифов на разные услуги. Не забудьте уточнить, предусмотрены ли наценки за выезд мастера на дом, диагностику и другие дополнительные опции.
В сервисном центре «Одесса-Ремонт» вы сможете быстро починить электроплиту без надбавок за срочность, а длительная послеремонтная гарантия (до 12 месяцев) станет дополнительным аргументом в пользу сотрудничества. Чтобы убедиться в качестве сервиса, ознакомьтесь с отзывами на сайте.
Механический демонтаж: правила и технология проведения
Набор необходимых инструментов для проведения демонтажа:
- отвертка «+»;
- плоскогубцы;
- бокорезы;
- гаечный ключ 8*10;
- газовый ключ.
Специальный инструмент для проведения демонтажа
В первую очередь ослабляем отверткой крепления поверхности со столешницей кухонного модуля. Если провод проложен стационарно (для электрических панелей), разбирается клеммная коробка и отключаются питающие провода. Заземляющий проводник с корпуса устройства отключается в последнюю очередь.
Затем полностью выкручиваются крепежные шурупы и извлекаются из столешницы. Демонтаж варочной панели считается завершенным.
Демонтаж газовой варочной конструкции выполняется аналогично. Для того чтобы прекратить подачу природного газа на поверхность, необходимо закрыть всю арматуру, визуально убедиться, что рукоятки кранов, вентилей находятся в положении «закрыто». Далее ослабить хомут и установить штатную заглушку на шланг.
Правильный демонтаж варочной панели
Так как правильно снять варочную панель со столешницы? Для того чтобы правильно снять газовую поверхность, стоит рассмотреть весь процесс подробно:
- первым делом требуется найти центровочные шурупы, которые удерживают всю конструкцию;
- далее на центровочных шурупах выкручиваются винты;
- после этого требуется найти угловые крепежные крюки. На них выкручиваются шурупы, но главное не до конца, они должны оставаться на месте;
- крюки будут ослаблены, поэтому изделие можно будет с легкостью вытащить через отверстие в столешнице;
- после того как конструкция будет снята, можно приступать к установке другого нового устройства. Если оно еще не выбрано, то стоит правильно его подобрать;
- если вы уже приобрели новую варочную поверхность, а она не подходит под размеры отверстия в столе, то вырезается новое при помощи напильника;
- далее проводится монтаж другой панели на место в столешнице.
Стекловарочные панели должны снимать специалисты
Как устранить неисправности?
Конфорки
Чтобы починить конфорку, необходимо действовать по следующему алгоритму:
- Необходимо сначала убрать заземление. Для этого нужно открутить гайку.
- Если в технологических условиях прописано усложнённое конструктивное устройство, значит, кроме гайки, придётся убрать специальное кольцо или скобу. Эти детали плотно прижимают гайку к основанию.
- Конфорка может крепиться соединением из резьбы или прикрепляться через специальное отверстие. В первом варианте нужно смазать резьбу подсолнечным маслом выкрутить из корпуса. Для второго случая нужно запастись отвёрткой и вынуть конфорку.
- При старой модели конфорки лучше сразу вытащить и выбросить. На их место поставить более современные и экономичные образцы, которые будут подходить по габаритам.
- Исправные конфорки, но с дефектом нагревания бывают из-за нарушения в блоке управления. Механические регуляторы пропускают через себя большой мощности ток. Даже надёжные контакты после такого влияния могут образовывать на своей поверхности нагар. Счищается он обыкновенной наждачной бумагой.
Переключателей
Отремонтировать ли или заменить переключатель на новый зависит от степени его неисправности. Если провернуть регулятор и не услышать характерных щелчков, то это свидетельствует о незначительной поломке детали. Чтобы осуществить оригинальную проверку состояния переключателя нагрева, его располагают в среднее положение и подают напряжение на плиту. В этот момент должна сработать автоматика защиты. Обычно включение и выключение выполняется через каждые 30 секунд.
Перед тем как снимать ручки, нужно изучить инструкцию. У некоторых моделей (Gefest, Kaiser) они неразборные. Если все же ручки съёмные, то сначала снимаются регулирующие снаружи, а только потом откручивается передняя панель.
Чтобы добраться до сломанного регулятора, необходимо снять установленную под плитой планку. Если щелчка не слышно при включении реле, то проверяют наличие сигнала. Если его нет, то проблема — в микропроцессоре или каскаде на выходе.
Внимание Для ремонта электронного блока понадобится изучить схему его строения и уметь разбираться в сложностях, технических составляющих плиты
Сенсорных датчиков
Чтобы заменить неисправный сенсорный датчик, нужно отключить электричество и переключить ручку от положения выключения до минимального нагрева. Должен раздаться щелчок, который говорит о срабатывании термостата. При отсутствии этого сигнала понятно, что регулятор неисправен.
Чтобы провести окончательную проверку и убедиться в поломке сенсорного датчика, термостат откручивают до среднего положения, а затем включают питание. При правильной работе датчика происходит включение/отключение питания каждые 30 секунд.
Приступая к ремонту электроплиты из стеклокерамики своими руками, необходимо приготовить:
- мультиметр;
- набор крестообразных и плоских отвёрток;
- плоскогубцы;
- кусачки.
Для работы нужна термоусадочная трубка с монтажным ножом и мелкозернистой наждачной бумагой. Перед работами необходимо взять:
- пробник напряжения;
- набор гаечных ключей;
- фонарь;
- пинцет;
- молоток.
Варочной панели
Ремонт варочной поверхности зависит от причины неисправности. Актуальны следующие случаи:
- Нет сигнала включения варочной панели из-за отсутствия напряжения в розетке или неисправности её деталей. Мультиметром проверяется работоспособность розетки и сигнал тока, от неё исходящий. При отрицательном тесте проверяют предохранитель, который может перегореть из-за разрыва контактов, перетирания или передавливания шнура или из-за поломок ТЭНа.
Одна или две конфорки варочной панели могут отказывать в работе из-за обрыва контактов нагревателя. Их нужно просто спаять. А перегоревший ТЭН меняют на новый. Переключатель блока управления подлежит ремонту или замене на новый. Совет Плохой нагревательный эффект связан с плохой передачей сигнала к оборудованию через ТЭН. При этом могут быть повреждены термостат и терморегулятор. Термостат подлежит обязательной замене, а другие детали можно починить самостоятельно.
- Проблемы с перегревом плавкого предохранителя или нерабочее состояние сенсора. Мультиметром устанавливают причину и место разрыва. Блок управления прочищают солевым раствором, чтобы привести его в рабочее состояние.
Поиск неполадок
Перед тем как начать искать основную причину неисправности и начинать ремонт, необходимо провести поверхностную диагностику. Благодаря ей удастся определить наиболее вероятные причины поломки данного оборудования. Если к сетевому напряжению нет никаких претензий, а устройство после включения всё равно не работает, то нужно удостовериться в работоспособности самой розетки. Не исключено, что она отличается иной мощностью, чем необходимо, или же просто её контакты износились. Если проблема заключается в этом, то необходимо будет просто заменить розетку и установить оптимальный вариант.

Очень часто случается так, что в электрических плитах, которые оснащаются механическими контроллерами и переключателями, лампочка не работает, а спустя некоторое время перестает функционировать и плита. Поверхностная диагностика позволит определить без разборки корпуса, что основная причина выхода из строя заключается именно в переключателе, который нужно будет просто заменить, чтобы устройство могло функционировать в полном режиме.

Если в процессе первичной диагностики выявлено, что определённые части нагревательных элементов всё ещё функционируют, однако, не могут похвастать стопроцентной отдачей, то, скорее всего, неисправность можно будет обнаружить в целостности сетевого шнура
Кроме того, необходимо будет пристальное внимание уделить переключателям конфорок, которые также могут привести к подобным проблемам


Очень редко случается так, что все конфорки перестают работать в один момент. Такое может произойти только из-за быстрого скачка напряжения, из-за чего перегорают электрические детали и провода. Именно поэтому, если все конфорки не работают, то в первую очередь необходимо убедиться в том, что они получают напряжение на контроллер. Только после того, как вы убедитесь в том, что электрическая плита получает необходимое количество тока, но при этом не работает, можно разбирать конструкцию и приступать к ремонту.


Ремонт варочной панели прямого нагрева (отдельные узлы)
Диагностика неисправностей производится от простого к сложному. После предохранителя, проверяем электропроводку, и работоспособность нагревательных элементов. Контроль за включением-выключением нити нагрева осуществляется с помощью ШИМ (широтно-импульсная модуляция). Пусть это вас не смущает. Все равно силовое питание подводится обычными реле, которые проверяются мультиметром.

Перегоревшая спираль (лента) обычно меняется целиком, это не самый дорогой элемент. В качестве временной меры можно произвести механическое соединение (заклепка или винт для ленты, и соединение с помощью винтовой клеммы для спирали). Это позволит на какое-то время вернуть работоспособность плиты. Такой «сросток» проживет несколько дней, поэтому в самое ближайшее время купите новую запчасть.
Силовые реле восстановлению не подлежат, однозначно — замена.
То же самое относится к галогеновым нагревателям. Тепловые элементы не ремонтируются (фактически, это электрическая лампа), их меняют на новые.
Что касается подгоревшей проводки — следует подобрать провод с аналогичными характеристиками, изготовить жгут целиком, и заменить его с применением концевиков.

Контактные группы перед повторной сборкой проверяются на прочность и отсутствие термических повреждений, зачищаются и собираются повторно.
Если после проверки выяснилось, что все силовые проводники и элементы (включая нагреватели) в порядке, остается электроника. Самостоятельный ремонт возможен лишь при наличии профильных навыков и подробной электрической схемы.
Если вы точно знаете, что не работает именно электронный модуль, и нет возможности его профессионально диагностировать, можете отнести именно этот узел в брендовую мастерскую. Его проверят (за небольшую оплату) на стенде, или в аналогичной модели варочной поверхности. Установить на место отремонтированный или новый блок можно самостоятельно.
























































