Мнения пользователей об особенностях прибора

Оборудование стоит примерно 10 000 руб., что иногда отталкивает покупателей
Однако нужно обратить внимание на качественное покрытие, которое наносится на прочный корпус. Несмотря на то что многие люди отказываются от приобретения данного агрегата по причине механической регулировки мощности, на практике оказывается, что корректировать температуру получается довольно плавно
Через фитиль можно осуществить быстрый и беспроблемный электроподжиг.
Среди дополнительных преимуществ следует выделить отсутствие эффекта кипятка при включении, что экономит воду. Несмотря на то что у колонки есть автоматическая регулировка нагрева, работать данная функция будет только в том случае, если оборудование выставлено почти на полную мощность. Однако можно заметить, как на внушительных напорах при изменении мощности агрегат начинает регулировать подачу газа автоматически. По мнению пользователей, эта функция совершенно бесполезна, так как по мощности нагрева колонка рассчитана почти на котельную, а не на два крана подачи воды. Именно поэтому можно утверждать, что колонка является достаточно мощной даже для трех кранов.
История марки Нева
Отечественному потребителю уже хорошо знаком двухконтурный настенный газовый котел Neva Lux, а также его одноконтурный аналог. Однако мало кто знает, что предприятие, изготавливающее это отопительное оборудование, имеет более чем полувековой опыт работы. Первоначально предприятие называлось «Газаппарат». Основным профилем было производство любого газового оборудования, включая: колонки, нагреватели, котлы. Сегодня предприятие принадлежит крупному концерну «Балтийская Газовая Компания».
Именно, благодаря такому альянсу, свет увидели модели отопительного оборудования «Нева Люкс» и новинка «Турбо». Неисправности котлов первых выпусков были учтены и в последующих модификациях исправлены. В результате потребителю компания предлагает продукт с европейским качеством сборки.
Розжиг колонки
Колонку можно разжигать разными способами:
Самый удобный и популярный это электронный розжиг. Колонки с таким розжигом стоят немного дороже других. Но они более надежные и экономичные. Чаще всего в качестве элемента питания используют батарейки.
В пьезорозжиге необходимо нажать на кнопку на панели для поджога газа. В новых моделях такой способ иногда применяют.
В современных моделях редко можно встретить розжиг вручную. Такие колонки практически не выпускают.
Колонки с микротурбинным розжигом стоят довольно-таки дорого. В таких моделях ток генерирует гидродинамический генератор, который управляет водяным потоком. Такие колонки не создают сложности в использовании. После открытия крана с водой газ поджигается автоматически. Таким образом, происходит значительная экономия газа.
Встроенные датчики
Потенциальные покупатели водонагревательного оборудования по старинке опасаются приобретать газовые колонки, делают это совершенно напрасно. Производители – лидеры, поставляющие газовое оборудование высокого качества, обеспечивают его полную безопасность при эксплуатации. С этой целью конструкция содержит большое количество датчиков, выполняющих следующие функции:
- отключение при отсутствии подачи газа;
- выключение при угасании пламени по любой причине;
- контроль состояния тяги;
- включение при открывании крана с горячей водой;
- прекращение нагрева воды после достижения требуемой температуры;
- контроль давления в водопроводной системе.

Электронные контроллеры защищают современные колонки от любых эксцессов, что подтверждается отзывами пользователей. Системы защиты срабатывают при колебаниях давления воды или газа, повышении концентрации продуктов горения в окружающем воздухе, избыточном увеличении температуры воды и прочих нестандартных ситуациях.
Основные виды котлов отопления Нева Люкс
Компания занимается выпуском исключительно газовых модификаций. Но тем, у кого нет централизованного газопровода, не стоит расстраиваться, так как многие модели смогут работать и на сжиженном топливе. Конечно, это не совсем удобно, но зато будет возможность пользоваться эргономичной техникой. Традиционно выделяют две основных разновидности: двухконтурный и одноконтурный котлы Нева Люкс.
Первый предназначен не только для отопления, но и для горячего водоснабжения, что дает ему существенные бонусы. Если посчитать, то можно вообще не пользоваться горячей водой, которую предлагают коммунальщики, так как обойдется она дороже, а по качеству услуга будет значительно уступать водонагревателю. Там у пользователя будет возможность самостоятельно выбирать температуру и поддерживать ее с точностью до градуса.
Одноконтурный навесной котел Neva Lux работает исключительно на отопление, зато занимает минимум места и отлично справляется со своей задачей. Из обслуживания нужно только в межсезонье прочищать рабочую камеру от нагара и проверять дымоход. Если проводить это каждый год, то никаких проблем с эксплуатацией не возникнет.
Новинка компании котёл Турбо
Котлы Нева Турбо — это, по сути, измененная версия уже привычной модификации Lux, с учетом недостатков предыдущих версий. Модели имеют следующие технические характеристики:
Котлы Турбо являются энергозависимыми. Электропитание котла обеспечивается подключением к обычной сети напряжения в 220 V. Для стабильной работы потребуется установка ИБП и генератора.
Простота обслуживания и эксплуатации
Достаточно подключить установку к системе отопления и электроснабжения и начать отапливать дом или квартиру. На практике, при условии уже готовой системы отопления, все работы занимают около 3-4 часов.
После установки нет необходимости переживать по поводу безопасности работы станции. Последовательность работы автоматики полностью исключает возможность утечки газа, создания аварийной ситуации, даже если происходит незапланированное отключение электроэнергии.
Основные отличия котлов Нева
Модификация Турбо обеспечивает экономный расход газа и при условии правильной эксплуатации полностью окупается уже через несколько лет.
Расчет мощности и температуры тёплого водяного пола
Российские настенные газовые двухконтурные котлы Neva обеспечивают потребителям максимальный комфорт при переходе на автономное отопление и ГВС. Это оборудование предназначено для эксплуатации в многоквартирных жилых помещениях и в загородных домах. Для производств котлов используются современные материалы, а также высококачественные комплектующие от лучших европейских поставщиков. Проектировщики предприятия ведут постоянный научный поиск, обкатывая прототипы новых моделей на опытном заводе «Газаппарат» перед запуском в серийное производство
Благодаря этому удается исправить все недочеты, повышается технологичность производства и, что немаловажно для газового оборудования, возрастает степень его надежности. Отечественный производитель БалтГаз реализовал в газовых двухконтурных котлах Нева люкс два конструктивных варианта исполнения. Так в котлах 72-й серии, а также в котле BaltGaz 18 DBF установлен единый битермический теплообменник для работы с контурами отопления и ГВС
Так в котлах 72-й серии, а также в котле BaltGaz 18 DBF установлен единый битермический теплообменник для работы с контурами отопления и ГВС
Такое решение позволило снизить производственные затраты, что положительно сказалось на ценообразовании данной продукции. Кроме того в изделиях 72-й серии обеспечен точный температурный контроль с допуском в 1 0 С. В моделях 82-й и 86-й серии применена традиционная компоновка с двумя теплообменниками — медным для отопительного контура и пластинчатым для контура горячего водоснабжения. Вся линейка двухконтурных котлов, за исключением модели Nevalux-8624, оснащена закрытой камерой сгорания. Кроме вышесказанного газовые двухконтурные котлы Nevalux отличаются тепловой производительностью и незначительными деталями в конструкции:
- Nevalux-7211 — тепловая мощность 11 кВт, битермический теплообменник, максимальная площадь отопления — 110 м 2
- Nevalux-7218 — тепловая мощность 18 кВт, битермический теплообменник, максимальная площадь отопления — 180 м 2
- Nevalux-7224 — тепловая мощность 24 кВт, битермический теплообменник, максимальная площадь отопления — 240 м 2
- BaltGaz 18 DBF — тепловая мощность 18 кВт, битермический теплообменник, максимальная площадь отопления — 180 м 2
- Nevalux-8624 — тепловая мощность 24 кВт, медный теплообменник (отопление) и пластинчатый теплообменник (ГВС), максимальная площадь отопления — 240 м 2
- Nevalux-8224 — тепловая мощность 24 кВт, медный теплообменник (отопление) и пластинчатый теплообменник (ГВС), максимальная площадь отопления — 240 м 2
- Nevalux-8230 — тепловая мощность 30 кВт, медный теплообменник (отопление) и пластинчатый теплообменник (ГВС), максимальная площадь отопления — 300 м 2
Настенные газовые котлы среди потребителей, имеющих дом или небольшой коттедж, пользуются огромным спросом. Связано это с преимуществами оборудования этого типа. Так, настенный котёл отличается небольшими внешними размерами, благодаря чему, оборудование может быть установлено в помещении с минимальной потерей пространства. Оборудование не шумит в процессе работы и способно стабильно выполнять поставленные задачи вне зависимости от условий эксплуатации. Многие пользователи для установки в системы отопления своих домов выбирают двухконтурный газовый настенный котел Нева Люкс, с преимуществами и основными техническими характеристиками которого познакомимся ниже.
Основные технические характеристики и особенности оборудования компании Нева
Отметим, что на рынке газовые котлы настенные представлены с открытой и закрытой камерой сгорания. Что это значит? В первом случае отвод продуктов сгорания выполняется естественным путем, через дымоход к которому подключен прибор. Забор воздуха, необходимого для нормального горения газа, проводится из помещения.
Во втором случае газовый котёл подключается к коаксиальному дымоходу, устройство которого выполнено по принципу «труба в трубе». По внутренней трубе продукты горения принудительным путем, благодаря встроенному вентилятору, отводятся наружу, а по внешней выполняется подача воздуха, который поступает извне помещения.
Двухконтурное газовое оборудование настенного типа способно выполнять две задачи, направленные на нагрев теплоносителя и сантехнической воды. Теплообменники установлены отдельно, один рассчитан на нагрев теплоносителя, второй, на подогрев сантехнической воды.
Бытовые приборы этого типа отличаются широким диапазоном мощности, что позволяет подобрать агрегат для установки в автономную систему отопления дома любой площади
При выборе прибора важно учитывать, что 1 кВт необходим для нормально обогрева 10 м 2. Так, если дом, к примеру, имеет площадь в 200 м 2. в котором существует необходимость в ГВС, то чтобы система работала стабильно, эффективно и экономично потребуется купить двухконтурный газовый котёл Нева любой модели мощностью в 24 кВт
в котором существует необходимость в ГВС, то чтобы система работала стабильно, эффективно и экономично потребуется купить двухконтурный газовый котёл Нева любой модели мощностью в 24 кВт.
Конструктивные особенности котла «Нева»
Несмотря на то, что настенный котёл Нева имеет небольшие размеры, в его конструкции находится всё необходимое для стабильной и качественной работы оборудования. Поэтому остановив выбор на этих котлах отопления, вам не нужно будет покупать отдельно циркуляционный насос или расширительный бак, задача которого своевременно удалять из отопительной системы воздух. По мнению специалистов, встроенный расширительный бак позволяет существенно повысить безопасность, надёжность и стабильность работы отопительной системы.
Главное преимущество встроенного расширительного бак от выносного бака, заключается в том, что нет необходимости проверять постоянно уровень теплоносителя, за вас это сделает оборудование. Кроме того поскольку отпала необходимость в выполнении монтажа расширительного бака, то удаётся существенно сэкономить на устройстве отопительной системы.
Все модели газовых котлов, представленные компанией Нева, оснащаются манометрами, установка которых выполнена на панели оборудования
Важно знать, что при повышении температуры повышается давление в системе и наоборот. Систему следует дополнить, если давление опустится, ниже отметки в 1,5 атмосферы. Отметим, что настенные приборы Нева способны продолжать эффективно работать при пониженном давлении газа и воды
Отметим, что настенные приборы Нева способны продолжать эффективно работать при пониженном давлении газа и воды.
Вернемся к контурам прибора, а именно к тому, который отвечает за подогрев сантехнической воды, предназначенной для повседневных нужд. Итак, для его изготовления используется нержавеющая сталь, преимущество которой — высокая стойкость к воздействию коррозии, благодаря чему, повышается долговечность в работе прибора.
Если вы хотите продлить эксплуатационный период работы своего оборудования, рекомендуется установить на трубу водоснабжения, по которой подаётся вода в котёл, фильтр, с помощью которого вода будет очищаться и смягчаться. Перед фильтром и на обратке следует установить отсекающие краны, что позволит без лишних сложностей выполнять обслуживание оборудования и замену фильтра.
Возможные неисправности колонки и как их можно устранить
Если у вас произошла несерьезная поломка, то устранить ее можно самостоятельно. Вот некоторые из них:
- После короткой работы аппарат для нагрева воды отключается. Причиной является низкая тяга. Для этого достаточно прочистить дымоход. А также не помешает проверить соединение газоотводящей трубы. В случае неполадки необходимо загерметизировать соединение;
- Если на выходе идет вода температурой свыше 90°. Для устранения такой проблемы нужно расход газа понизить, а воды наоборот повысить. Таким образом, можно добиться нужной температуры на входе;
- Если при открытии крана не происходит запуск колонки. Для этого нужно заменить батарейки или проверить их установку;
- Образование нагара на датчике наличия пламени. Необходимо произвести его очистку;
- Если напор воды в системе слабый, то следует обратиться в коммунальную службу;
- При недостаточном количестве воды нужно отрегулировать расход жидкости;
- Если в теплообменнике появилась накипь или засорились фильтры, то необходимо произвести его чистку;
- Необходимо полностью открыть краны на входе и выходе воды, если они открыты частично;
- Если после открытия крана не происходит запуска колонки, но при этом есть искра. В таком случае необходимо открыть кран подачи газа;
- При первом включении или же после долгого простоя в коммуникациях часто появляется воздух. Для решения такой проблемы можно открыть кран на несколько секунд, затем закрыть и открыть повторно. Провести такую процедуру можно несколько раз;
- Если в струю газа не попадает искра. При такой проблеме нужно произвести регулировку расстояния между горелкой и электродом свечи.
Перед началом использования газовой колонки Нева-4511 необходимо тщательно изучить прилагаемую инструкцию. В ней подробно описываются все возможные проблемы и способы их устранения. В более трудных ситуациях необходимо обратиться к специалистам.
Колонка Нева-4511 является отличным недорогим вариантом, который производят в России. К тому же она имеет много положительных сторон. Для небольшой семьи такая колонка отлично подойдет.
Устройство
Водонагреватели Нева выполнены из медных сплавов. Газовая колонка состоит из следующих элементов:
- медный корпус со смотровым окном, дисплеем;
- горелка;
- свеча для создания искры;
- ручки регулировки газа, воды;
- штуцеры для подачи, отвода жидкости;
- батарейный отсек;
- отверстие для слива;
- датчики контроля пламени, тяги, температуры;
- дымоход;
- крепежные элементы.
Система работает за счет горения газа, поэтому монтаж оборудования осуществляется сотрудниками газовой службы. Работы проводятся с соблюдением техники безопасности.

Такие водонагревательные газовые колонки имеют особенности, связанные с установкой:
- помещение, где будет располагаться газовый нагреватель Нева, должно быть нежилое, площадью не менее 8 м3;
- обязательно проведение хорошей вентиляции, обеспечивающей проветривание;
- стены, пол покрывают жаропрочными материалами;
- расстояние от боковых стен должно быть таким, чтобы можно было свободно подойти к устройству для обслуживания, включения;
- дымоход устанавливают с прочным креплением к колонке;
- для длительной эксплуатации оборудования рекомендуется установить фильтра очистки воды, газа.
После монтажа оборудования проверяют элементы на герметичность, тягу, запускают систему.
Для длительной и качественной работы газовых колонок Нева важно соблюдать правила эксплуатации:
- раз в год проводить техническое обслуживание – чистить горелку, мыть теплообменник, менять уплотнители;
- для устранения пыли с поверхности – протирать влажной, сухой салфетками;
- в случае образования накипи в баке, промывать его лимонной кислотой;
- регулярно заменять батарейки розжига.
В случае поломки, проводят ремонт газовой колонки Нева. В инструкции прописаны возможные поломки, правила проведения ремонтных работ. Можно обратиться для замены запчастей по гарантии к продавцу или производителю.

Рекомендуем статью по теме! Технические характеристики газовых колонок Superflame.
Устройство и принцип работы колонок Neva и NevaLux
В линейке БалтГаз представлено несколько проточных газовых бойлеров, отличающихся принципом работы и особенностями внутреннего устройства. Все выпускаемое оборудование можно разделить на несколько групп:
- Тип розжига — существуют полуавтоматические и автоматические модели. Первые (4011, 5111) во время работы используют постоянно горящий фитиль, воспламеняемый с помощью пьезоэлемента. Вторые, с автоматическим розжигом, работают от батареек. Газ воспламеняется посредством искры, подаваемой на горелочное устройство.
- Использование модуляции — газовые проточные водонагреватели Нева и Нева Люкс работают с использованием гидравлического (5111, 5611) и электронного (6011,6014) изменения мощности нагрева воды. Существуют модели без автоматической корректировки интенсивности горения.
Устройство газовых колонок Neva и NevaLux постоянно модифицируется и видоизменяется. Выпускаются новые модели, в конструкции которых делаются корректировки с учетом пожеланий потребителей.Технические характеристики водонагревателей, выпускаемых компанией Балтгаз, подробно описаны в следующей таблице:
Технические характеристики проточных газовых водонагревателей BaltGas | |||||||||||
NEVA 4011 | NEVALUX 5111 | NEVA 4510 | NEVA 4510M | NEVA 4511 | NEVA 4610 | NEVALUX 5514 | NEVALUX 5611 | NEVALUX 6011 | NEVALUX 6014 | ||
Мощность (кВт) | 21 | 21 | 17 | 17,9 | 21 | 20 | 28 | 21 | 21 | 28 | |
Теплопроизводительность (кВт) | 18 | 18 | 15 | 15,5 | 18 | 17,5 | 24 | 18 | 18 | 24 | |
КПД, не менее (%) | 87 | 84 | 85 | 87 | 87,5 | 87 | |||||
Модуляция горения на горелке | — | непрерывная гидравлическая | — | непрерывная гидравлическая | непрерывная электронная | ||||||
Розжиг | пьезоэлектрическая | электронная | |||||||||
Тип газа | прир./сжижен. | прир. | природный / сжиженный | ||||||||
Давление газа (прир./сжижен.) (кПа) | 1,3;2,0/2,9 | 1,3/— | 1,3;2,0/2,9 | ||||||||
Расход газа (прир./сжижен) (м³/ч / кг/ч) | 2,22/1,66 | 1,80/— | 1,89/1,41 | 2,22/1,66 | 2,11/1,57 | 2,96/2,21 | 2,22/1,66 | 2,22/1,66 | 2,96/2,21 | ||
Диаметр дымохода (мм) | 110 ÷ 125 | 120÷ 125 | 110 ÷ 125 | 103 ÷ 110 | 125 ÷ 155 | 110 ÷ 125 | 125 ÷ 155 | ||||
Требуемое разряжение в дымоходе, не менее (Па) | 2,0 | ||||||||||
Макс. давл. воды (кПа) | 1000 | ||||||||||
Мин. проток воды (л/мин) | 2,5 | 2,0 | 2,5 | ||||||||
Мин. давл. воды (кПа) | 15 | ||||||||||
Расход воды при нагреве на ∆t=25℃ (л/мин) | 11 | 11 | 10 | 10 | 11 | 10 | 14 | 11 | 11 | 14 | |
Кол-во точек водоразбора | 1-2 | 1-2 | 1 | 1 | 1-2 | 1 | 2 | 1-2 | 1-2 | 2 | |
Размеры (мм) | Высота | 565 | 565 | 624 | 565 | 565 | 610 | 650 | 565 | 565 | 650 |
Ширина | 290 | 290 | 356 | 290 | 290 | 350 | 350 | 290 | 290 | 350 | |
Глубина | 221 | 221 | 186 | 221 | 221 | 185 | 239 | 221 | 221 | 239 | |
Масса нетто | 9,5 | 9,5 | 10,4 | 9,0 | 10,0 | 10,5 | 12,5 | 10,0 | 10,0 | 12,5 | |
Цвет корпуса | белый, серебро | белый | белый, серебро | белый | белый, серебро |
Скачать инструкция колонки NEVA 4510.pdf(940,49 Kb) (cкачиваний: 103)Скачать инструкция колонок NEVA Lux 5111, 5611.pdf(1,2 Mb) (cкачиваний: 455)Скачать инструкция колонок NEVA Lux 6011, 5514, 6014.pdf(1,82 Mb) (cкачиваний: 141)
Neva Lux 8224 — бюджетный двухконтурный котел

Отопительное оборудование – это особая ниша рынка бытовой техники, в которой есть свои лидеры. И одним из таких является отечественная компания BaltGaz, которая покорила российского покупателя и потребителей из стран СНГ техникой, выпускаемой под брендом Neva Lux.
На сегодняшний день производитель демонстрирует немалые успехи в нише водонагревательного оборудования и газовых котлов. И одной из наиболее популярных моделей, выведенных на рынок компанией BaltGaz, является газовый котел Neva Lux 8224.
О популярной модели neva lux 8224
Если вам нужен надежный двухконтурный котел, то имеет смысл в первую очередь присмотреться именно к этой модели, ведь ее по праву можно считать одним из эксклюзивных предложений на рынке за столь скромные деньги. В чем же заключается особенность данной техники?
Не секрет, что продукция отечественного производства во все времена стоила значительно дешевле европейский аналогов.
И именно демократичная цена является главным преимуществом модели Neva Lux 8224 по сравнению с импортными конкурентами.
Очевидно, что компания BaltGaz, стремясь удовлетворить максимум пожеланий покупателя за относительно небольшие деньги, «одарила» агрегаты Neva Lux 8224 достаточно обширной для своего ценового сегмента комплектацией. Отметим следующие особенности данной конструкции:
- Наличие двух теплообменников – для ГВС и отопления;
- Способность агрегата самостоятельно поддерживать температуру теплоносителя на заданном уровне с погрешностью в 1 градус по Цельсию;
- Возможность агрегации с внешним термостатом;
- Наличие многоуровневой системы безопасности, которая гарантирует долгий срок службы;
- Электронное управление работой горелки, автоматическая система зажигания, а также постоянная электронная модуляция пламени;
- Наличие жидкокристаллического монитора, который позволяет контактировать с техникой через удобный и понятный интерфейс;
- Наличие системы самостоятельной диагностики ошибок и неисправностей;
- Встроенный циркуляционный насос и большой расширительный бак, делающий работу системы еще безопаснее.
Не секрет, что для среднестатистического котла европейского производства набор опций газового котла Нева Люкс 8224 считается нормой.
Большинство современных немецких котлов комплектуется гораздо более продвинутыми системами безопасности, а по параметру экономичности они превосходят отечественную технику.
Важно
И, тем не менее, демократичная цена и репутация компании как производителя «со стажем» стали причиной немалого спроса на газовый котёл Нева Люкс 8224.
Рассмотрим подробнее технические параметры данной модели, дабы убедиться в том, что ее популярность на отечественном рынке и рынке стран СНГ действительно заслужена.
Технические особенности модели
Агрегат Neva Lux 8224 комплектуется закрытой камерой сгорания, воздух в которой нагнетается с помощью встроенной турбины. В комплекте с оборудованием поставляется труба, облегчающая монтаж техники.
Эта модель имеет два теплообменника для контура ГВС и отопления. Номинальная мощность Neva Lux 8224 достигает 24 кВт, что говорит о том, что владельцы жилой площади до 230-250 квадратных метров могут смело покупать этот аппарат, так как он обеспечит дом теплом в любое время года.
В своем самом производительном режиме котел потребляет 2.62 кубических метров газа. При этом агрегат может похвастаться довольно высоким КПД на уровне 92.5%. При температуре теплоносителя на уровне 25 градусов Цельсия газовый котёл Нева Люкс 8224 способен производить до четырнадцати литров горячей воды в минуту.
В комплекте с котлом Нева Люкс 8224 идет инструкция, которая облегчит процесс монтажа. При этом перед установкой нужно учитывать, что котел имеет вход и выход отопительного контура G 3/4 дюйма, вход газа G 3/4 дюйма, а также вход и выход контура ГВС G 1/2 дюйма.
Небольшой вес с упаковкой в 36.5 кг и скромные габариты 720х410х326 мм в немалой степени облегчают монтаж агрегата и его транспортировку от места покупки к дому. При этом пусть вас не смущает небольшой вес – аппарат рассчитан на эксплуатацию в экстремальных условиях Сибири при низких температурах и работает серьезней, чем выглядит.
Российские инженеры очень серьезно подошли к созданию универсального отопительного агрегата, что видно по конструкции Neva Lux 8224. Если вы как покупатель ищите гармонии между ценой и качеством, то многие специалисты рынка посоветуют вам именно эту модель, ведь надежность, простота в эксплуатации и адаптивность к российским условиям – принципиальные плюсы этого котла.
Как почистить колонку Нева в домашних условиях
Чтобы бойлер Нева продолжал исправно работать, каждые 2-3 года требуется промывать теплообменник, устраняя скопившуюся накипь и сажу. Почистить газовую колонку Нева в домашних условиях удастся даже при плохом качестве воды. Обслуживание проводят в несколько этапов:
- Снимают радиатор — чтобы вытащить теплообменник колонки Нева, раскручивают кожух, отсоединяют воду и газ. Демонтируют дымовыводящий узел. Вытаскивают радиатор.
Промывают и чистят теплообменник — сажу с пластин удаляют при помощи жесткой щетки и мыльного раствора. Для удаления накипи внутреннюю полость змеевика промывают специальной «химией» или лимонной кислотой.
При серьезных загрязнениях обслуживание колонки проводят в специализированном сервисном центре. Промывка осуществляется при помощи насосного оборудования.
Прочитав замечания реальных пользователей об особенностях использования газовых водонагревателей компании БалтГаз можно выделить несколько плюсов и минусов бойлеров:Преимущества:
- Гарантийный ремонт — оказывается в полном масштабе, сервисные центры есть в каждом регионе РФ, в транспортной доступности.
Стоимость газовых колонок Нева и Нева Люкс приблизительно на уровне китайской продукции, качество сборки при этом существенно выше.
Простота ремонта — запчасти для колонки Нева стоят дешево, на рынке есть все необходимые комплектующие по отдельности и ремкомплекты.
Недостатки:
- Присутствуют мелкие недоработки, особенно очевидные в моделях с модуляционными горелками.
Теплообменник низкого качества, чувствительный к отсутствию обслуживания.
Водяной регулятор часто выходит из строя.
Ниже приводится несколько отзывов о пользовании колонками Нева и Нева Люкс:
Автор отзыва: Бурак Юрий
В колонке привлек внешний вид, функциональные возможности. В процессе эксплуатации заметил следующие минусы: через несколько лет вышел из строя датчик температуры, почти сразу потек теплообменник. Благо, что любую деталь можно без проблем найти на рынке.
Автор отзыва: Попов Александр
Выбрал автоматическую модель 6014. Главный недостаток, сбои при модуляции пламени. Нагрев воды проходит скачками. Сначала температура поднимается до 55-60°. Только через несколько минут нагрев постепенно выравнивается и снижается до 40°С
Автор отзыва: Сергей Урюпин
проблема с чрезмерным нагревом решается. Для этого нужно правильно отрегулировать колонку. Не нужно экономить на вызове специалистов и пытаться самостоятельно установить и подключить водонагреватель.
Меры безопасности
Руководство для пользователя
1. МЕРЫ БЕЗОПАСНОСТИ
В целях собственной безопасности и во избежание выхода котла из строя категорически запрещается: пользоваться неисправным котлом; включать котел в работу без установленной дымоотводящей трубы или при неисправном дымоходе; выполнять газоопасные работы, все работы по техническому обслуживанию и ремонту котла должны
производиться только специализированной сервисной организацией;
производить уход за котлом, находясь в состоянии алкогольного или наркотического опьянения; вносить изменения в конструкцию котла; прикасаться во время работы котла к трубе отвода продуктов сгорания, т.к. температура нагрева этой
трубы может превышать 100
С (для раздельных труб дымоотвода и воздуховода);
использовать газо – и водопровод, а также систему отопления для заземления; прикасаться к котлу, если Вы стоите без обуви (или Ваша обувь намочена) на влажном полу; производить уход за котлом, если он не отключен от электросети и газоснабжения; вносить изменения в работу систем безопасности и контроля без разрешения и указания от
повреждать и деформировать элементы электропроводки котла, даже если отключено электропитание; подвергать котѐл воздействию атмосферных осадков. Во избежание отравления угарным газом, помещение, в котором устанавливается котел, должно иметь
вентиляцию, обеспечивающую воздухообмен не менее одного объема помещения в час.
При длительном простое котла в зимнее время или при возникновении опасности замерзания
трубопроводов необходимо слить теплоноситель из котла и из системы отопления.
Не храните легковоспламеняющиеся и летучие вещества (бензин, растворители и т. п.) в помещении, в
котором установлен котел.
При нормальной работе котла и при исправном газопроводе в помещении не должно ощущаться запаха
ЕСЛИ ВЫ ПОЧУВСТВОВАЛИ ЗАПАХ ГАЗА:
1) закройте кран подачи газа, находящийся на газопроводе перед котлом; 2) откройте окна и двери для проветривания помещения, обеспечив максимальный приток свежего воздуха; 3) не пользуйтесь электроприборами во избежание возникновения искры; 4) не пользуйтесь телефоном в загазованном помещении; 5) не курите и не пользуйтесь открытым огнем (зажигалками, спичками и т.п.); 6) немедленно вызовите аварийную службу газового хозяйства по тел. 04.
Пользование неисправным котлом или невыполнение вышеуказанных правил эксплуатации может
привести к взрыву или пожару, отравлению газом или продуктами сгорания.
Первыми признаками отравления являются: тяжесть в голове, сильное сердцебиение, шум в ушах,
головокружение, общая слабость. Затем могут появиться одышка, тошнота, рвота, нарушение двигательных функций. Пострадавший может потерять сознание.
Для оказания первой помощи при отравлении газом или продуктами сгорания необходимо:
1) вынести пострадавшего на свежий воздух; 2) вызвать скорую помощь; 3) расстегнуть стесняющую дыхание одежду; 4) дать понюхать нашатырный спирт; 5) тепло укрыть, но не давать уснуть.
Доврачебную помощь при поражении электричеством нужно начать оказывать немедленно, по
возможности на месте происшествия, одновременно вызвав медицинскую помощь.
Прежде всего, нужно как можно скорее освободить пострадавшего от действия электрического тока. Если
нельзя отключить электроустановку от сети, то следует сразу же приступить к освобождению пострадавшего от токоведущих частей, используя при этом изолирующие предметы. Освобождая человека от напряжения, следует воспользоваться канатом, палкой, доской или другим сухим предметом, не проводящим ток.
Доврачебная помощь после освобождения пострадавшего зависит от его состояния. Если он в сознании, то нужно обеспечить ему на некоторое время полный покой, не разрешая ему
двигаться до прибытия врача.
Если пострадавший дышит очень редко и судорожно, но прощупывается пульс, надо сразу же сделать
искусственное дыхание по способу “изо рта в рот” или “изо рта в нос”. В случае отсутствия дыхания немедленно вынести пострадавшего в теплое помещение со свежим воздухом и производить искусственное дыхание до приезда врача.

Монтаж и подключения газовой колонки Нева-4510
Месторасположение для установки газовой колонки Нева-4510, 4513 Газовую колонку Нева-4510, 4513 (водонагреватель ВПГ) необходимо устанавливать на кухнях или других нежилых отапливаемых помещениях в соответствии с проектом газификации. Объем помещения, где устанавливается водонагреватель, должен быть не менее 8 м3. Помещение должно иметь окно с форточкой (открывающейся фрамугой) для постоянного притока свежего воздуха во время работы аппарата. Прибор необходимо подсоединять к дымоходу с хорошей тягой и как можно ближе к дымоходу. Запрещается устанавливать аппарат над источником тепла или открытого пламени (например, над газовой плитой, электрическими нагревательными приборами).
Ошибки газовых котлов Ферроли

Ошибки газовых котлов Аристон

Неисправности и ремонт Ферроли
Эксплуатация и ремонт котлов Baxi
Ошибки газовых котлов Бакси
Ремонт и настройки котлов Китурами
Эксплуатация котлов Daewoo
Ошибки газовых котлов Беретта
Регулировки и ремонт Протерм Гепард
Ошибки газовых котлов Будерус
Ошибки газовых котлов Вайлант
Неисправности и ремонт Навьен
_______________________________________________________________________________
_______________________________________________________________________________
__________________________________________________________________________ЭКСПЛУАТАЦИЯ И РЕМОНТ КОТЛОВПротерм Пантера Протерм Скат Протерм Медведь Протерм Гепард ЭванАристон Эгис Теплодар Купер Атем Житомир Нева Люкс Ардерия НоваТермона Иммергаз Электролюкс Конорд Лемакс Галан Мора Атон
_______________________________________________________________________________
Модели котлов Советы по ремонту котлов Коды ошибок Сервисные инструкции
_______________________________________________________________________________
Монтаж и эксплуатация газовых котлов Бош 6000
Управление и обслуживание котлами Vaillant Turbotec / Atmotec
Обзор газовых котлов Житомир-3 Атем
Монтаж системы отопления частного дома
Котлы Данко, Росс и Dani — Ответы специалистов на вопросы пользователей
Рекомендации по монтажу настенных газовых котлов Навьен
Обзор твердотопливного котла Купер ОК-15 Теплодар
Неисправности и ошибки котлов Ферроли
Сборочные элементы, монтаж и подключение электрокотла Скат Protherm
Обзор отопительных котлов Дон КСТ-16
Ремонт и сервис котлов Вайлант — ответы экспертов
Обзор газового котла КСГ Очаг
Обзор отопительного котла Купер ОК-20 Теплодар
Комплектация и компоненты электрического котла Протерм Скат
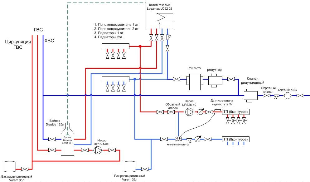
Подключение и ввод в работу котла Будерус Логомакс U072
Ответы специалистов по неисправностям котлов Китурами
Советы мастеров по обслуживанию котлов Навьен
Обслуживание компонентов газового котла Navien Deluxe
Подключение котла Аристон Egis Plus 24 ff к рабочим системам
Содержимое:Устройство и принцип работы колонок Neva и NevaLux</li>Как установить колонку Нева</li>Как включить колонку Нева</li>Колонки Нева — неисправности и их устранение</li>Как почистить колонку Нева в домашних условиях</li>Отзывы о проточных колонках Нева</li></ol>Компания БалтГаз выпускает: газовые колонки Нева (Neva) и Нева Люкс (NevaLux), запорную и регулирующую арматуру, дымоходы и все необходимые для подключения комплектующие. Водонагреватели работают в проточном режиме, предназначены для одновременного подключения 1-3 точек водоразбора. Благодаря компактным размерам легко устанавливаются даже в небольших помещениях, используемых под котельную.
























































