Газовое отопление: котел в частном доме
Главная проблема при установке газового отопления в частном доме — это то, какой газ будет использоваться: баллонный или магистральный. Если дом еще не подключен к газопроводу, то на подключение и прокладку коммуникаций потребуется время, поэтому запас баллонов с газом не помешает:
Баллоны следует разместить в отдельном помещении — это обязательное условие. Подключаются баллоны с газом через систему редукторов. Котел и для магистрального, и для баллонного отопления одинаков. Тем более, что баллоны в загородных домах применяются все чаще в наше время постоянного удорожания энергоносителей.
Этот вариант влетит в копеечку, но намного удобнее установить газгольдер — большой резервуар для хранения газа:
Для отопления отдельного помещения рекомендуется использовать конвекторы, которые нагревают комнату за счет продуктов сгорания газа очень быстро:
Газовые отопительные конвекторы устойчивы к перепадам температур и компактны. Недостаток — их невозможно использовать для обеспечения горячего водоснабжения.
Как можно обогреть частный дом
Индивидуальный дом, как правило, имеет площадь до 150 м2, поэтому монтаж отопления в частном доме можно выполнить своими руками.

Вариантов обогрева частного дома существует несколько:
- с использованием печи или камина, работающих на твердом топливе;
- с использованием переносных (иногда стационарных) электрических нагревателей – масляных радиаторов, конвекторов, тепловентиляторов, инфракрасных излучателей;
- с использованием электрической системы обогрева пола;
- водяное отопления частного дома – с помощью радиаторов или труб, проложенных в стяжке пола.

В общественных и производственных зданиях используют иногда воздушную систему отопления – когда нагревательный прибор (обычно электрический) нагревает воздух и он по трубам подается в помещение. Для жилого дома эта система слишком громоздкая и шумная.













Бивалентные гибридные системы отопления на базе тепловых насосов
Гибридная система отопления (бивалентная) состоит из основного источника тепла, пикового догревателя и буферного накопителя. Данная система позволяет максимально эффективно использовать тепловой насос при минимальных капиталовложениях.
Функционирование бивалентной системы
Как известно, отопительное оборудование подбирается согласно теплопотерь помещения при минимальной температуре наружного воздуха (для Киева -22 °С). Это значит что подобранный котел должен обогреть Ваше помещение в диапазоне температур: от -22 до +8 °С. Если же проанализировать Климатологию, то окажется что количество дней в отопительном сезоне когда температура опускается ниже -15 °С составляет меньше 5%. Поэтому, нецелесообразно проводить подбор теплового насоса на максимально низкую температуру наружного воздуха, намного выгоднее приобрести тепловой насос меньшей производительности и недорогой дублирующий источник тепла (пиковый догреватель — дешевле всего электрокотел) который будет включаться в работу исключительно при температуре ниже точки бивалентности (как правило -15 °С). Плюсом данной системы является также резервирование системы отопления.
Основные Плюсы:
- Резервирование системы отопления
- Возможность приобретения теплового насоса меньшей теплопроизводительности
Основные Минусы:
Нет
5. Какой мощности нужен тепловой насос?
Если у Вас новый дом из газоблока утепленный 100-120-150 мм минваты или пенопласта (стены и фундамент на глубину промерзания), хорошие двохкамерные энергосберегающие стеклопакеты, утепленная крыша (150-200мм), утепленный пол по грунту (минимум 100 мм.), тогда теплопотери Вашего дома составляют 50 Вт/м2 (при -22 °С):
- Дом 100 м2 — 5 кВт
- Дом 150 м2 -7,5 кВт
- Дом 200 м2 — 10 кВт
- Дом 250 м2 — 12,5 кВт
- Дом 300 м2 — 15 кВт
- Дом 350 м2 — 17,5 кВт
- Дом 400 м2 — 20 кВт
- Дом 450 м2 — 22,5 кВт
- Дом 500 м2 — 25 кВт
- Здание 1000 м2 — 50 кВт
В принципе такие телопотери свободно может покрыть тепловой насос воздух-вода серии Zubadan:
- Дом 100 м2 — 5 кВт — PUHZ-SW50VHA
- Дом 150 м2 -7,5 кВт — PUHZ-SHW80VHA
- Дом 200 м2 — 10 кВт — PUHZ-SHW112VHA/PUHZ-SHW112YHA
- Дом 250 м2 — 12,5 кВт — PUHZ-SHW140YHA
- Дом 300 м2 — 15 кВт — PUHZ-SHW140YHA + резерв 3 кВт
- Дом 350 м2 — 17,5 кВт — PUHZ-SHW230YKA
- Дом 400 м2 — 20 кВт — PUHZ-SHW230YKA
- Дом 450 м2 — 22,5 кВт — PUHZ-SHW230YKA + резерв 3 кВт
- Дом 500 м2 — 25 кВт — PUHZ-SHW230YKA + резерв 5 кВт
- Здание 1000 м2 — 50 кВт — Каскад из 2-х тепловых насосов PUHZ-SHW230YKA + резерв 4 кВт
При выборе мощности теплового насоса следует также учесть мощность необходимую для подогрева вентиляции, бассейна, горячей воды и т.п. Поэтому перед приобретением — посоветуйтесь с экспертом и выполните расчет теплопотерь.
Двухтрубные системы отопления
В двухтрубной системе отопления батареи подсоединяются уже не к одной общей магистрали, а к двум – подающей и обратке. Так распределение тепла по зданию происходит более равномерно. К каждому теплообменнику вода подходит примерно одинаково нагретой. Не зря такую схему принято использовать в многоэтажках с большим количеством обогреваемых помещений. Но и в коттеджах ее также часто устанавливают, особенно если они большие и в несколько этажей.
Схема двухтрубного отопления для частных домов обладает только одним серьезным минусом – ценой. Часто в сравнении с однотрубным аналогом упоминается ее дороговизна. Однако трубы в этом случае требуются меньшего диаметра. Их протяженность увеличивается здесь в два раза. При этом за счет уменьшения сечения итоговая смета оказывается не такой завышенной, как может показаться на первый взгляд.
Это, анализируя виды фундаментов, можно сразу однозначно сказать, что монолит выйдет дороже ленточного основания. С обустройством отопления частных домов все не столь просто и легко. При его монтаже используются разные по диаметру трубы, различные фитинги и термостаты. Общая стоимость каждой разновидности надо рассчитывать индивидуально для реального строения и под конкретные параметры требуемого температурного режима.
С нижней разводкой
При нижней схеме обе трубы укладываются над полом или в нем. А к батареям от них снизу подводится пара отводов. Подобное подключение часто применяется для сокрытия трубопроводов отопления за отделкой. Это больше дизайнерское решение, особых преимуществ в вопросе теплоотдачи оно не дает.

Двухтрубная с нижней разводкой
Наоборот, нижний способ подсоединения радиаторов предполагает самые высокие теплопотери. Его вообще не рекомендуется использовать в отопительных системах с естественной (гравитационной) циркуляцией. Если выбрана эта разводка, то придется позаботиться о наличии специального оборудования для прокачки теплоносителя, а батарее выбирать с большей мощностью. Котел без циркуляционного насоса с подачей тепла по дому здесь в одиночку не справится.
С верхней разводкой
У верхней разводки отопления подсоединение радиаторов к трубам может быть диагональным либо боковым
Здесь это не самое важное. Главный отличительный признак этого вида водяного обогрева – наличие расширительного бачка

Двухтрубная с верхней разводкой
Бак-расширитель ставится на чердаке. Нагретая в котле вода фактически попадает сначала в этот накопитель. В подающую трубу теплоноситель идет уже естественным путем из него сверху вниз. А далее вода после отдачи тепла в радиаторе отправляется по обратке вновь в нагреватель.
Виды водяных систем отопления в частном доме
Существует несколько видов водяного отопления для частных домов. Здесь мы подразумеваем стандартные системы обогрева с помощью радиаторов, теплые полы и плинтусное отопление. Отдельные виды могут совмещаться друг с другом, что позволяет достичь эффективного обогрева. Например, в спальнях и гостиных монтируются обычные радиаторы, а в ванных комнатах и туалетах нередко прокладываются теплые полы – отличное решение для тех, кто не выносит холода и не любит холодный кафель. Давайте разберемся в отдельных видах отопления и в их преимуществах.
Радиаторные
Радиаторные системы отопления являются неустаревающей классикой. Принцип их работы заключается в передаче тепла от теплоносителя через устанавливаемые в помещениях радиаторы. Такие отопительные системы смонтированы в подавляющем большинстве зданий различного назначения – в жилых, производственных, административных, хозяйственных и многих других. Они отличаются относительной легкостью в монтаже – достаточно протянуть трубы и подключить к ним радиаторы.
Раньше водяное отопление в частном доме предусматривало монтаж громоздких чугунных радиаторов. Со временем им на смену пришли более легкие и тонкие стальные радиаторы, изготовленные из стойкой к коррозии стали. Позднее на свет появились алюминиевые батареи – они отличаются легкостью, дешевизной и выносливостью. Для частного дома это самый идеальный вариант батарей.
Главным плюсом радиаторных систем является то, что для их прокладки не нужно заливать бетонные стяжки. Весь монтаж сводится к установке котла и радиаторов с их последующим подключением. Радиаторы обеспечивают эффективный прогрев помещений и не нарушают дизайн интерьеров, особенно, если в качестве них выступают современные алюминиевые многосекционные батареи.
Теплый пол
Водяное отопление пола в частном доме может работать как в самостоятельном режиме, так и во вспомогательном. В самостоятельном режиме надобность прокладывать трубы с радиаторами отпадает, а все тепло испускают полы. Благодаря этому на таких полах могут без опаски играть дети, их не продует и не просквозит. У вас постоянно мерзнут ноги? Тогда вам обязательно придутся по душе всегда теплые полы. Во вспомогательном режиме они работают как дополнение к радиаторным системам.
Системы теплых полов хороши на кухнях, в ванных комнатах и туалетах. где на полу чаще всего лежит вечно холодная плитка. Прокладка отопления поможет сделать полы теплыми и комфортными. Например, в ванной комнате вам больше не придется становиться босыми ногами на холодную плитку. То же самое относится и к туалету. Если у вас на кухне лежит кафельный пол, смело укладывайте системы теплых полов и здесь. Еще одно место, где теплый пол станет атрибутом комфорта, это спальня – согласитесь, мало приятного вылезать из-под теплого одеяла и становиться пятками на холодные полы.
Для теплых полов характерна низкая температура теплоносителя, не превышающая +55 градусов, что позволяет создавать экономичные системы отопления. Но необходимость делать бетонные стяжки и проходить сквозь стены и дверные коробки является весомым минусом. Лучше всего продумать необходимость монтажа системы еще на этапе постройки дома.
Плинтусные
Современные отопительные системы, построенные на основе классических алюминиевых радиаторов, отличаются тем, что тепло от них распространяется только вверх – за счет естественной конвекции. В результате весь теплый воздух поднимается, а на его место поступает холодный воздух. Нет ничего удивительного в том, что у домочадцев начинают мерзнуть ноги. Единственным плюсом является отсутствие холода от окон, так как он уносится конвекцией к потолку. Но что делать с отоплением? Не опускать же радиаторы на самый пол?
Выходом из ситуации становятся плинтусные системы отопления. Здесь используются малогабаритные радиаторы, сделанные из латуни или алюминия. Подача теплоносителя осуществляется с помощью пластиковых труб небольшого диаметра. Система дополняется кранами, спускниками воздуха и прочими необходимыми аксессуарами.
Все это уложено в специальный пластиковый плинтус – попадающий сюда воздух нагревается и нагревает находящиеся сверху стены. Далее помещение согревается инфракрасным излучением от нагретых стен и полов. Сквозняки, дующие по полу, в обогреваемых помещениях отсутствуют. Здесь прогреваются не только стены, но и сами полы, делая комнаты теплыми и комфортными.
Достоинством плинтусного отопления является то, что его можно проложить на любом этапе, даже после завершения строительства. Недостатки – высокая стоимость монтажа и куча требований к размещению плинтусов и прочих элементов. Допускается и одновременный монтаж всех видов описанных систем.
Порядок проведения работ
Если все готово, можно приступать к монтажу. Вот основные его этапы:
Установка котла
Подключение теплогенератора к системе газоснабжения может осуществлять только сотрудник газового хозяйства, но все остальное пользователь вправе сделать самостоятельно. Прежде всего, нужно правильно выбрать место для котла. Он должен стоять поближе к дымоходу, так чтобы длина соединяющей их трубы не превышала 25 см. Площадь поперечного сечения дымохода должна быть не меньше, чем у дымоотводящего патрубка котла.
Объем помещения должен составлять не менее 15 куб. м, а при мощности котла свыше 75 кВт – по 0,2 куб. м на каждый киловатт.

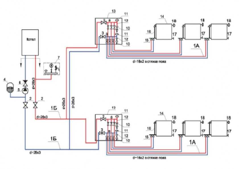
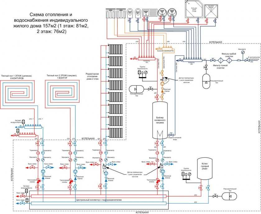
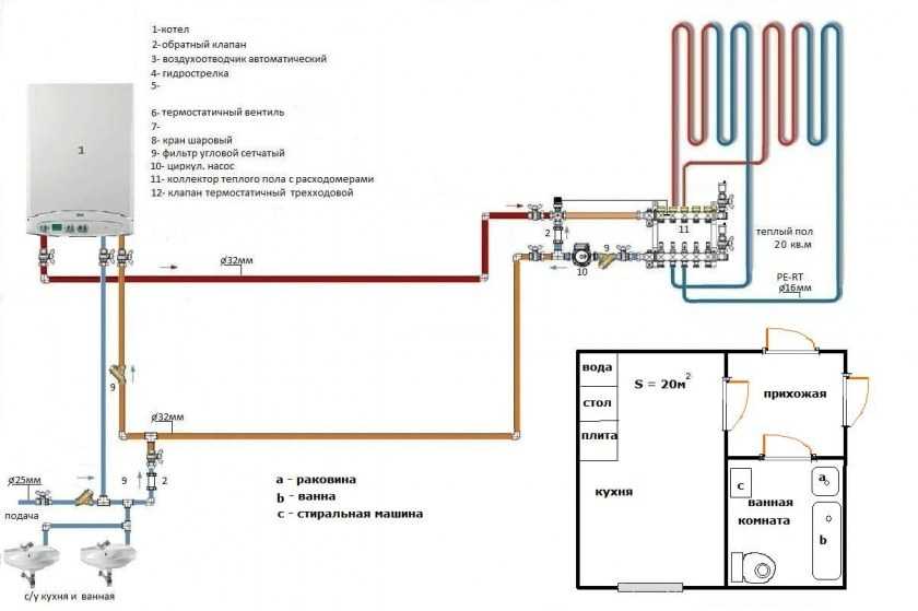
Схема отопления с газовым котлом
В помещении должно быть окно, минимальная площадь которого определяется из расчета 0,03 кв. м на каждый куб. м объема.
В котельную должен поступать свежий воздух – непосредственно с улицы либо через соседнее помещение, например, через кухню.
Подключать полимерные трубы непосредственно к котлу нельзя. Между ними и теплогенератором должен быть металлический участок длиной не менее 3 м.
Разметка
Перед тем как продолжить монтаж системы отопления, нужно отметить на стенах местоположение крепежных элементов и отверстий для пропуска труб.
Разметку отверстий под кронштейны радиаторов удобнее всего наносить при помощи шаблона.
Если предполагается использовать секционные радиаторы большой длины, то кронштейны нужно располагать не только с краю, но и посредине, чтобы избежать провисание прибора с его последующей деформацией и разгерметизацией.
Установка оборудования и монтаж трубопроводов систем отопления
Рассмотрим монтаж системы отопления из полипропиленовых труб. Перед навешиванием радиатора на стене можно закрепить лист фольги, которая уменьшит теплопотери за счет отражения инфракрасного излучения. Еще один полезный прием – установка над радиатором плавно изгибающегося жестяного козырька, который облегчит нагретому воздуху выход из-под подоконника.
Циркуляционный насос устанавливают на линии «обратки» перед самым котлом. Здесь теплоноситель является наиболее холодным, а значит, насос прослужит дольше.
Этот участок хорошо подходит и для мембранного расширительного бака. Последний очень не любит турбулентность, и как раз перед циркуляционным насосом она почти никогда не наблюдается.
Воздухоотводчик устанавливается в самой высокой точке контура.

Готовая отопительная система с трубопроводом
Соединения в полипропиленовых и металлопластиковых трубопроводах выполняются разными способами. Детали из полипропилена свариваются, для чего их нужно разогреть на специальном инструменте, называемом в обиходе паяльником или утюгом.
Время выдержки строго регламентировано и зависит от диаметра детали и толщины ее стенки. После разогрева одна из деталей одевается на другую и по мере остывания они образуют прочный сплав.
Ни в коем случае нельзя сваривать полипропиленовые трубы между собой встык, без применения муфты. Такое соединение не выдержит внутреннего давления и очень быстро даст течь.
Для присоединения металлопластиковой трубы к арматуре или радиатору на ней необходимо закрепить фитинг. Фитинги бывают двух видов:
- Обжимные: самый доступный, а соответственно, и самый популярный вариант. Деталь состоит из штуцера, разрезного кольца (сухаря) и накидной гайки. Первой на трубу надевается гайка, затем – сухарь, после чего в нее вводят штуцер. Теперь сухарь нужно надвинуть на штуцер, а следом за ним – накидную гайку, которая при этом навинчивается на имеющуюся на штуцере резьбу. Затягивать гайку нужно до того момента, пока не услышите четырехкратное поскрипывание материала. У обжимных фитингов есть существенный недостаток: время от времени их приходится подтягивать, иначе они начнут подтекать. По этой причине их нельзя замуровывать в стены.
- Пресс-фитинги: более дорогая, но зато и гораздо более надежная разновидность. Фитинг имеет гильзу, которая обжимается специальными клещами вокруг штуцера после надевания на него трубы. При таком исполнении протечки исключены, так что трубы с пресс-фитингами можно безбоязненно прокладывать скрытым способом.
Перед протяжкой трубы через отверстие в стене ее конец следует обмотать полиэтиленовой пленкой во избежание попадания внутрь мусора.
Собранную систему нужно подвергнуть испытанию давлением – опрессовке. Для этого используют ручной или электрический опрессовщик. С его помощью в системе на несколько часов создают давление в 1,5 – 2 раза выше номинального.
Если за время испытаний показания манометра не изменились, значит, протечки отсутствуют.
Как обогреть дом
В индивидуальном доме люди находятся круглый год, поэтому в нем возможно использование водяных систем – радиаторной и обогрева пола. Нередко в качестве дополнительного источника тепла используют камин. Электрический обогрев очень удобен и не требует постоянного присмотра, но обходится дорого.
















Оптимальный вариант отопления своими руками в частном доме – устройство «теплого пола». Радиаторная система отопления легко монтируется, но она менее экономична.

Кроме того, в средних и северных широтах при модернизации старого неутепленного дома «теплый пол» может не обеспечить достаточный обогрев дома, и придется использовать дополнительные источники обогрева, вплоть для монтажа радиаторов. Электрическая система напрямую зависима от бесперебойного электроснабжения.

Воздушное отопление
Более традиционным видом отопления считается обогрев воздухом. В его основе лежит получение тепла при сжигании твёрдого топлива в печи. При наличии небольшого помещения достаточно одного или двух источников.
В современных системах используются специальные печи с вмонтированными в них стальными трубами для нагрева воздуха.
Затем горячий воздух поступает в систему трубопроводов, которая распределяет тепло по всем помещениям. Диаметр их больше чем у водяного отопления, радиаторы не требуются. Теплый воздух подаётся в помещение через решётки.
Плюсы:
- экономическая выгода при небольших затратах на материалы и топливо,
- тепло благоприятно влияет на здоровье,
- Нет опасности затопления и засорения труб,
- нет зависимости работы от аварийной ситуации у поставщиков топлива,
- большой срок эксплуатации.
Минусы:
- необходим постоянный контроль над процессом.
- Трудности с регулировкой температурного режима.
Инфракрасное излучение
Суть этого метода заключается в использовании свойств инфракрасных лучей. Направленный поток нагревает твердые предметы, находящиеся под излучением, а они в свою очередь повышают температуру воздуха дома.
Особенности оборудования
Инфракрасное излучение может исходить от точечных элементов или от поверхностей. Производится расчет необходимого количества приборов. Излучатели могут быть двух видов:
- переносные;
- стационарные.
Стационарные излучатели фиксируются на потолке и стенах в тех местах, где необходимо произвести нагрев. Мобильный вариант на опоре можно перемещать в пределах частного дома, его даже можно использовать на открытом воздухе.
Плюсы и минусы
Эксплуатация инфракрасных излучателей связана как с положительными, так и с отрицательными моментами. К плюсам можно отнести:
- быстрый прогрев помещения;
- экономный расход электроэнергии;
- возможность перемещения прибора;
- автоматическая регулировка режима отопления;
- использование источника тепла на открытых площадках;
- невысокая стоимость инфракрасного оборудования.
Покупку и установку излучателей для домов площадью 100 м² можно ограничить 30000 рублей. Если предусмотрено пленочное инфракрасное отопление, стартовым порогом расходов будет сумма в 160000 рублей.
Минусы инфракрасной системы отопления состоят в том, что располагаться приборы должны не ниже чем на 1,5 метра от уровня пола. Это необходимо для того, чтобы не повредилось напольное покрытие дома. Длительная работа излучателя может привести к его перегреву.
Крепление приборов
- Как правильно закрепить отопительный прибор на стене?
Он вывешивается на кронштейнах для настенного крепления. Нижний коллектор фиксируется двумя кронштейнами меду крайними и расположенными рядом с ними секциями; верхний коллектор крепится на кронштейны, расположенные с шагом не более пяти секций.

Несколько разновидностей кронштейнов для настенного крепления отопительных приборов.

Радиатор крепится в строго горизонтальном положении.
Вместо кронштейнов можно использовать гладкую арматуру диаметром 10-12 мм. Она забивается в пробуренные в стене отверстия с диаметром на 0,5 мм меньше, чем у самой арматуры. Затем конца прутков обрезаются и загибаются вверх.
























































