2 Какие особенности конструкции и запуска насосов Кама?
Водяной насос Кама представляет собой моноблок из агрегата и электрического двигателя, жестко соединенных между собой. Конструкция не имеет собственного подшипникового узла. Рабочее колесо насажено на вал электродвигателя. Двигатель запрещается использовать без воды более 60 секунд.

Центробежный насос КАМА-11 НБЦ 650/34
Если всасывающий механизм не размещают на плавающий в воде поплавок, на шланге устанавливается обратный клапан. Впускной патрубок защищен металлической сеткой оп попадания разных твердых частиц, мальков рыб и водорослей.
Перед включением корпус электродвигателя заполняется водой так, чтобы эжектор был полностью заполнен. После включения вода из эжектора поступает в ходовую часть, курсируя по нижней части корпуса.
Вода, циркулируя в агрегате, выдавливает воздух из системы до появления вакуума. Когда воздух полностью уходит из системы, начинается нормальный цикл подачи воды.
Для частного дома с целью обеспечения горячей и холодной водой рекомендуется использовать поверхностные насосы Кама моноблочного типа. Они обладают преимуществом перекачивания горячей жидкости, температурой до 110 градусов. Малошумны, поскольку имеют небольшую мощность.
Данные моноблочные системы часто применяют для поддержки давления водопроводов на дачах и коттеджах. С их помощью система функционирует, как в городе.
Мотокультиваторы Кама. Обзор модельного ряда. Особенности эксплуатации и обслуживания

Известный китайский производитель Кама представляет собой достаточно мощную производственную группу KAMA CO., LTD, выпускающую различную сельхозтехнику, силовые агрегаты, генераторы, тракторы, мотоблоки, культиваторы.
Благодаря применению новейших технологий, инновационных разработок, значительному количеству грамотного персонала (1/5 от общего количества работающих составляют высококвалифицированные конструкторы и технологи), продукция Кама пользуется заслуженным спросом не только в Поднебесной, но и странах Европы и Азии. Ряд знаменитых брендов Италии, Франции, Германии уже много лет оснащают свою продукцию двигателями Kama.
Реконструкция культиватора Кама МВК 651
Мотокультиватор Kama копает картофель
Схема подключения
В зависимости от вида насоса схема подключения может различаться.
Установка и подключение погружного насоса и автоматики
Для каждого поколения автоматики схема подключения к насосной системе имеет свои отличия, зачастую ее особенности описаны в инструкции по эксплуатации.

Рассмотрим схему подключения на примере оснащения погружного насоса автоматикой 1-го поколения с гидроаккумулятором.
- Сначала производится обвязка гидроаккумулятора. По схеме последовательно подключаются узлы. Для уплотнения резьбовых соединений используется фум-лента.
- Первая на резьбу садится «американка», с ее помощью в процессе эксплуатации будет проводиться обслуживание гидроаккумулятора с целью замены мембраны.
- Со второй стороны к «американке» прикручивается бронзовый переходник с резьбовыми ответвлениями.
- К ним прикручиваются два узла: манометр и реле давления.
- Следующей устанавливается ПВХ-труба посредством фитингового переходника на торец бронзового переходника гидроаккумулятора.
- С другой стороны труба крепится при помощи фитинга к насосу.
- Подающая труба и насос укладываются на ровном участке.

- На петли его корпуса крепится страховочный трос с запасной длиной в 3 метра.
- На трубу с интервалом в 1.5 метра хомутами крепится трос и кабель. Второй конец страховочного троса закрепляется рядом с обсадной трубой.
- После чего насос спускается в скважину, и натягивается страховочный трос.
- Далее обсадная труба накрывается защитным оголовком, предохраняющим скважину от засорения.
- Кабель подключается к реле и ведется к управляющему электрошкафу.
- Сразу после подключения начинается накачка воды в гидроаккумулятор. В этот момент необходимо спустить воздух, открыв кран.
- После того как потечет вода без воздуха, кран закрывается, и проверяются показания манометра. Стандартно реле имеет настройки по верхнему пределу давления – 2.8 атм, а по нижнему – 1.5.

Установка и подключение поверхностного насоса с автоматикой
При таком типе насоса подключение автоматики имеет ряд отличий, хотя последовательность ее подключения такая же, как у погружного типа. Различия заключаются в следующем:
- ко входу насоса присоединяется ПВХ-труба для забора воды с диаметров от 25 до 35 мм;
- на второй конец посредством фитинга прикрепляется обратный клапан и опускается в скважину, при этом труба должна иметь длину, достаточную чтобы ее конец погрузился в воду примерно на метр, иначе будет захватываться воздух;
- перед началом работы двигатель через заливное отверстие и заборная труба заполняются водой;
- при правильном герметичном подсоединении всех узлов включение насоса будет сопровождаться накачкой воды.

Принцип действия ШГН
ШГН предназначены для откачивания из скважин жидкостей с температурой не более 130 градусов, обводненностью не более 99% по объему, вязкостью до 0,3 Па*с, содержанием механических примесей до 350 мг/л, свободного газа на приеме не более 25%.
Штанговый насос состоит из цельного неподвижного цилиндра, подвижного плунжера, всасывающего и нагнетательных клапанов, замка (для вставных насосов), присоединительных и установочных деталей.
В скважину на колонне подъемных труб спускают плунжерный насос, состоящий из цилиндрического корпуса 1 (цилиндра), внутри которого имеется пустотелый поршень 2 (плунжер). В верхней части плунжера установлен нагнетательный клапан 3. В нижней части неподвижного цилиндра устанавливается всасывающий клапан 4. Плунжер подвешен на колонне насосных штанг 5, которые передают ему возвратно- поступательное движение от специального механизма (станка-качалки), установленного на поверхности.
При ходе плунжера вверх жидкость из скважины поступает через всасывающий (приемный) клапан в цилиндр насоса, так как под плунжером создается давление намного меньше чем в скважине. При ходе плунжера вниз всасывающий клапан закрывается под действием давления жидкости под плунжером и объем жидкости из цилиндра через полый канал плунжера и открытый нагнетательный клапан, открытие которого происходит от давления жидкости, находящейся под плунжером и полом канале плунжера, поступает в подъемные трубы.
В процессе непрерывной работы насоса жидкость заполняет объем подъемных труб, а затем направляется на поверхность.
Наиболее широко распространены насосы двух видов: вставные и невставные (трубные).
Штанговые насосы используются для подачи жидкости из глубоких скважин. Чаще всего штанговый насос используют при добычи нефти.

В поршень штангового насоса установлен обратный клапан, пропускающий жидкость в одном направлении.
Запорным элементом представленного клапана является шарик.
При движении поршня вниз шарик перемещается вверх, клапан открывается, пропуская жидкость через поршень.
При движении поршня вверх шарик прижимается к седлу, клапан под действием давления столба жидкости закрывается.
Преимущества ПНД труб перед стальными аналогами
Трубы, которые соединяют погружное оборудование с поверхностным центробежным насосом, заслуживают особого внимания.
Выбирая материал для этого участка, нужно учитывать следующее:
- Трубы должны быть удобными для перевозки.
- Их монтаж не должен представлять особой сложности.
- Нужно выбирать материал прочный и устойчивый к истиранию.
- Изделия должны быть эластичными и не терять функциональные характеристики при деформации.
- Отсутствие в составе материала токсичных веществ и безопасность при транспортировке чистой воды – главное условие.

Все перечисленные критерии можно обнаружить при изучении характеристик труб из полиэтилена низкого давления. Кроме того они не подвержены коррозии, как стальные водопроводные трубы. В среднем эксплуатационный период ПНД труб составляет около полувека.
Решив приобрести для подачи воды из скважины трубы из полиэтилена низкого давления, следует отдавать предпочтение качественным изделиям с соответствующей маркировкой. На трубах должно быть обозначение сорта изделия, внешнего диаметра, толщины стенки, номинального и максимального давления.
Трубы, которые планируется использовать для прокладки водопровода от источника воды, должны иметь надпись «питьевая». Для использования на дачном участке подойдут трубы диаметром 32 мм и толщиной стенок 2,4 мм. Трубы для перекачки воды имеют синюю полосу (в качестве информации можно сказать, что трубы для транспортировки газа имеют желтую полосу).
Подключение насоса
Для подключения насоса к системе водоснабжения в доме необходимо приобрести не только само оборудование, но и такие дополнительные материалы:
- фильтр для очистки воды;
- гофрированный шланг, благодаря которому будет осуществляться забор воды;
- обратный клапан с фильтром;
- шланг подачи воды;
- коннекторы;
- ФУМ-лента;
- отвертка и крепеж;
- ключи разводные;
- немного воды.
Шаг 1. Для начала следует выбрать место, где будет установлен насос. Это должно быть теплое помещение, желательно – хозяйственная постройка или подвал. Также это может быть специально оборудованное маленькое помещение, построенное возле колодца. Оно должно иметь плотный пол (желательно – бетонный). К полу и прикручивается насос таким образом, чтобы был надежно зафиксирован.

Насос прикручивается
Шаг 2. На входной патрубок наматывается ФУМ-лента для уплотнения соединений.

Уплотнение входного патрубка
Шаг 3. Гофрированный шланг подходящего диаметра подсоединяется к входному патрубку.

Подсоединение гофрированного шланга

Встроенный фильтр
Шаг 4. На другой конец водовода прикручивается клапан, имеющий сетчатый фильтр.

Клапан с сетчатым фильтром
Шаг 5. Шланг опускается в скважину.

Шланг опускается в скважину
Шаг 6. Насос соединяется с системой водоснабжения с помощью специальных коннекторов.

Насос соединяется с системой водоснабжения
Шаг 7. Насос заполняется водой через отверстие подачи, крышку фильтра, заливную горловину. Шланг забора воды и корпус насоса должны быть заполнены жидкостью.

Заполнение насоса водой
Шаг 8. Закручивается выпускное соединение.

Закручивается выпускное соединение
Шаг 9. Кабель питания устройства подключается к розетке.

Подключение к электричеству
Шаг 10. Перед тем как запустить насос, необходимо открыть все краны в системе водоснабжения, чтобы выпустить воздух. Когда насос заработает и через него пойдет вода, краны можно закрыть.

Открывается кран
Видео – Установка насосной станции дома
Поверхностный насос – удачное решение для организации автономной подачи воды в дом. Пользоваться таким насосом несложно, а с установкой при соблюдении инструкции справиться можно самостоятельно. При бережной эксплуатации насос прослужит достаточно долго.

Выбор, установка и подключение поверхностного насоса

Использование поверхностного насоса для полива сада

Поверхностный насос

Пример работы поверхностного насоса

Схема поверхностного насоса

Работающий поверхностный насос

У поверхностных насосов много преимуществ

Центробежный поверхностный насос Водолей БЦ-1,2-1,8У1.1

Вихревой

Центробежный
Эжекторный

Принцип работы самовсасывающих насосов

Горизонтальный поверхностный насос центробежный

Электронасос автоматически подаст воду в дом, что весьма удобно и практично

Насосная станция с встроенным эжектором

Насосная станция
Насос прикручивается
Уплотнение входного патрубка
Подсоединение гофрированного шланга
Встроенный фильтр
Клапан с сетчатым фильтром
Шланг опускается в скважину
Насос соединяется с системой водоснабжения
Заполнение насоса водой
Закручивается выпускное соединение
Подключение к электричеству
Открывается кран

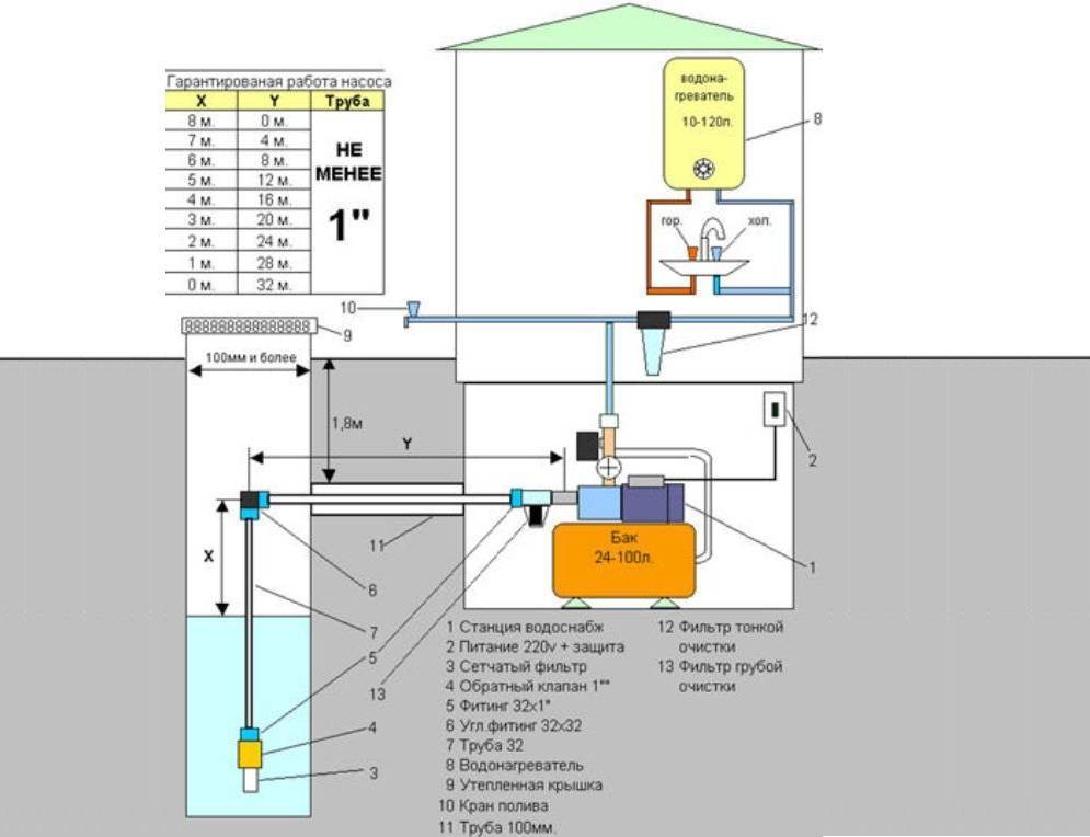
Насосная станция водоснабжения

На схеме приведены соотношения высоты всасывания (Х) к длине горизонтальной части трубопровода от колодца

Насос поверхностный Patriot PTQB70
Виды самовсасывающих насосов
Производители выпускают самовсасывающие насосы с встроенным или выносным эжектором. В данном виде насосного оборудования всасывание и подъем жидкости происходит за счет ее разряжения. Во время работы эжекторные установки издают слишком много шума, поэтому для их размещения на участке подбирается специальное помещение, находящееся на достаточном расстоянии от жилого дома. Главное достоинство самовсасывающих насосов с эжектором заключается в их способности поднимать воду с большой глубины, в среднем составляющей около 10 метров. При этом в источник водозабора опускается подающая труба, а сам насос устанавливается на некотором расстоянии от него. Такое расположение позволяет свободно контролировать работу оборудования, что сказывается на продолжительности срока его использования.
Ко второму виду оборудования относят самовсасывающие насосы, обеспечивающие подъем воды без эжекторов. В моделях данного типа насосов всасывание жидкости обеспечивается гидравлическим устройством, имеющим специальную многоступенчатую конструкцию. Гидравлические насосы работают бесшумно в отличие от эжекторных моделей, но по глубине забора жидкости они им уступают.
Устройство и принцип действия центробежного насоса
На рисунке представлено устройство самовсасывающего насоса центробежного типа. В корпусе, имеющем спиральную форму, расположено жестко закрепленное колесо, которое состоит из пары дисков с лопастями, вставленными между ними. Лопасти отогнуты в противоположную сторону от направления вращения рабочего колеса. С помощью патрубков определенного диаметра обеспечивается соединение насоса с напорным и всасывающим трубопроводом.

Так схематично можно представить устройство самовсасывающего центробежного насоса для перекачки воды, используемого в частных домах и на дачах
Принцип действия центробежных самовсасывающих насосов выглядит следующим образом:
- После наполнения водой корпуса и всасывающего трубопровода рабочее колесо начинает вращаться.
- Центробежная сила, возникающая при вращении колеса, вытесняет воду от его центра и отбрасывает ее на периферийные участки.
- За счет создаваемого при этом повышенного давления происходит вытеснение жидкости с периферии в напорный трубопровод.
- В это время в центре рабочего колеса давление наоборот понижается, что вызывает поступление жидкости через всасывающий водопровод в корпус насоса.
- По данному алгоритму происходит непрерывная подача воды самовсасывающим насосом центробежного типа.
Принцип работы самовсасывающего вихревого насоса
Воздух, показанный на рисунке желтым цветом, всасывается в корпус насоса за счет вакуума, который создается путем вращения импеллера (рабочего колеса). Далее происходит смешивание воздуха, попавшего внутрь насоса, с рабочей жидкостью, содержащейся в корпусе агрегата. На рисунке данная жидкость изображена голубым цветом.

На данном рисунке изображено устройство и принцип работы вихревого самовсасывающего насоса для подъема жидкости на высоту не более восьми метров
После поступления смеси воздуха и жидкости в рабочую камеру происходит отделение этих компонентов друг от друга, основанное на разности их плотностей. При этом отделившийся воздух выводится через подающую магистраль, а жидкость рециркулирует в рабочей камере. Когда из всасывающей линии происходит удаление всего воздуха, то насос наполняется водой и начинает работать в режиме центробежной установки.

Возможные варианты исполнения вихревых самовсасывающих водяных насосов, выпускаемых производителями для бытового использования владельцами частных домов и загородных коттеджей
На всасывающем фланце устанавливается обратный клапан, который предназначен для того, чтобы не допускать обратного попадания воздуха в трубопровод, а также для обеспечения постоянного присутствия в камере насоса рабочей жидкости. Благодаря такому устройству и принципу действия вихревые самовсасывающие насосы способны с залитой камерой обеспечивать подъем жидкости с глубины, не превышающей восьми метров, без установки донного клапана.
Лучшие поверхностные насосы для скважин
Аппараты подобного типа весьма просты в установке и обслуживании. Поверхностные насосы не нужно погружать в воду, они отличаются низкой стоимостью и долгим сроком эксплуатации. Однако такие приборы малопроизводительны и шумят при работе. Их используют для выкачивания жидкости из скважин малой глубины.
Metabo P 3300 G
4.9
★★★★★
оценка редакции
94%
покупателей рекомендуют этот товар
Смотрите обзор
Модель характеризуется высокой производительностью и мощным двигателем на 900 Вт, оснащенным системой защиты от перегрева. Устройство способно перекачивать до 55 литров жидкости в минуту. Корпус прибора выполнен из чугуна, а приводной вал — из нержавеющей стали.
Удобство использования обусловлено прорезиненной антивибрационной подставкой, эргономичной ручкой для переноски, наличием водосливной пробки, которая откручивается без применения инструментов.
Достоинства:
- простота установки и обслуживания;
- бесшумная работа;
- долгий срок службы;
- высокая производительность.
Недостатки:
тяжелый.
Metabo P 3300 G используется для обеспечения частного дома или загородного участка водой. С его помощью можно наладить систему орошения, откачать грунтовые воды или осушить бассейн.
Quattro Elementi Automatico 700 EL
4.8
★★★★★
оценка редакции
89%
покупателей рекомендуют этот товар
Отличительными чертами модели являются простота установки и использования, а также малые габариты. Благодаря встроенному блоку автоматики прибор отслеживает изменения давления и выключается при опасном снижении уровня воды в скважине.
Корпус устройства выполнен из ударопрочного пластика, не подвержен коррозии и влиянию низкой температуры. Мощный двигатель на 700 Вт обеспечивает высокую производительность устройства и позволяет перекачивать жидкость со скоростью 3000 литров в час.
Достоинства:
- ударопрочный корпус;
- малый вес;
- автоматическая работа;
- защита от сухого хода;
- наличие обратного клапана и фильтра очистки.
Недостатки:
отсутствие фиксации на поверхности.
Automatico 700 EL используется в частных домах с небольшим потреблением воды. Защита от воздействия экстремальных температур, оттока воды и загрязнения элементов конструкции продлевают срок службы насоса.
Вихрь ПН-370
4.7
★★★★★
оценка редакции
85%
покупателей рекомендуют этот товар
Особенностями модели являются простота конструкции и прочный корпус. Насос выполнен из чугуна и алюминия, благодаря чему все важные элементы устройства надежно защищены от внешнего воздействия. Прибор способен перекачивать до 45 литров воды в минуту.
Мощность аппарата в 370 Вт позволяет поднимать жидкость на высоту до 30 метров. Увеличение глубины всасывания и силы напора обеспечивается встроенным эжектором с системой труб. Плоское основание имеет четыре отверстия для креплений, гарантирующее фиксацию насоса на различных поверхностях.
Достоинства:
- высокая мощность;
- прочный корпус;
- надежная фиксация;
- производительность.
Недостатки:
отсутствие защиты от сухого хода.
Вихрь ПН-370 может быть использован на садовом участке для орошения земли. Простота конструкции и качество сборки гарантируют долгий срок службы прибора.
Беламос XA 06 ALL
4.7
★★★★★
оценка редакции
85%
покупателей рекомендуют этот товар
Смотрите обзор
На этом насосе стоит однофазный двигатель с теплозащитой. Он рассчитан на продолжительную беспрерывную работу и отличается высокой производительностью. Устройство комплектуется манометром и автоматическим реле для удобного контроля давления и приведения его к нормальному показателю.
Чугунный корпус и ножки с отверстиями для креплений обеспечивают прочность и устойчивость конструкции. Мембранный гидроаккумулятор объемом 19 литров защищает аппарат от гидроудара и позволяет создать запас жидкости на случай отключения электроэнергии.
Достоинства:
- защита от перегрева;
- отличная производительность — 47 л/мин;
- высота подъема жидкости до 33 метров;
- емкий бак;
- надежная фиксация на поверхности.
Недостатки:
отсутствие защиты от сухого хода.
Беламос XA 06 ALL используется при поднятии воды из скважин небольшой глубины. Насос может применяться для орошения приусадебных участков или водоснабжения частных домов.
Регулирующая автоматика для погружного насоса
Система автоматики, регулирующая работу насоса, состоит из нескольких элементов. Основным является реле управления, которое дополняется электрической частью. В зависимости от особенностей комплектации различают два принципа работы устройств.
Регулирующая автоматика для погружного насоса состоит из реле управления и электрической части.
Регулирование давления воды в трубопроводе. Действует в том случае, когда вода подается из скважины и система имеет гидробак. После первого подъема она заполняет емкость, далее подается в систему дома. Автоматика, работающая по такой схеме, имеет датчик с электродами.
Некоторые агрегаты (чаще предназначенные для колодцев) для контроля над количеством воды оснащаются специальными поплавками. Следует заметить, что цена погружных насосов для колодцев с автоматикой подобного типа довольно большая, однако устройства пользуются спросом. Независимо от способа контроля над наполнением гидроаккумулятора, все емкости имеют аварийный слив, который в случае необходимости снизит давление в баке. К положительной характеристике работы именно такой системы регулирования стоит отнести стабильную работу насоса, обеспеченную постоянной гидравликой.
Контроль уровня. Осуществляется при помощи команд. На реле устанавливается определенное давление, насос включается и выключается в зависимости от его изменения. Подобная схема активно применяется на частных участках, она также предполагает наличие мембранного бака. В качестве положительных характеристик такой схемы следует отметить относительную несложность монтажа и невысокую цену автоматики. Идеальную картину немного портят неточность показаний и небольшой срок эксплуатации в системе с вибронасосами.
Обратите внимание! При использовании схемы контроля уровня давления реле может быть установлено в силовую цепь насоса.
Реле давления может устанавливаться в силовую цепь насоса
Назначение и преимущества вибрационного насоса

Основной функцией указанного прибора является подача воды из скважины на не большие расстояния. Благодаря своей конструкции он может помещаться в колодцы минимального диаметра и на большую глубину.
Также такой аппарат часто применяют для перекачки воды из природного или искусственного водоема, бассейнов или других емкостей. В зависимости от мощности, класса и завода изготовителя, вибрационные насосы бывают разной производительности, начиная от 0,5 кубических метров в час и до 1,5.
Некоторые собственники используют вибрационный насос для откачки воды из подвалов или котлованов, это допустимо, но стоит отметить, что часто грунтовая вода заполняющая подвалы или вырытые ямы имеет большой процент примесей и загрязнений, которые могут засорять впускное и выпускное отверстие. Кроме того глина и песок содержащиеся в жидкости оседают на резиновых деталях и внутренних стенках корпуса, что приводит к преждевременному износу изделия.
Вибрационный насос имеет ряд преимуществ перед аналогичными приборами, работающими по другому принципу.
В первую очередь это его стоимость, в сравнении с остальными агрегатами, цена на указанный прибор может быть меньше на 150-200%. Это возможно благодаря простоте конструкции и отсутствию сложных элементов.
Также, такой аппарат имеет широкий спектр применения в разных областях. Насос используют для бытовых нужд, откачки технических жидкостей, грунтовых вод, обслуживание и ремонт можно осуществлять самостоятельно без привлечения специалистов.
Благодаря отсутствию трущихся деталей и подшипников, внутренние компоненты не нуждаются в регулярной смазке и диагностике, поэтому эксплуатационный ресурс такого изделия намного выше аналогов.
Охлаждение аппарата осуществляется водной средой, в связи, с чем перегрев двигателя практически не возможен.
Но наряду с преимуществами, существует и несколько недостатков:
- Из-за вибрации во время работы прибора, возможно уплотнение содержащихся в воде частиц грунта, песка и глины. Это приведет к закупориванию водоносной жилы и плохой проходимости жидкости в полость колодца или скважины.
- Если всасывающая камера расположена в нижней части, то такой насос нуждается в частой диагностике и очистке отверстий от глины.
- Шумность во время работы. Если стенки скважины изготовлены из металлической трубы, то вибрация будет передаваться на них и усиливать звук.
- Ограниченная глубина подачи воды, которая не должна быть больше 40 метров.
- Резьбовые соединения часто ослабевают из-за вибрации и нуждаются в периодической протяжке.
Выбор реле
При выборе гидрореле руководствуется его диапазоном в водопроводе, стандартное значение составляет 1,5 – 3 бар. При подключении с помощью манометра производят его настройку регулировочными винтами. Аналогичным образом поступают с реле сухого хода, настраивая его на отключение питания при напоре в линии менее 1,5 бар. Если частный дом имеет высокую этажность, то для подачи воды с требуемым напором на верхние этажи реле дополнительно настраивают, повышая верхний и нижний пороги срабатывания.
К примеру, если высота подъема на верхние этажи составляет 5 метров (1 бар. соответствует 10 метрам вертикального водного столба), то к верхней и нижней границам срабатывания добавляют по 0,5 бара и в итоге получают диапазон срабатывания от 2 до 3,5 бар. Выбираемая для водоснабжения дома марка должна иметь соответствующий напорный диапазон по паспорту.

Рис. 8 Насосные агрегаты с поплавками и электролитическими датчиками














































