Общие правила монтажа
Монтаж не является сложной операцией, если знать, как правильно подключить прибор. Самостоятельное исполнение часто бывает качественнее, чем работа ненадежного мастера.
При приобретении важна не столько дата изготовления, сколько дата поверки устройства. Опломбирование должно быть проведено не ранее, чем год назад.
Перед работой с прибором, нужно получить разрешение и технические условия (ТУ) от организации по энергосбыту. ТУ являются основным документом, по которому будет проверяться устройство
Поэтому важно детально изучить требуемые технические характеристики каждого устройства и комплектующих. Это избавит от замечаний и лишних доработок. Основные понятия:
Основные понятия:
- Электросчётчик — звено, пропускающее ток с напряжением, необходимым для питания техники в доме. Ориентируясь на количество используемой высокомощной техники, выбирается трехфазный или однофазный счетчик.
- Клеммы — места для подсоединения проводов. Перед началом установки стоит изучить их маркировку.

Монтаж возможен внутри каждой отдельной квартиры или на общей лестничной площадке, в частных домах — внутри и вне здания. На расположение влияет то, заменяется старая или подключается новая проводка.
Схема подключения электрического счетчика осуществляется через трансформаторы тока или без них. Для косвенного типа применяются трансформаторы тока и напряжения.
На всех этапах следует соблюдать правила электробезопасности
Важно знать, что не допускается подключение однофазного электроприбора в сеть на 380 вольт
Последовательность операций подключения
Этапы установки:
- отключение входного питания;
- снятие пломб;
- открытие клемм;
- подсоединение проводов.
Перед монтажом следует убедиться, что сеть обесточена, воспользовавшись индикатором.
С момента опломбирования должно пройти не более 12 месяцев. Разрешено подключение 3-х фазного счетчика без видимых механических повреждений кожуха и стекла корпуса.
Возможна установка, если на корпусе трехфазного счетчика есть пломбы ОТК в виде стикера и пломбы госповерителя.
Схемы подключения трансформаторов
От того, какая схема подключения трехфазного счетчика через трансформаторы тока используется в данном случае, зависит надёжность работы всей измерительной системы в целом. При выборе той или иной из них необходимо учитывать следующие требования:
- Запрещено включать счетчик через трансформаторы тока, если он предназначен для прямого подсоединения в измерительную сеть;
- При косвенном включении необходимо исследовать электрическую схему и определиться с подходящей для неё моделью трансформатора (по мощности и току);
Важно! Перед тем, как выбрать трансформатор для каждой конкретной ситуации, прежде всего, следует обратить внимание на его коэффициент преобразования, имеющий отличные значения для разных моделей. Прежде чем выбрать трансформатор тока для определённой измерительной схемы нужно внимательно изучить порядок расположения контактов, к которым подключается трехфазный счетчик
Прежде чем выбрать трансформатор тока для определённой измерительной схемы нужно внимательно изучить порядок расположения контактов, к которым подключается трехфазный счетчик.
Далее будет рассмотрена конкретная схема подключения счетчика в трёхфазную цепь (смотрите рисунок ниже).

 Принципиальная схема включения
Поскольку общий принцип функционирования всех электросчетчиков одинаков, то назначение имеющихся на них клемм также схоже. Для фазы «А» оно выглядит следующим образом:
- Контакт К1 нужен для того, чтобы подключать к счётчику токовый провод и один конец катушки напряжения трансформатора;
- Клемма К2 предназначена для подключения нагрузки к данной фазной линии;
- Контакт К3 используется для подсоединения второго конца обмотки напряжения ТТ.
Таким же образом к счётчику подключается вторая фаза «В» (посредством клемм К4, К5 и К6), а также третья – «С» с контактами К7, К8, К9.
Обратите внимание! Клемма К10 – общая нулевая, относительно её на К1, К4 и К7 счётчика поступают фазные напряжения со следующими тремя обозначениями: «А», «В» и «С». К недостаткам совмещённой схемы следует отнести большую погрешность измерения потребляемой мощности, а также невозможность выявления пробоя в обмотках трансформатора
К недостаткам совмещённой схемы следует отнести большую погрешность измерения потребляемой мощности, а также невозможность выявления пробоя в обмотках трансформатора.
На практике чаще всего применяется более простая схема подключения электросчетчика, согласно которой осуществляется совмещённое подсоединение вторичных токовых цепей. Она функционирует следующим образом:
- К токовому контакту счётчика от сетевого автомата подключаются фазные провода. Для упрощения схемы к нему же подсоединяется вторая клемма фазного напряжения;
- Фазный ввод катушки выбираем таким образом, чтобы он одновременно являлся выходом первичной обмотки ТТ. В дальнейшем он подсоединяется к нагрузке через распределительные цепи;
- Начало вторичной трансформаторной обмотки подсоединяется к первому контакту токовой катушки счетчика (по одной из фаз);
- Конец вторичной трансформаторной катушки соединён с концом токовой обмотки подключенного счётного механизма.
Аналогичным образом подключаются все оставшиеся фазы.
Соединение и заземление вторичных обмоток счётчика осуществляется в соответствии с требованиями ПУЭ (они выполняются по схеме «звезда»).

 Образование полной звезды
Благодаря такой организации подключения контактов получается семипроводная схема (в отличие от 10-ти контактной). В заключение следует напомнить, что при подключении через ТТ важен грамотный выбор его типа.
Правильно выбрать трансформатор тока, значит, принять в расчет, что максимально допустимое токовое значение во вторичной обмотке не может превышать 40% от номинала, а минимальное – 5%. Все подключаемые к счётчику фазные напряжения должны следовать в определенном порядке, который контролируется посредством специального прибора (фазометра).
Электронные

 Устройство электросчетчика. Для увеличения нажмите) Данный измеритель — новый, усовершенствованный аппарат, что стал отличной заменой старого индуктивного.
Устроен он следующим образом: электроток и напряжение влияют на электронные элементы, по итогу создаются импульсы, численность которых измеряется пропорционально измеряемой энергии.
Проще говоря, принцип действия подобных счетчиков базируется на преобразовании напряжения и аналоговых входных сигналов тока в счетный импульс. В результате создаются импульсы, численность которых пропорционально активна энергии, которую можно измерить.
Данные аппараты имеют много плюсов и преимуществ перед старыми образцами измерителей:
- небольшие габариты;
- учетность по многим тарифам;
- контроль суточного расхода энергии;
- безошибочность;
- возможность удаленного контроля работы счетчика;
- высокий уровень безопасности;
- многофункциональность.
Примите во внимание: несмотря на многочисленные преимущества, электронные счетчики электроэнергии очень чувствительны к перепадам напряжения, практически не подлежат ремонту и имеют высокую стоимость
Как подключить электросчетчик через трансформаторы тока?

Схем такого подключения существует несколько. Разберем все эти схемы применительно к трехфазному варианту включения. Для чего нужны электросчетчики? Вообще счетчики нужны для того, чтобы учитывать электрическую энергию, потребленную в трех- и четырехпроводных сетях с частотой тока, равной 50 герц.Счетчики трехфазного типа бывают следующих видов:
- 3*57.7/100 В;
- 3*230/400 В.
К источнику электроэнергии такие счетчики необходимо подключать с использованием измерительных трансформаторов тока, рассчитанных на вторичный ток 5 А и трансформаторов напряжения со вторичным напряжением 100 В.
Рассматриваемые тут схемы применимы к любым типам счетчиков (и к аппаратам индукционного типа, и к электронным).
Первое, что необходимо помнить, выполняя подключение, это то, что при подключении необходимо соблюдение полярности подключения обмоток (Л1, Л2 – первичная; И1, И2 – вторичная) у трансформаторов тока. Полярность обмоток трансформаторов напряжения, так же, подлежит обязательной перепроверке. Сами трансформаторы, тоже нужно выбирать правильно.
О принципах подключения с использованием трансформаторов тока
Начнем рассматривать схемы подключения со счетчиков, имеющих полукосвенное включение. Таких схем существует несколько.
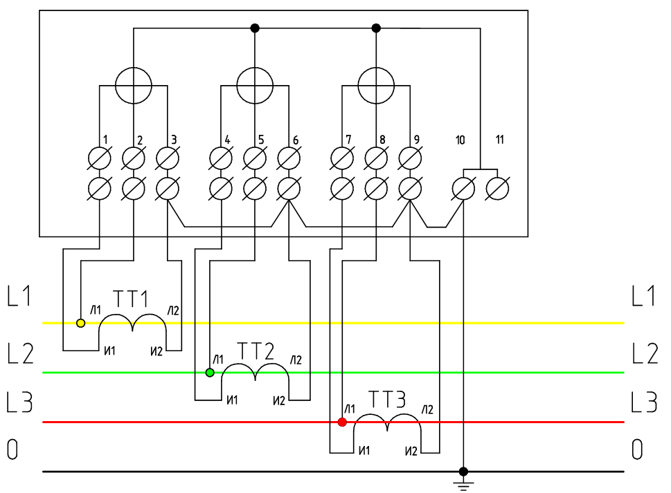
Десятипроводная
В этой схеме разделены цепи питания по току и напряжению, что придает немалый плюс из соображения электрической безопасности.
Отрицательная сторона этой схемы – проводов для подключения надо много.
Теперь разберем назначение имеющихся зажимов:
- Зажим входного провода для фазы А;
- Зажим входного провода измерительной обмотки фазы А;
- Зажим выходного провода для фазы А;
- Зажим входного провода фазы В;
- Зажим входного провода измерительной обмотки фазы В;
- Зажим выходного провода для фазы В;
- Зажим входного провода для фазы С;
- Зажим входного провода измерительной обмотки фазы С;
- Зажим выходного провода для фазы С;
- Зажим входного нулевого провода;
- Зажим нулевого провода.
Контакты трансформаторов тока:
- Л1 – контакт входа фазной (силовой) линии;
- Л2 – контакт выхода фазной линии (нагрузки);
- И1 – контакт входа обмотки измерения;
- И2 – контакт выхода обмотки измерения.
Вот описание схемы такого подключения.
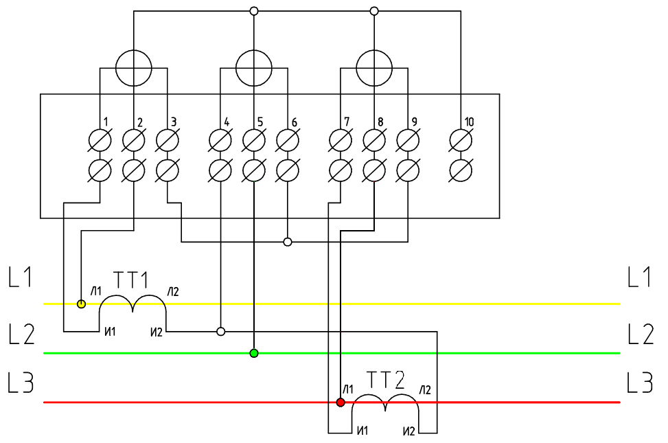
Токовые трансформаторы подключать нужно в разрыв фазных проводов клеммами Л1 и Л2.
Фаза А подключается к клемме Л1 трансформатора тока ТТ1, туда же подключается клемма 2 счетчика. Клемма 1 подключается к контакту И1 ТТ1.
Контакты И2 трансформаторов тока ТТ1 и ТТ2 нужно соединить вместе, в эту же точку подключают контакты 6 и 10 счетчика, после чего все это требуется соединить с нейтралью.
Контакты Л2 всех ТТ подключаются к нагрузке. Теперь рассмотрим подключение остальных контактов:
- Контакт 3 счетчика подключаем на И2 ТТ1;
- Контакт 4 счетчика – И1 ТТ2;
- Контакт 5 счетчика – вход фазы В и клемма Л1 ТТ2;
- Контакт 7 счетчика – клемма И1 ТТ3;
- Контакт 8 счетчика – вход фазы С и клемма Л1 ТТ3;
- Контакт 9 счетчика – клемма И2 ТТ3.
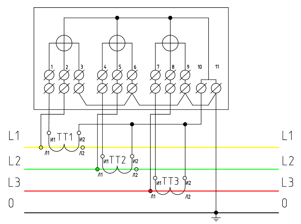
Подключение токовых трансформаторов по схеме «звезда»
В такой схеме нужно меньшее число проводов, чтобы выполнить подключение. В этой схеме клеммы И2 всех токовых трансформаторов, соединяясь вместе, подключаются к клемме 11 счетчика. Контакты 3, 6, 9 и 10, соединившись вместе, подключаем на нулевой провод. Остальные клеммы подключаем так же, как и в предыдущем варианте.
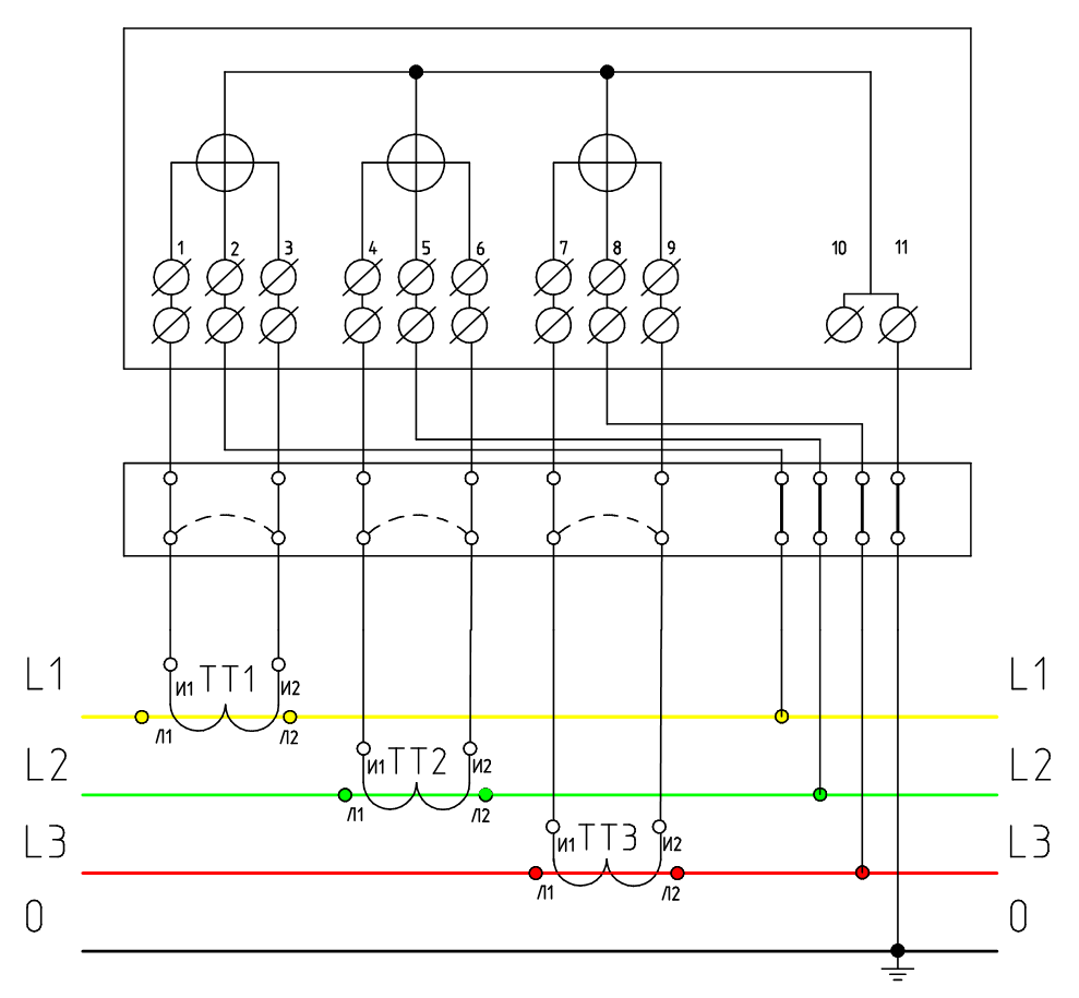
Схема подключения с применением испытательной клеммной коробки
Существует специальное требование для выполнения подключения электросчетчиков через трансформаторы (ПУЭ, гл1.5, п1.5.23), говорящее о том, что это подключение необходимо выполнять с применением испытательного блока (коробки).
Присутствие такой коробки (блока) дает возможность производить замыкание вторичных обмоток токовых трансформаторов, подключить эталонный (образцовый) счетчик без отключения нагрузки и выполнять смену счетчиков, производя отключение всех цепей в испытательной коробке.
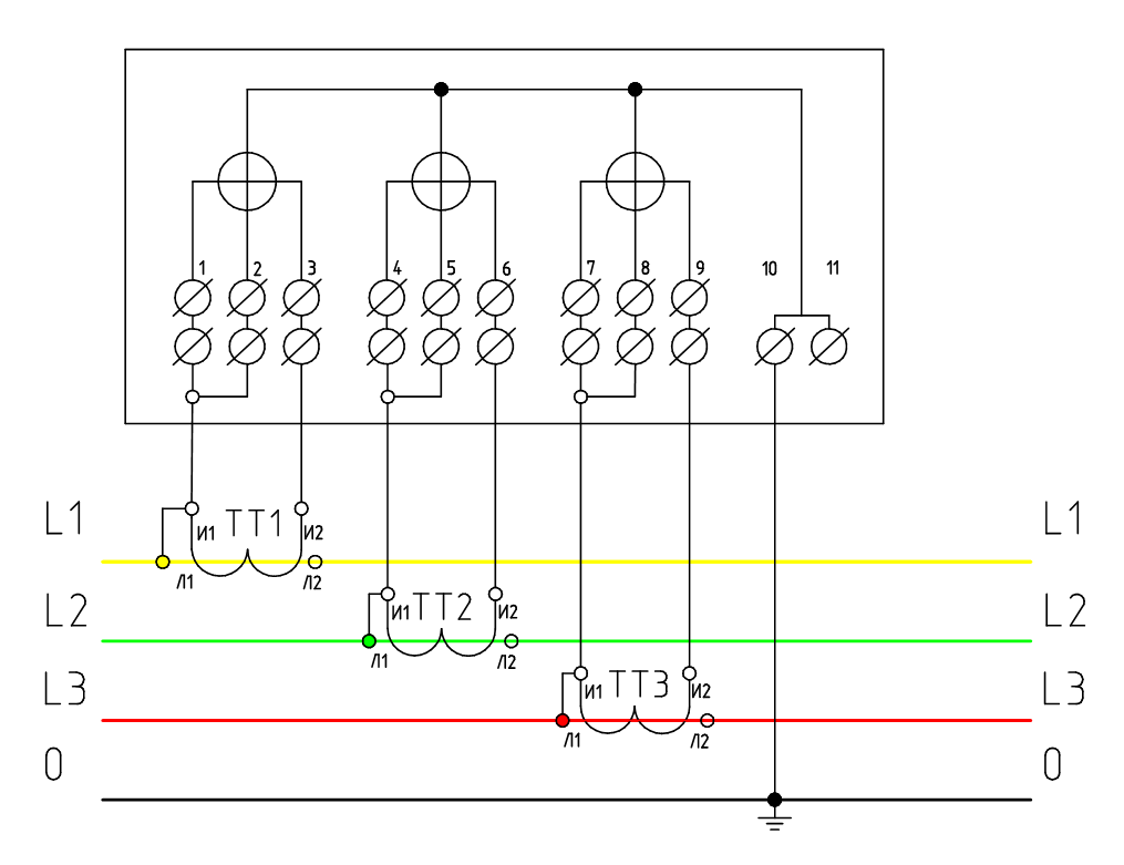
Без внимания оставим только одну схему – семипроводную (иначе называемую схемой, имеющей совмещенные цепи напряжения и тока). Не рассматриваем ее по той причине, что такая схема устарела.
Существенным ее минусом считается то, что у нее имеется связь гальванического типа между входными и выходными цепями, а это является источником немалой опасности для тех, кто будет обслуживать электросчетчики.
Вот мы и рассмотрели все существующие схемы подключения электросчетчиков с применением трансформаторов тока. Какой из них использовать, индивидуальное дело каждого. Единственное, что необходимо учитывать при этом, так это индивидуальные особенности места необходимой установки прибора и не забывать про требования специальных правил ПУЭ.
Выбор трансформаторов тока
Трансформаторы тока выбираются по номинальному напряжению, номинальному первичному току и проверяются по электродинамической и термической стойкости к токам короткого замыкания. Особенностью выбора трансформаторов тока является выбор по классу точности и проверка на допустимую нагрузку вторичной цепи.
- Трансформаторы тока для присоединения счетчиков, по которым ведутся денежные расчеты, должны иметь класс точности 0,5.
- Для технического учета допускается применение трансформаторов тока класса точности 1;
- Для включения указывающих электроизмерительных приборов — не ниже 3;
- Для релейной защиты — класса 10(Р).
Индуктивное сопротивление таковых цепей невелико, поэтому принимают Z2р = г2р. Вторичная нагрузка г2 состоит из сопротивления приборов г приб, соединительных проводов гпр и переходного сопротивления контактов гк:
Для определения сопротивления приборов, питающихся от трансформаторов тока, необходимо составить таблицу — перечень электроизмерительных приборов, устанавливаемых в данном присоединении.
Суммарное сопротивление приборов, Ом, рассчитывается посуммарной мощности:
В РУ 6—10 кВ применяются трансформаторы с /2ном = 5А; в РУ 110 — 220 кВ — 1 или 5 А. Сопротивление контактов ГК принимают 0,05 Ом при двухтрех приборах и 0,10 — при большем количестве приборов. Сопротивление проводов рассчитывается по их сечению и длине. Для алюминиевых проводов минимальное сечение — 4 мм2; для медных — 2,5 мм2.
Расчетная длина провода зависит от схемы соединения трансформатора тока и расстояния l от трансформатора до приборов:
- при включении трансформаторов тока в неполную звезду;
- 21 — при включении всех приборов в одну фазу;
- l — при включении трансформаторов тока в полную звезду.
При этом длина l может быть принята ориентировочно для РУ 6—10 к В:
- при установке приборов в шкафах КРУ / = 4… 6 м;
- на щите управления /= 30…40 м;
- для РУ 35 кВ / = 45…60 м;
- для РУ ПО — 220 кВ/ = 65…80 м.
где р — удельное сопротивление.
Полученное сечение округляется до большего стандартного сечения контрольных кабелей: 2,5; 4; 6; 10 мм2.
Условия выбора трансформатора тока приведены в табл. 7.5. Дополнительно могут быть заданы: КТН = 1т.тн/УР21ном — кратность тока динамической стойкости трансформатора тока; КТ = /Т//|„ОМ — кратность тока термической стойкости; /i„OM — номинальный ток первичной обмотки трансформатора тока.
Разновидности полукосвенного метода
Известно несколько схем подключения счетчиков, основанных на полукосвенном методе, однако наиболее распространенными являются следующие:
- десятипроводная схема;
- соединение путем расключения на специальной колодке;
- подключение по схеме «звезда».
Десятипроводная коммутация
 
Подключение 3х фазного счетчика по 10 проводной схеме – самый простой и наиболее надежный способ. Для его реализации потребуется соблюдать порядок соединения десяти проводов: по три на каждую фазу и один нейтральный. Этот вариант имеет одно бесспорное преимущество, состоящее в возможности заменять счетчик при включенном электропитании. Линию допускается оставлять под напряжением и при ремонте отключенного от нее прибора. При такой схеме токовые цепи надежно заземлены, поэтому исключается возможность появления на них опасного потенциала.
Другие схемы подсоединения
 
Соединение посредством контактных распределителей относится к более сложным методам, реализуемым путем коммутации каждого из проводов, идущих от трансформатора тока. Подключение по схеме «звезда» также характеризуется своей сложностью, но в этом случае используется меньшее количество проводников. При монтаже преобразователя сначала однополярные выходы всех трех вторичных обмоток собираются в одну общую точку. После этого три ответных конца обмоток ТТ подводятся к соответствующим клеммам счетчика.
Известна еще одна схема коммутации по полукосвенному методу, называемая 7-ми проводной. При ее организации одни из концов обмоток объединяются перемычками непосредственно в самом трансформаторе тока. Этот вариант используется в частных домах крайне редко, что объясняется рядом недостатков схемы включения.
На какой ток мне купить электросчётчик?
Как правило, однофазные электронные счётчики электроэнергии выпускаются на ток от 5А до 50-60А. Трёхфазные электронные электросчётчики выпускаются прямого на максимальный ток до 50А и до 100А и трансформаторного подключения — на токи до 10 ампер. В жилом строительстве и при реконструкции квартир счётчики трансформаторного подключения практически не используются, так как нагрузки редко превышают 100 ампер.
Но бывают и исключения. Например, есть однофазный электронный прибор учёта электроэнергии Нева 103, который рассчитан на максимальный ток 80А. Но как правило, в квартирах и домах, подключенных к однофазной цепи, токи потребления намного меньше.
Если у Вас новый дом, то на него должен быть проект, в котором прописывается на какой ток нужно поставить электросчётчик, сколько выделено мощности на дом и какой вводной автоматический выключатель нужно выбрать. Если Вы делаете ремонт в квартире и меняете там проводку, то можете определить требуемый ток по сечению провода, который подходит к счетчику. То есть, если к квартире подходит алюминиевый кабель сечением 6 кв.мм, который выдерживает до 39А, то и ставить Неву 103 на 5-80А смысла нет.
Виды трёхфазных счетчиков
Трехфазные счетчики электроэнергии в основном классифицируются так же, как однофазные, но есть и отличия. Разделяют эти приборы по принципу действия, количеству полюсов и прочим признакам.
Принцип действия
 По этому признаку приборы делятся на индукционные и электронные. Принцип работы индукционных основан на таком явлении: при протекании тока по находящемуся в магнитном поле проводнику, на последний действует так называемая амперова сила, стремящаяся вытолкнуть его из магнитного поля.
По этому признаку приборы делятся на индукционные и электронные. Принцип работы индукционных основан на таком явлении: при протекании тока по находящемуся в магнитном поле проводнику, на последний действует так называемая амперова сила, стремящаяся вытолкнуть его из магнитного поля.
Роль проводника в индукционном счетчике играет алюминиевый диск, связанный червячным редуктором с механическим отсчетным устройством (5 или 6 вращающихся барабанов с цифрами).
Токи в диске наводятся переменным магнитным полем от двух катушек — напряжения и тока, и чем выше мощность протекающего в цепи электричества, тем быстрее он вращается. Чтобы под влиянием амперовой силы диск не раскручивался ускоренно, установлен тормозящий постоянный магнит.
Достоинства индукционных учетных устройств:
- простота конструкции, ремонтопригодность;
- устойчивость к помехам (разряды молнии) и всплескам напряжения.
 
Схема индукционного счетчика
Индукционные приборы считаются устаревшими и постепенно выводятся из эксплуатации, причины:
- большая погрешность: класс точности — не выше 2,5;
- низкая чувствительность;
- короткий межповерочный интервал (не более 8 лет);
- бедный функционал.
В электронных счетчиках подсчетом киловатт-часов занимается микросхема, получающая импульсы от аналого-цифрового преобразователя.
Приборы электронного типа обладают целым рядом преимуществ:

- низкая погрешность: класс точности составляет 1 или 2;
- высокая чувствительность: счетчик реагирует даже на работу светодиодной подсветки на выключателе сетевого фильтра;
- наличие встроенной памяти, позволяющей сохранять данные;
- передача данных по слаботочной или силовой сети в удаленный информационный центр;
- возможность учета расхода электроэнергии по дифференцированной схеме;
- длительный межповерочный интервал: до 16 лет;
- широкий диапазон рабочих температур.
С 2010-го года повторную поверку счетчиков с классом точности 2,5 и ниже выполнять не разрешается, так что потребителям невольно приходится менять индукционные приборы учета на современные электронные.
Число полюсов
3-фазные счетчики делятся на:
- трехполюсные. Подключаются только фазные проводники, «ноль» отсутствует. В маркировке таких приборов присутствует цифра «3». Их устанавливают на линиях, питающих потребителей с симметричной нагрузкой (токи во всех фазах одинаковы). В основном это трехфазные электродвигатели;
- 4-полюсные. Помимо фазных имеются клеммы для подключения нулевого проводника. Эти счетчики устанавливаются на линиях с асимметричной нагрузкой: каждая фаза питает несколько однофазных потребителей.
В маркировке прибора последнего типа присутствует цифра «4».
Число тарифов
По числу тарифов счетчики делятся на:

- однотарифные;
- двухтарифные;
- многотарифные.
Второй и третий варианты используются в дифференцированных схемах учета, когда электроэнергия в разное время суток продается по различной стоимости. Так, в двухтарифной схеме существенная скидка предоставляется на киловатт-часы, потребляемые с 23-00 до 7-00, то есть в ночное время.
В трехтарифной схеме различают пиковые, полупиковые и льготный (ночной) периоды. Счетчик ведет учет расхода энергии для каждого периода по отдельности. Есть модели, способные работать даже в 8-тарифной системе (устанавливается разная ставка для будней и выходных).
Способ подключения
Есть три разновидности:
- с прямым подключением;
- полукосвенным;
- косвенным.
Данные варианты стоит рассмотреть подробно.
Подключение электросчетчика с трансформаторами тока
Одной из важнейших характеристик любого электросчетчика является его номинальный ток. То есть ток, который прибор может не только посчитать, но и долговременно через себя пропускать. Если в вашем доме стоит очень мощное оборудование, а потребляемый им ток имеет большие значения, то подобрать подходящий электросчетчик не удастся – счетчиков для таких мощностей просто не существует в природе. Как тут быть? Выход из положения – установка трансформаторов тока (ТТ).
Как работает и для чего нужен
Основной задачей прибора является пропорциональное преобразование тока одной величины в ток другой. Конструктивно изделие представляет собой железный сердечник, на котором размещены две обмотки. Первая включается в разрыв сети, состояние которой нужно контролировать, а вторая – к электросчетчику. Электроэнергия, проходя по первой обмотке, будет наводить ЭДС во второй, а отношение токов в этих катушках будет пропорционально отношению количества их витков.
Принцип работы токового трансформатора
Если, к примеру, первичная обмотка имеет 2 витка, а вторичная 20, то введенный во вторичной обмотке ток будет в 10 раз ниже тока первичной. В этом случае говорят, что коэффициент трансформации прибора 10 к 1 (10/1). Предположим, ваш токарный станок потребляет ток в 200 А. Такую мощность не выдержит ни один электросчетчик. Но если вы подключите прибор через ТТ, рассмотренный выше, то максимальная нагрузка через счетчик не будет превышать 200/10 = 20 А.
Совсем другое дело – токи такой величины легко сможет контролировать практически любой электросчетчик. Подбирая трансформаторы с тем или иным коэффициентом трансформации, вы легко можете вести учет расхода электроэнергии практически любой мощности обычными электросчетчиками.
Как подключить ТТ к трехфазной сети
А теперь о схеме включения счетчика через ТТ. Конечно, она будет несколько сложнее конструкции прямого включения, но не настолько, чтобы в ней не разобрался человек, имеющий представление о простейших электрических цепях.
Схема подключения трехфазного счетчика через трансформаторы тока
В этой схеме электросчетчик подключен не в разрыв сетевых проводов, а ко вторичным обмоткам ТТ, которые обозначены как И1, И2. А в этот самый разрыв подключены первичные обмотки трансформатора (на схеме Л1, Л2).
Прежде чем взяться за сборку вышеприведенной схемы, необходимо четко разобраться в нескольких вопросах. От правильного их решения будет зависеть не только безопасная и долговременная работа схемы, но и ее работоспособность. Вот основные из них:
- Правильный выбор сечения монтажных проводов.
- Фазировка катушек ТТ.
Если вы не врезаете ТТ непосредственно в линию, то соединяющие провода первичной обмотки должны иметь то же сечение, что и проводка линии. Проводники, соединяющие ТТ и счетчик, конечно, могут быть тоньше, но они должны уверенно выдерживать ток, обозначенный на корпусе электросчетчика.
На фазировку (правильное подключение концов катушек) ТТ нужно обратить особое внимание. В противном случае прибор учета либо не заработает, либо будет врать, а то и закрутится в другую сторону, если он двунаправленный. Как разобраться с фазировкой? В этом поможет рисунок ниже:
Как разобраться с фазировкой? В этом поможет рисунок ниже:
Набор токовых трансформаторов для трехфазной сети
Даже если ваши трансформаторы не совсем похожи на приведенные, особой разницы нет – в любом случае все выводы обмоток маркируются единообразно. Контакты первичной, силовой обмотки отличить несложно – они гораздо мощнее контактов вторичной и расположены с противоположных сторон изделия. Маркируются они Л1 и Л2. Выводы обмотки 2, подключаемой к электросчетчику, в этом варианте исполнения закрыты прозрачной крышкой и имеют обозначение И1, И2. Если взглянуть на схему подключения счетчика, то можно увидеть, что катушки не только должны быть подключены каждая на свое место, но и правильно сфазированы:
- Л1 – на ввод питающей линии;
- Л2 – выход на нагрузку;
- И1 – на ввод счетчика;
- И2 – выход счетчика.
Что касается расцветки корпуса ТТ, она условна и служит только для удобства монтажа. Фактически все три трансформатора абсолютно идентичны.
Как быть, если в вашем доме однофазная сеть, но ток потребления слишком велик для электросчетчика? Такая ситуация достаточно редка, но она случается. И здесь выручит токовый трансформатор, причем всего один. Как подключить однофазный электросчетчик через ТТ понятно из рисунка ниже:
Схема подключения однофазного электросчетчика с трансформатором тока
Подключение счетчика электроэнергии в низковольтную сеть большой мощности
В одной из предыдущих статей мы уже рассматривали измерительные трансформаторы тока, их сферы применения, технические характеристики и особенности режима работы.
Как отмечалось ранее, для подключения счетчика в сеть большой мощности (с большими токами) необходимо применять специальные устройства — измерительные трансформаторы тока. Речь идет о низковольтных сетях до 0,66 кВ, где уровень номинального тока 100 А и выше. Счетчики прямого включения не предназначены для использования в таких мощных сетях, поэтому и требуется снизить уровень рабочего тока до величины, удобной для измерения приборами учета — 5 А.
 
Способ подключения в сеть счетчика, при котором токовые обмотки счетчика подключаются к измерительным выводам трансформатора тока называют полукосвенным. При этом способе подключения счетчика используется рабочее напряжение сети (обмотки напряжения подключаются к электросчетчику напрямую).
Существует также и косвенный способ подключения счетчика, однако он применяется для учета электроэнергии в установках с напряжением более 1 кВ. При косвенном подключении счетчика кроме трансформаторов тока применяются трансформаторы напряжения, снижающие высокое значение напряжение до 100 В.
Класс точности и его значение для учета электроэнергии
Правила Устройства Электроустановок (сокращенно ПУЭ) устанавливают классы точности для трансформаторов тока различных категорий применений. Так, для коммерческого учета должны устанавливаться трансформаторы тока с классом точности не более 0,5, а для технического учета необходим класс точности не выше 1,0.
Также встречаются трансформаторы тока с практически одинаковыми классами точности 0,5 и 0,5S. В чем заключается между ними разница? Погрешность обмотки ТТ с классом точности 0,5 не нормируется ниже 5%. Это значит, что при нагрузке в главной цепи ниже 5% электрическая энергия не будет учитываться. Класс точности 0,5S говорит о том, что трансформатор тока будет передавать сигнал на счетчик при уровне нагрузки не ниже 1%.
Схемы подключения счетчика через трансформаторы тока
Подключить трехфазный счетчик электроэнергии в мощную низковольтную сеть с глухозаземленной нейтралью можно по приведенным ниже схемам.
 
Цепи тока и напряжения в этой схеме, которую еще называют «десятипроводной» (по количеству используемых проводов), разделены. Подобное разделение цепей напряжения и тока позволяет повысить электробезопасность и легко проверять правильность подключения.
Следующая схема, в которой все выводы И2 измерительных трансформаторов тока соединяются в общую точку и присоединяются к нулевому проводнику, называется «звезда» (т. к. трансформаторы тока соединены по одноименной схеме). Она экономична с точки зрения использования проводов, однако усложняет проверку схемы включения счетчика представителями энергоснабжающих организаций.
 
«Семипроводная» схема на сегодняшний день является устаревшей, но так или иначе до сих пор встречается. Эта схема, будучи самой экономичной, опасна для обслуживающего персонала и потому должна быть модернизирована до десятипроводной.
 
Подключения счетчика электроэнергии через переходную испытательную коробку (КИП)
 
Как указано в ПУЭ (п 1.5.23.), подключать трехфазные счетчики электроэнергии следует через испытательные коробки, упомянутые выше. Они (коробки испытательные переходные) позволяют производить замену счетчика, не отключая нагрузку, так как все необходимые переключения можно произвести в КИП.
 
Также встречаются низковольтные сети с изолированной нейтралью (система IT). Если быть более точным, то в сети с такой системой заземления нейтральный проводник может быть как полностью изолирован, так и заземлен при помощи специальных приборов, обладающих большим электрическим сопротивлением.
Такая система (IT) применяется на объектах, к которым предъявляются высокие требования по надежности и безопасности электроснабжения. Например, изолированная система IT применяется для электрических установок угольных шахт, для мобильных дизельных и бензиновых электростанций, а также для аварийного освещения и электроснабжения больниц. Подключить счетчик электроэнергии к трансформаторам тока в сеть с изолированной нейтралью можно по следующей схеме.
 
Измерительные трансформаторы тока — это устройства, преобразующие большие значения тока главных цепей до величины 5 А, удобной для измерения счетчиками электроэнергии. Именно это и определяет их основное назначение: питание цепей учета электроэнергии (коммерческий и технический) в мощных установках, там где счетчики прямого включения просто не могут применяться.
Источник
Нюансы подключения счетчика через ТТ
При самом распространенном (полукосвенном) методе цепочки снятия показаний напряжения включаются напрямую, а токовые – через ТТ
В указанной ситуации важно научиться различать следующие способы коммутации:
- Десятипроводная схема.
- Семипроводный ее аналог.
- Схема с совмещенными цепями.
В первом случае к распределительной коробке счетчика подводятся три провода от каждой из фазных линий плюс нейтраль и по две жилы от 3-х ТТ. К достоинствам этого подхода относят необязательность отключения питающей линии при необходимости замены электросчетчика или при проведении ремонтных работ. Кроме того, при этом способе коммутации повышается надежность его функционирования и безопасность эксплуатации. Недостаток этого метода – больше количество соединительных проводов.
При применении семипроводной схемы три ответных конца трансформаторов тока объединяются и соединяются с «землей» (10-3=7). Одновременно с удобством ремонта электрооборудования в данном случае уменьшается число коммутируемых проводов. Это упрощает монтаж и ремонт электрооборудования и заметно снижает риски при его эксплуатации в нормальных режимах. Подключить электрический счетчик можно и по совмещенной схеме, когда цепи напряжения объединяют с токовыми отводами за счет установки перемычек в соответствующих точках трансформаторов. Обычно они устраиваются между отводами И1 трансформаторов тока и соответствующей фазной линией. Число соединительных проводников в этом случае остается тем же – семь жил.
Учет электроэнергии с трансформаторами тока
 Корректный учет потребляемой энергии обязателен. Намеренные или случайные ошибки приведут к проверкам, штрафным санкциям, увольнениям, в особо серьезных случаях, когда финансовые обязательства после перерасчета оказываются непосильными – к закрытию и банкротству предприятий.
Корректный учет потребляемой энергии обязателен. Намеренные или случайные ошибки приведут к проверкам, штрафным санкциям, увольнениям, в особо серьезных случаях, когда финансовые обязательства после перерасчета оказываются непосильными – к закрытию и банкротству предприятий.
Электросчетчик является основным прибором, который показывает расход энергии на текущий момент. Современные модели выдают показания с большей точностью, есть возможность настроить несколько режимов работы (например, разный учет в дневное и ночное время – отличаются тарифы). Мастера рекомендуют устанавливать электронное оборудование, а не индукционное. Первые намного дороже, но отражают более точные данные.
Первое, на что обращают внимание – количество фаз в сети. Счетчики и трансформаторы должны иметь одинаковое число фаз с электросетью
Трехфазные устройства допускаются на однофазные сети (не наоборот), однако стоят в несколько раз дороже. Подобный вариант используют, если такой трансформатор есть в наличии.
Важный момент – класс точности трансформаторов. На большей части объектов используется маркировка 2,0, этого для среднего производства и бытовых нужд достаточно. Для крупномасштабных заводов, подстанций, зданий необходим более высокий класс – 1,0. Оптимальный вариант, если обозначение дополнено буквой S, которая означает максимальную точность прибора.
Электроэнергия – это товар, за пользование которым необходимо вносить определенную плату. Для разных ситуаций – промышленность, квартиры, соц объекты, другое – предусмотрены отдельные тарифы. Чтобы корректно оплачивать потребленную энергию, необходим правильный и точный учет.
Если счетчик работает исправно, опломбирован соответствующими службами, его показания передают в организацию, с которой заключен договор на поставку электроэнергии. Далее в соответствии с электромерой, рассчитывается оплата.
























































