Конструктивные особенности перголы
Считается, что это сооружение имеет один или несколько одинаковых элементов, связанных в единое целое. Благодаря этому конструктивно пергола может быть проще обычной беседки. Ниже представлено несколько типовых схем постройки.
Самая простая удлиненная пергола – стойки, продольные балки-связи и стропила-поперечины
Вариант с четырьмя стойками, пространство между которыми заполнено решеткой. Поперечные балки перекрытия дополнены более частой продольной обрешеткой
Вариант с опорой на стенку из камня (или бетонный парапет)
Модель с арочными поперечинами-стропилами
Рассматривая представленные схемы, можно заметить, что у сооружения четыре основных элемента:
- стойки. Учитывая немалый возможный вес зеленой массы растений, опирающихся на сооружение, стоит принимать сечение стоек достаточно большим (не менее 100х100 мм для бруса и 50х50 мм для профильной трубы). Обязательно заглублять стойки в грунт, причем более надежным является вариант засыпки камнем с трамбовкой или бетонированием;
- продольные связи, которые объединяют стойки в единую конструкцию. Их сечение сравнимо с сечением стоек, можно уменьшить его на 10…15%;
- стропила-поперечины. Они укладываются на продольные балки-связи и создают горизонтальное перекрытие, являются опорой для вьющихся растений. При этом для пергол, не затянутых растительной массой, желательно делать стропила из доски, располагая ее ребром к солнцу. Таким образом создается тень при косом положении солнечных лучей;
- дополнительные детали – обрешетка, фигурные выступы стропил, скамейки, столики и так далее. Они не являются обязательными и не несут нагрузки в конструкции, но заметно повышают уровень комфорта.
Рассмотрим несколько способов сделать перголу своими руками.
Берсо
Вариант для самого масштабного сада, буквально парка на частной территории – берсо. Эта старинная малая архитектурная форма пришла к нам из Франции XVII века, где с помощью каркаса и стрижек из деревьев создавали протяженные коридоры, в которых и стена и крыша были из ветвей. Ажурные элементы самого каркаса делали берсо декоративным и в холодное время года.
Конечно, на дачном участке такой элемент будет смотреться массивно и отберет все свободное пространство, поэтому лучше заменить его перголой или аркой. А вот в огромном саду можно высадить в 2 ряда несколько ив и установить высокие металлические дуги, вокруг которых сформировать берсо. Правда, вам потребуется как минимум 7 лет и опыт в художественной стрижке деревьев, но вы сможете смело сказать, что такое только у вас и в Верхних садах Петергофа.
Простое решение
Самая простая пергола для новичков — крыша в виде перекладин (по которым пустится плющ или лиана) с опорой на 4 балки.

Рассмотрим пошагово, как её возвести своими руками.
Что понадобится
Для возведения перголы хороша сосна, как самая недорогая порода древесины. Однако она должна быть хорошо просушена, иначе строение потом поведёт, а выравнивать его крайне сложно. В таблице приведены строительные материалы, размеры и их количество.

Подготовительный этап
1. Обрезать электролобзиком края балок — бруса (те, что указаны в таблице в количестве 9 штук и сечением 100х100х3000 мм).

2. На оставшемся брусе, который пойдёт под стойки, сделать выемки для продольных балок перекрытия:
- сложить 4 бруса вместе;
- выровнять по высоте;
- скрепить струбцинами;
- сделать разметку: от края — 90 мм;
- глубина выемки — 25 мм;
- сделать множественные пропилы ножовкой от линии реза до края;
- сбить перегородки молотком;
- обработать выемки стамеской.

Выемки сделать по обе стороны балок.

Обработка тонером
Тонер — краска, специально разработанная для деревянных построек. Она имеет массу преимуществ:
- тонирует (оттенок можно выбрать любой);
- сохраняет естественную текстуру древесины;
- не требует нанесения закрепляющего слоя лака;
- придаёт материалу такие практичные свойства, как гидрофобность, стойкость к ультрафиолету;
- защищает от внешних негативных воздействий.
Поэтому вместо обычной краски приобретите тонер и обработайте им подготовленный брус в 2 слоя — этого будет достаточно для надёжного, стойкого покрытия. Алгоритм действий:
- Отшлифовать детали.
- Протонировать их одним слоем.
- Дождаться полного высыхания.
- Протонировать второй раз.
- Дождаться полного высыхания второй раз.
Ещё одно неоспоримое достоинство тонера — спустя 2-3 года, когда возникнет необходимость повторной покраски, не понадобится обдирать отслоившиеся куски. Всё, что нужно будет сделать, — пройтись шлифмашинкой и протонировать заново (только 1 раз).
Разметка на местности
1. С помощью колышек и верёвки разметить на участке место, где будет стоять пергола. Размеры — 2,6 на 3 м.

2. Сделать ямки под опоры (лопатой или буром). Глубина — 1 м.

3. Установить балки в ямки, чтобы пропилы проходили вдоль длинных сторон разметки. Убедиться, что они расположены на одной высоте.
4. Наполнить ямки цементным раствором. Дать ему застыть.
Монтаж
1. Продольные балки (те, что по 4 м) монтировать на выемки. Оставить края выступать за пределы стоек на 40 см.

2. Просверлить электродрелью сквозные отверстия (они нужны для болтов, скрепляющих балки и стойку).
3. Закрепить детали конструкции болтами и гайками.
4. Равномерно разложить по верху продольных балок поперечные перекладины, фиксируя струбцинами и закрепляя саморезами.

Внутрь можно поставить столик со стульями, горшки с цветами. По потолку и стойкам пустить вьющиеся растения — девичий виноград, садовый плющ, золотой хмель или тропическую дицентру. Такой вариант конструкции можно задрапировать воздушными полупрозрачными тканями.
Общие рекомендации

С чего начать изготовление перголы?
Выбор варианта
Чтобы своими руками осилить строительство перголы, в первую очередь нужно просмотреть разные варианты дизайна:
- она может быть в виде навеса, пристроенная к дому или отдельным сооружением (как беседка);
- крышу можно сделать в традиционном стиле (квадратную или прямоугольную), остроконечную, арочную, наклонную или как променадную конструкцию;
- сама пергола может быть построена в японском стиле или в виде ротонды, кому-то нравятся угловые варианты (одни из самых простых для строительства своими руками);
- стилевые решения тоже можно выбрать разные: кантри, хай-тек, модерн, восток, шале, фахверк и др.
Также нужно определиться с материалом. Всё будет зависеть от ваших умений и финансов. Каменные и кованые конструкции — одни из самых модных, востребованных и красивых вариантов. Однако их делают преимущественно на заказ профессионалы. Если вы не каменщик и не кузнец, за столь сложные строения лучше не браться. Самый оптимальный вариант — дерево. Обрабатывается легко, смотрится богато, позволяет внести в постройку какие-то свои изюминки. С металлом работать сложнее.
Перголы:
Статья по теме: Перголы в ландшафтном дизайне
Подготовка
Следующий шаг – подбор схемы. Здесь уже многое зависит от ваших навыков и умений. Если вы и раньше работали с деревом или металлом, если это не первый опыт в строительстве, собрать перголу своими руками будет не сложно. Кому-то даже не понадобятся пошаговые инструкции. Но новичкам всё же стоит подыскать детальный алгоритм действий.
Когда наконец в голове выстроится желаемое, просчитайте, сколько материала вам понадобится, какие инструменты и крепёжные изделия нужно будет использовать. Берите всегда на порядок больше. Как показывает практика, пусть лучше останется лишнее, чем по несколько раз ездить искать что-то по магазинам.
Общий список инструментов, который может пригодиться для возведения деревянной перголы:
- бур ручной;
- дрель и сверло по дереву;
- карандаш / маркер;
- кисточки малярные;
- молоток;
- наждачка мелкозернистая / шлифмашинка;
- ножовка ручная по дереву / электролобзик;
- отвес;
- рулетка;
- стамеска;
- струбцины;
- угольник;
- строительный уровень;
- шуруповерт.

Инструменты для строительства металлической перголы:
- сварочный аппарат;
- болгарка;
- строительный уровень;
- рулетка;
- угольник;
- карандаш / маркер;
- лопата;
- оцинкованная проволока.
Выбор места
Советы ландшафтных дизайнеров по размещению беседки в саду:
- пергола посередине участка не смотрится — выбирать лучше место с краю;
- отличным вариантом для небольшого сада станет пристройка к дому в виде козырька;
- тем, кто хочет построить своими руками полноценную беседку с мангалом и столиком, можно выбрать уголок возле стены или забора, в тени крупных деревьев;
- это может быть арка для оформления перехода от одной зоны участка к другой (вдоль тропинки или аллеи);
- если на участке уже имеются вьющиеся растения, которым не хватает опоры, логично будет возвести поддерживающую конструкцию рядом с ними;
- возможно, вам потребуется создать затенение над автостоянкой или детской площадкой — в таком случае пергола также станет отличным решением проблемы.
Старайтесь подгадать, чтобы на время работ была преимущественно солнечная погода. Всегда имейте в виду риск дождей, чтобы защитить от них материал (хранить под навесом или накрывать водоотталкивающей плёнкой).
Конструкция перголы
Пергола представляет собой полуоткрытую беседку с окнами и стенами, которые частично или полностью заполняют сооружение с нескольких сторон. Причем сами стены выполнены в виде обрешетки. Поэтому соответствующая конструкция служит укрытием только в теплое время года. Целевая аудитория задается вопросом, как сделать перголу своими руками, чтобы ею можно было пользоваться не только летом?








Ответ кроется в комплексной модернизации:
- Покрытие стропильной фермы тентом или еврошифером;
- Отделка стен т.н. гибкими окнами или сайдингом;
- Монтаж окон в открытые оконные проемы;
- Установка печи внутри сооружения.














И все-таки тематическое укрытие больше подходит для летнего отдыха. Причем этому отдыху не будет мешать ни дождь, ни зной. Все дело в том, что пергола располагает кровлей-решеткой, которую можно покрыть тентом или брезентом. Большую нагрузку такое покрытие на конструкцию не оказывает, т.к. пергола своими руками располагает несущим каркасам – вертикальными столбами, которые обшиваются обрешеткой и кровельной фермой.








Продвинутый вариант деревянной перголы
Знающим толк в столярных работах волне под силу изготовить своими руками более сложную конструкцию. Например, со скатной крышей. Причём её можно не покрывать материалом полностью, а оставить для плюща и лиан. Если же хочется более надёжного укрытия от того же дождя, тогда следует сделать полноценное покрытие.
Чертежи
Здесь уже обязателен чертёж, так как вы будете возводить более комплексную конструкцию, чем была описана выше. Проблема в том, что сложно найти уже готовую схему для своего сада и подогнать под неё размеры тех же строительных материалов. На рисунке может быть указана одна площадь, а вы располагаете совершенно другой. Какие могут быть варианты действий в таких случаях:
- с помощью математических расчётов изменить размеры, указанные на уже готовой схеме, с учётом площади своего участка и исходных параметров своего строительного материала (это можно сделать либо самому, либо заказать проектировщику);
- самостоятельно составить чертёж, используя примерный вариант лишь как образец;
- не искать никаких других эскизов, чертежей и схем — первоначально составить свой, отразив в нём своё видение перголы;
- воспользоваться очень удобными компьютерными 3D-программами, специально созданными для самостоятельного составления подобных чертежей: вбиваешь нужные размеры, и она выдаёт уже готовый результат, который на каждом этапе строительства можно корректировать.
Последний вариант самый точный и удобный, хотя нередко подобные программы можно скачать только платно и нужно хоть немного разбираться в компьютерной графике.
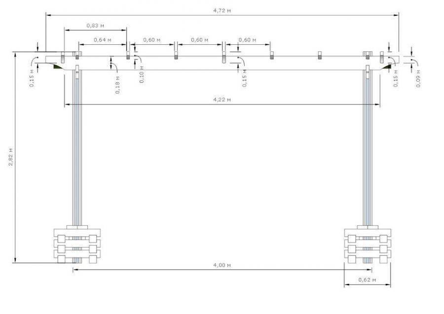
Вот один из чертежей деревянной перголы, который можно использовать для самостоятельного строительства:

Материалы
Для кровли перголы используют следующие материалы:
- рубероид;
- декоративные виды черепицы;
- металлические листы;
- шифер;
- полимерные строительные материалы;
- ондулин;
- профилированный лист.
Покупая древесину для строительства, обязательно учтите, что она должна быть:
- вся — из одной партии, иначе разное качество скажется на декоративных свойствах конструкции;
- без повреждений, деформаций, сколов, трещин и грибковых поражений;
- одного цвета.

Качество строительных материалов определит функциональность и декоративный вид перголы. После их приобретения древесину нужно обязательно обработать специальными растворами, если вы хотите, чтобы конструкция простояла максимально долго. Антипиреновые и противогрибковые пропитки:
- защитят от агрессивных погодных условий (дождя, морозов, жары);
- предотвратят разъедание древесины влажностью, грибком, вредителями;
- сохранят декоративный вид;
- снизят риск возгорания.
Такие составы наносятся на дерево в 2-3 слоя, но при этом нужно каждый раз ждать полного впитывания и просушки. Окончательным этапом станет обработка морилкой или специальным лаком, которые придут материалу красивый оттенок и сохранят его естественную структуру.
Пошаговый алгоритм
В зависимости от размеров строения выберите, какой фундамент вы будете строить под неё. Если постройка предполагает массивный строительный материал, лучше потратить время на ленточный. При небольшом весе достаточно блочного. Если это всего лишь доски, подойдут винтовые металлические сваи.

Алгоритм действий:
- Разровнять площадку.
- Снять дёрн.
- Прокопать углубление нужного размера в зависимости от выбранного типа фундамента.
Каркас и обвязки:
- Уложить поверх фундамента ростверк для равномерного распределения веса конструкции на основание. Здесь понадобятся брёвна (минимальный диаметр 22 см) или брусья большого сечения (20х20).
- Уложить на ростверк нижний венец.
- Между ним и основанием проложить гидроизоляционный слой (альтернативой может стать рубероид).
- На сооружённую нижнюю обвязку установить столбы (брусья).
- Закрепить опоры нагелями (как вариант — уголками, винтовыми креплениями).
- Сверху и снизу соединить столбы поперечинами (если нужно).

Далее возводятся стены или боковые балки, если их предполагает чертёж. По той схеме, которая была предложена выше, будет построена открытая пергола, без них.
Пол:
- Уложить поверх ростверка черновую доску (толщина — минимум 20 мм).
- Закрепить шурупами или посадить на гвозди.
- Поверх застелить деревом (толщина — не менее 10 мм), обязательно предварительно обработанным специальными растворами (например, яхтным лаком). Тип укладки лучше использовать шип-паз.
Крыша:
- Смонтировать стропильную систему (толщина досок напрямую зависит от массы всей кровли) на верхнюю обвязку.
- Уложить обрешётку.
- Закрепить детали.
- Если крыша будет закрытого типа, уложить на стропила выбранный материал (черепицу, ондулин и т. д.).

Разновидности сооружений
В зависимости от конструктивного исполнения сооружения различаются:
- по форме;
- материалу изготовления;
- основному предназначению;
- вариантам размещения.
Перголы могут быть следующих форм:
- прямоугольными или квадратными. Прямые элементы равномерно размещаются по конструкции со сквозным или сплошным заполнением;
- округлыми, со стенами слегка выпуклой формы;
- веерообразными, представляющими собой расходящиеся из одной опорной точки лучи. Получается оригинальное укрытие от солнечных лучей и ветра;
- арочными. Арки могут быть прямоугольными, закруглёнными или ажурными. Классическая арочная постройка состоит из нескольких отдельных арок расположенных в одну линию и соединённых горизонтальными прожилинами. Часто это пергола для винограда. Они могут быть небольших размеров или перекрывать внушительную площадь, на которой свободно размешается стол со скамейками, стульями или переносными креслами. В прямоугольных сооружениях вместо дуг используются прямоугольные арочные разновидности, также расположенные в один ряд с соединением в решётчатую конструкцию перемычками.
По применяемым материалам:

- деревянными;
- металлическими. Металлическая пергола из профильных или круглых труб, стальных стержней круглого и квадратного сечения, уголкового профиля, стальной сетки с ячейками 10 на 10 см, которую достаточно разрезать на необходимые размеры по длине или выгнуть по аккуратной дуге;
- кирпичными и каменными. Такие конструкции уместно сооружать на больших по площади участках, они эффектно подчеркнут его размеры. В основном камень и кирпич используют для фундаментного основания и опорных столбов, так как сооружение арок из таких материалов достаточно сложно;
- пластиковыми, используются прямые и арочные элементы заводского изготовления с небольшими габаритными размерами. Применяются для цветников и клумб различного очертания;
- комбинированными из нескольких разновидностей материалов. Например, камень и ажурные кованые изделия или дерево, металлопластиковые трубы.
Наибольшее распространение получили перголы и арки из дерева для дачи. Поистине такие сооружения стали основной классикой жанра. Это продиктовано великолепными эстетическими и экологичными характеристиками древесины. Преимущественно это пергола прямого очертания, так как изготовление арочных деревянных конструкций довольно сложно в исполнении. Большое значение имеет и большое распространение дерева в нашей стране. По вполне доступной цене можно приобрести для изготовления деревянной перголы пиломатериалы хорошего качества. Из основных недостатков можно отметить только горючесть и недолговечность из-за подверженности древесины гниению, поражению грибком и плесенью. Но хорошо обработанное антисептиками и антипиренами дерево может прослужить достаточно долго.
По основному назначению могут быть в виде:

- тента, примыкающего к зданию или отдельной садовой арки. Чаще всего тент натягивается между широко расположенными колоннами или арками с длинными элементами;
- навеса или козырька, часто арочные навесы над автомобилем устраиваются в виде перголы для винограда своими руками, для этого несколько арок устанавливаются в одну линию, связываются поверху обрешёткой, по которой настилается поликарбонат. Боковые стенки также объединяются прожилинами, которые обвиваются виноградными лианами. Навесы могут примыкать к строению или располагаться отдельно;
- ширмы, для которой между опорными столбами устраивается решёточная конструкция или натягивается металлическая сетка, по которой размещаются вьющиеся растения. Плотные стены из живых растений обеспечивают замечательный по комфорту уединённый отдых. Нередко такие конструкции служат для отделения на участке зон с различным функциональным назначением (цветников, клумб, спортивных и детских площадок, зон барбекю и прочих);
- в виде туннеля из увитых растениями отдельных арок. Устраиваются над садовыми дорожками, аллеями вблизи дома или в переходах между зданиями;
- пергола-беседка, представляет собой стены из сплошной или с зазорами решётки и такого же навеса. В закрытых постройках может устраиваться летняя кухня или помещение для отдыха с размещением садовой мебели.
Изготовление и установка перголы
1. Опорные стойки перголы изготавливаются из бруса 10×10 или 15×15 см, который отпиливается согласно чертежу необходимой длины, чтобы получилась конструкция нужной высоты. Стойки крепятся в анкерах при помощи специальных винтов – глухарей. Вертикальность расположения стоек также определяется при помощи спиртового уровня.
Возможно закрепление бруса непосредственно в цементе, без анкеров. В этом случае необходимо предварительно обработать концы опор горячим битумом.


2. После установки вертикальных опор можно переходить к изготовлению опорных балок. Для этого отпиливается доска 5×15 или 5×20 необходимого размера, можно придать ей оригинальную форму на выступающих концах при помощи лобзика.
Перед закреплением на опорных стойках балки также выравниваются при помощи уровня, затем просверливаются сквозные отверстия через балки и стойки, вставляются болты, затягиваются гайки.


3. Следующий шаг – поперечные балки.
Для их изготовления подойдёт доска 5×15 см. Количество поперечных балок определяется исходя из того, чтобы при установке расстояние между ними были около 30 см. Возможно установить их чаще, тогда будет меньшая светопроницаемость и больше тени.
Поперечные балки крепятся к опорной посредством пазов, которые необходимо выпилить согласно размерам чертежа. После установки в паз балки дополнительно закрепляются саморезами.



Для прочности и жёсткости конструкции навеса и красивого внешнего вида осталось изготовить и закрепить перпендикулярные перекладины. Перекладины выпиливаются в размер согласно чертежу.
При расчёте количества необходимых перекладин, берут за основу шаг установки не менее 60 см. После выпиливания перекладины нужной длины и формы, в ней так же делаются пазы для установки, что не исключает дополнительной фиксации саморезами.


5. Навес перголы готов. Далее, при желании можно декорировать боковые части конструкции при помощи шпалерных панелей. Они крепятся к опорным стойкам перголы
Важно закрепить их на некоторой высоте от земли, это защитит от коррозии и продлит срок службы
6. Завершающий этап работ.
После завершения строительства необходимо тщательно обработать деревянные детали, зашпаклевать щели, зазоры, отверстия, ошкурить древесину наждачкой средней зернистости. Готовую конструкцию следует покрыть лаком в несколько слоёв, это украсит внешний вид и защитит древо от неблагоприятных атмосферных воздействий.
После того как пергола готова, можно приступать к выбору и высадке растений. Именно флористика придаёт перголе законченный вид, гармонично вписывает её в ландшафтный дизайн. Для того чтобы помочь растениям правильно завиваться на крышу, можно натянуть специальную крупноячеистую сетку.
Деревянная пергола – украшение любого сада или дачного участка. А сделанная своими руками, она будет особенно радовать глаз, при этом дарить тень и прохладу в жаркий день. goes here
Достоинства и виды пергол в саду
Перголы могут выполнять различные задачи, и выглядеть могут тоже по-разному. В зависимости от их расположения частично меняется их функция. Пергола может быть просто навесом для образования тени в зоне отдыха, может обозначать зону сада, и в то же время быть оригинальной аркой для винограда или другого вьющегося растения. Сегодня мы рассмотрим основные виды пергол.
- Тент-пергола. Такая конструкция используется для создания тени. Чаще всего это козырек или навес пергола, который пристраивается непосредственно к дому, или другому зданию на участке. Такие конструкции делают для притенения детских площадок, зон отдыха. С названия понятно, что роль крыши исполняет натянутый между столбами тент.
- Козырек-пергола. Данный вид перголы используется для затенения окон в доме. Пристройка строится с солнечной стороны здания, и защищает окна от палящего солнца с утра и до самого вечера. Такая пергола выглядит как открытая веранда, и может использоваться в различных целях.
- Навес-пергола. Такая пергола чаще всего используется автолюбителями для хранения своего автомобиля. Конструкция такого навеса очень проста, но функцию свою выполняет на отлично. Этот навес можно пристроить к дому или установить отдельно от зданий. И так и так его функция не изменяется. Автомобиль будет стоять в тени круглые сутки.
- Беседка-пергола. Построив такую перголу вы сможете убить сразу двух зайцев. В конечном результате у вас получится летняя беседка, крыша которой будет состоять из зеленых насаждений вьющихся растений (виноград, лоза, хмель, плющ). Единственный недостаток такой беседки – она не сможет укрыть вас от сильного дождя, так как крыша образуется только из растений.
- Ширма-пергола. Эти садовые перголы предназначены для зонирования участка. Часто, такие перголы выполняют роль забора по периметру всего загородного участка. Садоводы используют ширмы-перголы для распределения участка на различные зоны, выполнены в разных стилях. Изготавливаются как с дерева, так и с металла.
- Тоннель-пергола. Данный вид пергол делается для того, чтобы затенить дорожку в саду, и сделать уютный, красивый проход в какую-либо зону участка. Зачастую дизайн перголы-тоннеля всегда одинаковый. Она обсаживается зелеными растениями. Их основная задача – заплести перголу по всей длине, и создать эффект живой зеленой дорожки.
- Скамейка-пергола. Такая конструкция похожа на миниатюрную беседку с лавочкой или скамейкой. Зачастую это небольшая постройка, которая размещается в уютном месте, для уединения и отдыха от домашних забот.
- Арка-пергола. Эта небольшая постройка устанавливается на входе в сад или может быть отдельно стоящей в центре зеленой аркой, которая будет дополнять общий стиль сада. Такие перголы не занимают много места, но привлекают много внимания.
Сегодня мы рассмотрели и изучили виды самых популярных пергол для загородного участка. Фото деревянных пергол и не только мы взяли с интернет ресурсов. Это перечень основных видов пергол в ландшафтном дизайне. Построив любую из них у себя на участке, вы автоматически выделитесь из серой массы. Конечно, если вы сделаете перголу посреди пустого участка, и будете думать, что вы самые крутые, то это очень большая ошибка. Выдерживать стиль нужно в любом случае.
Ну, теперь-то точно всем стало известно обозначение слова «пергола». Теперь мы расскажем вам, как её сделать у себя на участке своими руками.
























































